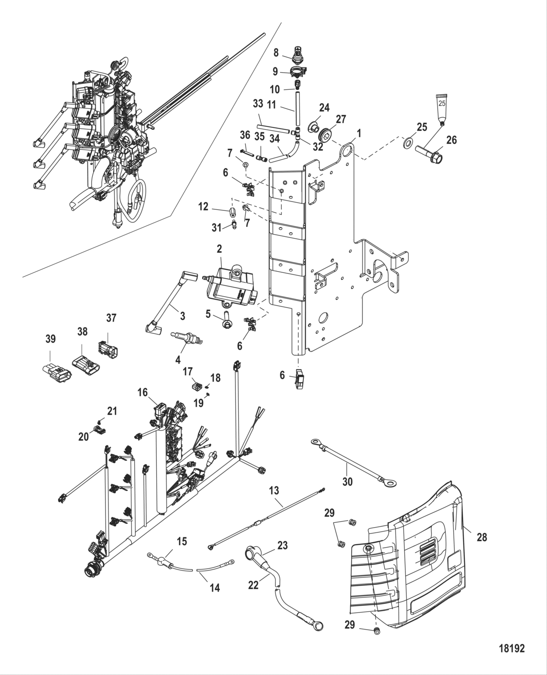
Electrical Components Diagram Mercury-Mercruiser D75 OptiMax
- Engine Capacity
- 1.5
- Power
- 75
- Stroke (2-stroke or 4-stroke)
- 2 stroke
- Country
- USA
- Серийный номер
- 1B227000 THRU 1B417701
- Серия
- DFI
- Кол-в цилиндров
- 3
- Подача топлива
- EFI
Difficulties in parts search?
Difficulties in parts search?
| Description | OEM Part # | Price | |||
|---|---|---|---|---|---|
|
1
|
1
880190T03 Plate-electrical |
880190T03 |
US $118.11 |
||
|
2
|
2
879984T00
Ignition coil
|
879984T00 |
— | ||
| replacement | |||||
|
2
|
2
8M0077471 IGNITION COIL |
8M0077471 |
US $229.78 |
||
|
3
|
3
8844423 Lead, hi tension |
8844423 |
US $27.36 |
||
| replacement | |||||
|
3
|
3
884442T03 LEAD-TENSION@3 |
884442T03 |
US $27.36 |
||
|
4
|
4
892567001
Spark plug, ngk#izfr5j
|
892567001 |
— | ||
| replacement | |||||
|
4
|
4
892567Q Spark Plug |
892567Q |
US $40.68 |
||
|
5
|
5
82129130 Screw |
82129130 |
US $3.94 |
||
|
6
|
6
828791 New Genuine Part |
828791 |
US $2.43 |
||
|
7
|
7
82130012 Screw |
82130012 |
US $1.62 |
||
|
8
|
8
881879A7 New Genuine Part |
881879A7 |
US $258.90 |
||
|
9
|
9
883066 Clip |
883066 |
US $1.86 |
||
|
10
|
10
892403 Fitting |
892403 |
US $16.46 |
||
|
11
|
11
85978571 Tubing, |
85978571 |
US $53.68 |
||
|
12
|
12
8215832 New Genuine Part |
8215832 |
US $17.28 |
||
|
13
|
13
878231A03 Harness assembly, fuse - 100 ampere |
878231A03 |
US $133.13 |
||
|
14
|
14
882829A03 Harness assembly, starter |
882829A03 |
US $68.64 |
||
|
15
|
15
830233 Boot, insulator - red |
830233 |
US $4.06 |
||
|
16
|
16
896264T01 Harness assembly, engine |
896264T01 |
US $1,022.78 |
||
|
17
|
17
858754 Cover-fuse |
858754 |
US $8.46 |
||
|
18
|
18
8329695 Fuse, mini - tan - 5 ampere |
8329695 |
US $3.47 |
||
| replacement | |||||
|
18
|
18
832969T05 Fuse Mini - Tan - 5 Ampere |
832969T05 |
US $3.47 |
||
|
19
|
19
83296920 Fuse, mini - yellow - 20 ampere |
83296920 |
US $3.82 |
||
| replacement | |||||
|
19
|
19
832969T20 Fuse Mini - Yellow - 20 Ampere |
832969T20 |
US $7.48 |
||
|
20
|
20
877613A1 New Genuine Part |
877613A1 |
US $12.53 |
||
|
21
|
21
879962 Clip |
879962 |
US $1.74 |
||
|
22
|
22
88439A25 Cable Assembly Battery - Positive |
88439A25 |
US $90.64 |
||
|
23
|
23
8500671 Boot, insulator - red |
8500671 |
US $3.01 |
||
|
24
|
24
8502341 Bushing |
8502341 |
US $2.54 |
||
|
25
|
25
4002318 Washer |
4002318 |
US $2.54 |
||
|
26
|
26
82446035 Screw |
82446035 |
US $4.40 |
||
|
27
|
27
833155 Grommet |
833155 |
US $3.71 |
||
|
28
|
28
880192T New Genuine Part |
880192T |
US $55.01 |
||
| replacement | |||||
|
28
|
28
880192T01 New Genuine Part |
880192T01 |
US $55.01 |
||
|
29
|
29
821555001 Grommet |
821555001 |
US $4.99 |
||
|
30
|
30
856583A07 Cable assembly, black |
856583A07 |
US $5.10 |
||
|
31
|
31
889992 New Genuine Part |
889992 |
US $2.90 |
||
|
32
|
32
875207 Tee, fitting |
875207 |
US $13.46 |
||
|
33
|
33
85978571 Tubing, |
85978571 |
US $53.68 |
||
|
34
|
34
85978571 Tubing, |
85978571 |
US $53.68 |
||
|
35
|
35
859747 Coupler |
859747 |
US $10.21 |
||
|
36
|
36
859732 Plug |
859732 |
US $1.50 |
||
|
37
|
37
877613A02 Connector |
877613A02 |
US $7.18 |
||
|
38
|
38
830796A04 Connector assembly, weather cap - male |
830796A04 |
US $6.96 |
||
|
39
|
39
822447T01 Connector cap |
822447T01 |
US $6.38 |
||
|
NI
|
NI
NSS
Not Sold Separate O-Ring
|
NSS |
— | ||