Power Trim Motor Diagram Mercury-Mercruiser F225
- Power
- 225
- Stroke (2-stroke or 4-stroke)
- 4 stroke
- Country
- USA
- Серийный номер
- 0T653945 & Up
- Кол-в цилиндров
- 6
- Подача топлива
- EFI
Difficulties in parts search?
Parts list
Difficulties in parts search?
| Description | OEM Part # | Price | |||
|---|---|---|---|---|---|
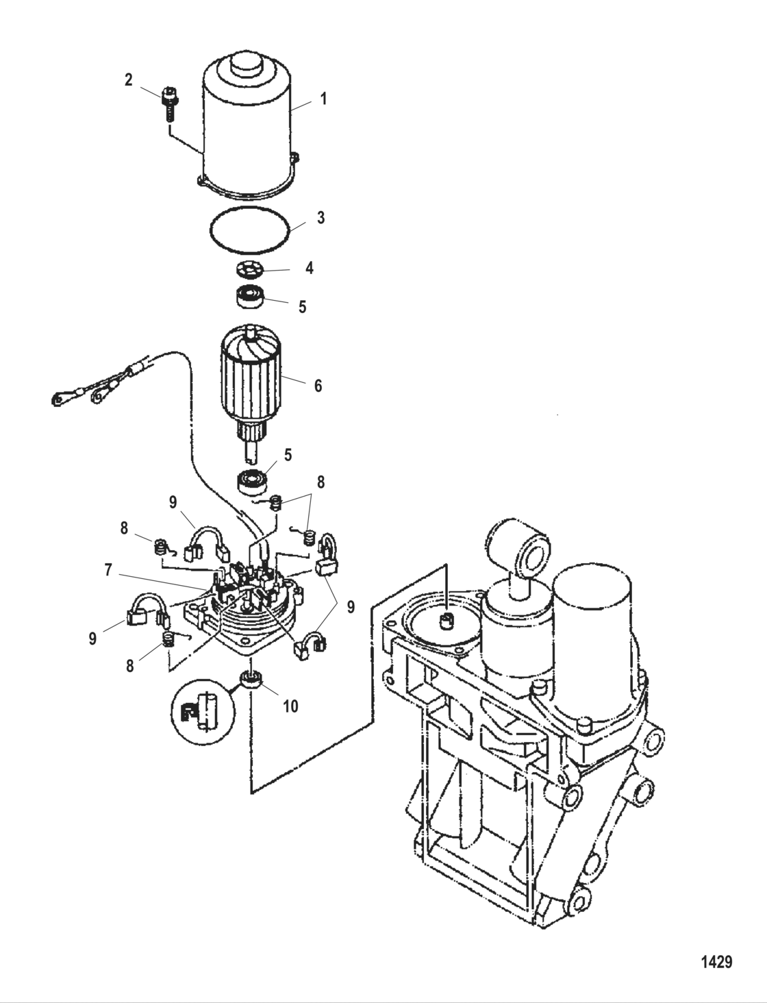
|
1
|
1
888648
New Genuine Part
|
888648 |
— | ||
|
2
|
2
8886323
Bolt
|
8886323 |
— | ||
|
3
|
3
8883532
O-ring
|
8883532 |
— | ||
|
4
|
4
8883631
Wave washer
|
8883631 |
— | ||
|
5
|
5
888646
Bearing
|
888646 |
— | ||
|
6
|
6
888647T New Genuine Part |
888647T |
US $489.22 |
||
|
7
|
7
888652T
New Genuine Part
|
888652T |
— | ||
|
8
|
8
888651
Brush spring
|
888651 |
— | ||
|
9
|
9
888650 New Genuine Part |
888650 |
US $66.78 |
||
|
10
|
10
888649
Oil seal
|
888649 |
— | ||
|
NI
|
NI
888645T1 Motor-trim |
888645T1 |
US $1,278.38 |
||
| replacement | |||||
|
NI
|
NI
888645T02 MOTOR-TRIM |
888645T02 |
US $1,278.38 |
||