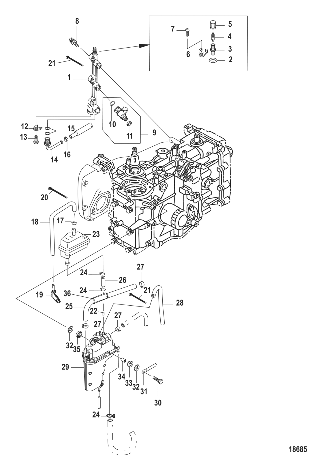
Fuel Rail And Vapor Seperator Diagram Mercury-Mercruiser F25
- Power
- 25
- Stroke (2-stroke or 4-stroke)
- 4 stroke
- Country
- USA
- Серийный номер
- 0R106999 & Up
- Кол-в цилиндров
- 3
- Подача топлива
- EFI
Difficulties in parts search?
Difficulties in parts search?
| Description | OEM Part # | Price | |||
|---|---|---|---|---|---|
|
1
|
1
898101T75 New Genuine Part |
898101T75 |
US $385.10 |
||
|
2
|
2
898101131 O-ring |
898101131 |
US $8 |
||
|
3
|
3
898101108 Connector |
898101108 |
US $25.55 |
||
|
4
|
4
898101212 Vavle assy |
898101212 |
US $19.33 |
||
|
5
|
5
898101023 New Genuine Part |
898101023 |
US $17.22 |
||
|
6
|
6
898101079 New Genuine Part |
898101079 |
US $9.28 |
||
|
7
|
7
855544018 Screw |
855544018 |
US $3.60 |
||
|
8
|
8
825702002 Bolt, stainless steel |
825702002 |
US $3.36 |
||
| replacement | |||||
|
8
|
8
823042 Bolt |
823042 |
US $3.36 |
||
|
9
|
9
898101T74 New Genuine Part |
898101T74 |
US $201.33 |
||
| replacement | |||||
|
9
|
9
8M0091784 FUEL INJECTOR |
8M0091784 |
US $201.33 |
||
|
10
|
10
898101124 O-ring |
898101124 |
US $25.04 |
||
| replacement | |||||
|
10
|
10
8M0095062 O RING |
8M0095062 |
US $25.04 |
||
|
11
|
11
898101125 O-ring |
898101125 |
US $16.11 |
||
| replacement | |||||
|
11
|
11
8M0095063 O RING |
8M0095063 |
US $16.11 |
||
|
12
|
12
804830002 Clamp |
804830002 |
US $3.25 |
||
|
13
|
13
8248324 Screw |
8248324 |
US $2.04 |
||
|
14
|
14
898101120 New Genuine Part |
898101120 |
US $45.66 |
||
|
15
|
15
804840007 O-ring |
804840007 |
US $4.96 |
||
|
16
|
16
898101027 Clip |
898101027 |
US $3.14 |
||
| replacement | |||||
|
16
|
16
803525004 CLIP |
803525004 |
US $3.14 |
||
|
17
|
17
95224 Clip, drain hose |
95224 |
US $3.14 |
||
|
18
|
18
898101272
Hose, rubber with arrow
|
898101272 |
— | ||
|
19
|
19
898261 Fitting, vent[0R232961] & Below |
898261 |
US $31.78 |
||
| replacement | |||||
|
19
|
19
898261001 Fitting, vent[0R232961] & Below |
898261001 |
US $31.78 |
||
|
19
|
19
898261001 Fitting, vent[0R232962] & Up |
898261001 |
US $31.78 |
||
|
20
|
20
898101111 Tie strap |
898101111 |
US $0.51 |
||
| replacement | |||||
|
20
|
20
816311T Tie Strap (8.00 Inches) |
816311T |
US $0.51 |
||
|
21
|
21
56762 New Genuine Part |
56762 |
US $0.35 |
||
|
22
|
22
898101273 New Genuine Part |
898101273 |
US $6.03 |
||
|
23
|
23
898101224 Air vent assy |
898101224 |
US $44.30 |
||
|
24
|
24
95395 Clip, stainless steel, fuel line |
95395 |
US $2.67 |
||
|
25
|
25
898101267 Hose, rubber, to fuel cooler |
898101267 |
US $40.56 |
||
| replacement | |||||
|
25
|
25
8M0120629 HOSE |
8M0120629 |
US $40.56 |
||
|
26
|
26
898101221 Hose, rubber |
898101221 |
US $6.14 |
||
| replacement | |||||
|
26
|
26
8M0073739 HOSE |
8M0073739 |
US $6.14 |
||
|
27
|
27
898101237 Clamp |
898101237 |
US $6.61 |
||
|
28
|
28
898101229 Hose, rubber , to bottom cowl |
898101229 |
US $6.26 |
||
|
29
|
29
898103T25 Vapor seperator |
898103T25 |
US $1,056.70 |
||
|
30
|
30
823042044 Bolt |
823042044 |
US $4.48 |
||
| replacement | |||||
|
30
|
30
8M0124428 Bolt |
8M0124428 |
US $4.40 |
||
|
31
|
31
8035631 Clamp |
8035631 |
US $4.99 |
||
| replacement | |||||
|
31
|
31
803563005 Clamp |
803563005 |
US $4.99 |
||
|
32
|
32
161404 Washer |
161404 |
US $3.71 |
||
|
33
|
33
8537437 Mount, rubber |
8537437 |
US $8.82 |
||
|
34
|
34
8537154 Spacer |
8537154 |
US $4.64 |
||
|
35
|
35
8518153 Grommet |
8518153 |
US $10.43 |
||
|
36
|
36
898101260 New Genuine Part |
898101260 |
US $3.60 |
||