Clamp bracket ((DF20AR P01)) Diagram Suzuki DF20A S/L; RS/L; T(H)S/L

Year
2014
Model
DF20A
Year
2014
Engine
02002F-410001~
Stroke (2-stroke or 4-stroke)
4 stroke
Power
20
Sales region
General Export No.1 (P01)
Colour
Shadow Black Metallic (0EP)

Difficulties in parts search?

Parts list
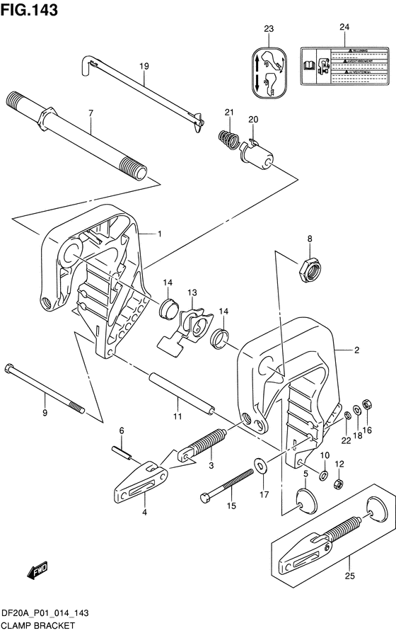
Clamp bracket

Difficulties in parts search?

Clamp bracket
Description OEM Part # Price
1
1

41111-89L00-0EP

BRACKET,CLAMP STBD

41111-89L00-0EP

US $171.70

2
2

41121-89L00-0EP

BRACKET,CLAMP PORT

41121-89L00-0EP

US $68.08

3
3

41211-99JL0-000

SCREW,CLAMP

41211-99JL0-000

US $11.30

4
4

41212-91J00-000

HANDLE,CLAMP

41212-91J00-000

US $10.34

5
5
41213-98100-000
PLATE,CLAMP

41213-98100-000

replacement
5
5

41213-94J01-000

PLATE,CLAMP

41213-94J01-000

US $3.04

6
6

09205-06007-000

PIN,SPRING(6X25)

Pin (6x27)

09205-06007-000

from US $1.60

7
7

41130-89L00-000

SHAFT,CLAMP BRACKET

41130-89L00-000

US $146.69

8
8

09159-22006-000

NUT

09159-22006-000

from US $22.40

9
9

09100-06178-000

BOLT(6X150)

09100-06178-000

US $36.40

10
10

09160-06082-000

WASHER(6.5X13X1.0)

09160-06082-000

from US $0.96

11
11

09180-06366-000

SPACER(6.5X10.5X114)

09180-06366-000

US $97.20

12
12

29141-93J00-000

NUT

29141-93J00-000

from US $1.60

13
13

45261-89L00-000

LEVER,RELEASE

45261-89L00-000

US $11.70

14
14
09306-22006-000
BUSH(22.6X27X8)

09306-22006-000

replacement
14
14

59315-94J00-000

New Genuine Part

59315-94J00-000

US $1.66

15
15

09100-08311-000

BOLT(8X90)

09100-08311-000

US $32

16
16

09140-08023-XC0

NUT

09140-08023-XC0

from US $1.93

17
17

09160-08081-000

WASHER(8.5X23X1.5)

Washer, clutch lever

09160-08081-000

from US $4.05

18
18

29162-93J10-000

WASHER(8.2X21.5X3)

Lock washer (8.2x15.4x2.0)

29162-93J10-000

US $1.49

19
19
45420-89L00-000
PIN,TILT LOCK

45420-89L00-000

replacement
19
19

45420-89L01-000

PIN COMP,TILT LOCK

45420-89L01-000

US $29.81

20
20
45425-94J00-000
Stopper

45425-94J00-000

replacement
20
20

45425-94J01-000

STOPPER,TILT LOCK PIN

45425-94J01-000

US $2.08

21
21

09441-17001-000

SPRING

09441-17001-000

US $2.24

22
22

09160-08170-000

WASHER(8.5X16X2)

09160-08170-000

US $8.50

23
23

45269-89L00-000

MARK,REVERSE LOCK

45269-89L00-000

US $1.25

24
24

69911-91J40-000

MARK,CLAMP BRACKET

69911-91J40-000

US $2.43

25
25
41210-99JL1-000
SCREW ASSY,CLAMP

OPT

41210-99JL1-000

Clamp bracket ((DF20AR P01)) Diagram Suzuki DF20A S/L; RS/L; T(H)S/L Shadow Black Metallic (0EP) General Export No.1 (P01) 14394334-806230