Cylinder block Diagram Suzuki DF20A S/L; RS/L; T(H)S/L

Year
2016
Model
DF20A
Year
2016
Engine
02002F-610001~
Stroke (2-stroke or 4-stroke)
4 stroke
Power
20
Sales region
U.S.A. (P03)
Colour
Shadow Black Metallic (0EP)

Difficulties in parts search?

Parts list
Cylinder block

Difficulties in parts search?

Cylinder block
Description OEM Part # Price
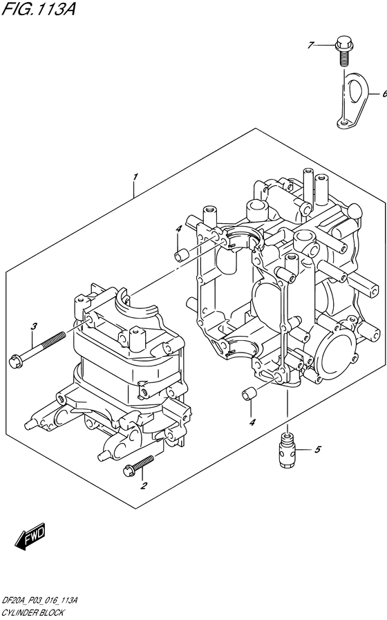
1
1
11300-89L02-000
BLOCK ASSY,CYLINDER

11300-89L02-000

replacement
1
1

11300-89L03-000

BLOCK ASSY,CYLINDER

11300-89L03-000

US $848.16

2
2

01550-06357-000

BOLT

Bolt, throttle lever no.2

01550-06357-000

from US $0.91

3
3

01560-08757-000

Bolt

01560-08757-000

from US $1.52

4
4

04211-11129-000

PIN

04211-11129-000

from US $0.95

5
5

16440-11D00-000

REGULATOR,ENGINE OIL(6.5K)

Regulator, engine oil

16440-11D00-000

from US $27.97

6
6

11291-91B50-000

HOOK,ENGINE

OPT

11291-91B50-000

US $6.84

7
7

01550-08207-000

BOLT

OPT

01550-08207-000

from US $0.96

Cylinder block Diagram Suzuki DF20A S/L; RS/L; T(H)S/L Shadow Black Metallic (0EP) U.S.A. (P03) 17012319-864667