Ptt switch ((DF20ATH P01)) Diagram Suzuki DF20A S/L; RS/L; T(H)S/L

Year
2017
Model
DF20A
Year
2017
Engine
02002F-710001~
Stroke (2-stroke or 4-stroke)
4 stroke
Power
20
Sales region
General Export No.1 (P01)
Colour
Pearl Nebular Black (YAY)

Difficulties in parts search?

Parts list
Ptt switch

Difficulties in parts search?

Ptt switch
Description OEM Part # Price
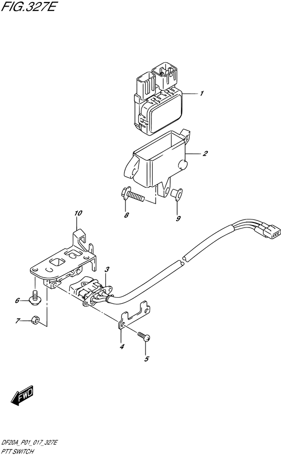
1
1
38410-93J20-000
RELAY ASSY,PTT

38410-93J20-000

replacement
1
1

38410-93J21-000

RELAY ASSY,PTT

38410-93J21-000

from US $101.05

2
2

38415-89L00-000

HOLDER,PT RELAY

38415-89L00-000

US $12.44

3
3

37850-94JA3-000

SWITCH ASSY,PT

37850-94JA3-000

US $62.93

4
4

37852-94JA0-000

PLATE,PTT SW

37852-94JA0-000

US $6.44

5
5

09125-05046-000

SCREW(5X12)

Screw (5x12)

09125-05046-000

from US $0.96

6
6

29103-93J00-000

BOLT

Bolt, ptt cable clip bracket (6x12)

29103-93J00-000

US $1.44

7
7

09140-05005-000

NUT

09140-05005-000

from US $1.22

8
8

09116-06517-000

BOLT(6X25)

09116-06517-000

from US $2.25

9
9

09169-06062-000

WASHER

Washer

09169-06062-000

from US $1.12

10
10

37851-89L00-000

HOLDER,PT SW

37851-89L00-000

US $18.58

Ptt switch ((DF20ATH P01)) Diagram Suzuki DF20A S/L; RS/L; T(H)S/L Pearl Nebular Black (YAY) General Export No.1 (P01) 17010564-864661