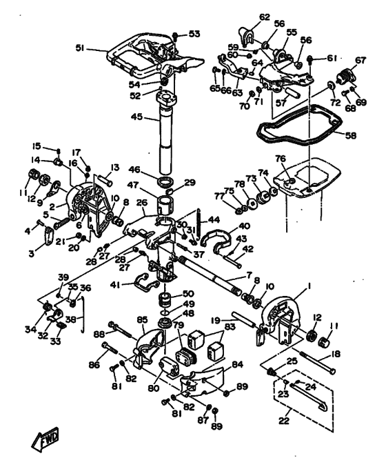
Bracket 1 Diagram Yamaha 20 MHS/L
- Year
- 1997
- Model
- 20C
- Model code
- 6A9
- Year
- 1997
- Stroke (2-stroke or 4-stroke)
- 2 stroke
- Power
- 20
- Sales region
- Europe (999)
- Colour
- Dark Bluish Gray Metallic 2 (DBNM2; 004D)
Difficulties in parts search?
Difficulties in parts search?
| Description | OEM Part # | Price | |||
|---|---|---|---|---|---|
|
1
|
1
689-43111-03-4D Bracket, Clamp 1 |
689-43111-03-4D |
US $157.50 |
||
| replacement | |||||
|
1
|
1
689-43111-03-8D BRACKET CLAMP 1 |
689-43111-03-8D |
from US $157.50 |
||
|
2
|
2
689-43112-02-4D Bracket, Clamp 2 |
689-43112-02-4D |
US $157.50 |
||
| replacement | |||||
|
2
|
2
689-43112-02-8D BRACKET, CLAMP 2 |
689-43112-02-8D |
from US $157.50 |
||
|
3
|
3
6E0-43118-01-00
Handle, Transom Clamp
|
6E0-43118-01-00 |
— | ||
| replacements | |||||
|
3
|
3
6L8-G3118-01-00 Handle Transom Clamp |
6L8-G3118-01-00 |
US $11.19 |
||
|
3
|
3
6EE-G3118-00-00 Handle, Transom Clamp |
6EE-G3118-00-00 |
from US $6.89 |
||
|
4
|
4
90243-04M01-00 Pin |
90243-04M01-00 |
from US $2.41 |
||
|
5
|
5
6E7-43116-00-00
Screw, Transom Clamp
|
6E7-43116-00-00 |
— | ||
| replacements | |||||
|
5
|
5
6L2-43116-00-00 Screw, Transom Clamp |
6L2-43116-00-00 |
from US $27.77 |
||
|
5
|
5
90149-14M03-00 Screw, Spec''l Shape |
90149-14M03-00 |
from US $9.26 |
||
|
6
|
6
648-43114-01-00 Pad, Transom Clamp |
648-43114-01-00 |
from US $5.30 |
||
|
7
|
7
6J8-43131-01-00 Bolt, Clamp Bracket |
6J8-43131-01-00 |
from US $34.72 |
||
|
8
|
8
90386-22M67-00 Bush |
90386-22M67-00 |
from US $2.32 |
||
|
9
|
9
6J8-43113-01-00 Plate, Clamp Bracket |
6J8-43113-01-00 |
from US $6.52 |
||
|
10
|
10
90201-22M03-00 Washer, Plate |
90201-22M03-00 |
from US $2.66 |
||
|
11
|
11
6G5-43145-00-00 Cap, Clamp Bracket |
6G5-43145-00-00 |
US $7.23 |
||
| replacement | |||||
|
11
|
11
6G5-43145-01-00 Cap, Clamp Bracket |
6G5-43145-01-00 |
from US $6.62 |
||
|
12
|
12
90185-22M11-00 Nut, Self-Locking |
90185-22M11-00 |
US $33.44 |
||
| replacement | |||||
|
12
|
12
90185-22007-00 Nut, Self-Locking |
90185-22007-00 |
from US $23.16 |
||
|
13
|
13
689-43191-00-00 Shaft, Stopper |
689-43191-00-00 |
from US $8.28 |
||
|
14
|
14
689-43192-01-00 Knob, Stopper |
689-43192-01-00 |
from US $3.64 |
||
|
15
|
15
91690-30016-00 Pin, Spring |
91690-30016-00 |
from US $2 |
||
|
16
|
16
93700-06M03-00 Nipple, Grease |
93700-06M03-00 |
from US $2.66 |
||
|
17
|
17
663-45119-00-00 Cap, Grease Nipple |
663-45119-00-00 |
US $3.68 |
||
|
18
|
18
90101-08339-00 Bolt |
90101-08339-00 |
from US $8.93 |
||
|
19
|
19
90387-08M03-00 Collar |
90387-08M03-00 |
US $8.93 |
||
| replacement | |||||
|
19
|
19
90387-09019-00 COLLAR |
90387-09019-00 |
from US $7.28 |
||
|
20
|
20
92990-08600-00 Washer, Plate |
92990-08600-00 |
from US $1.34 |
||
|
21
|
21
953-80086-00-00
Nut, Hex
|
953-80086-00-00 |
— | ||
| replacements | |||||
|
21
|
21
997-80086-00-00 Nut, Hex |
997-80086-00-00 |
from US $1.59 |
||
|
21
|
21
988-80081-00-00 Ybs55-8 Nut (644) |
988-80081-00-00 |
from US $1.57 |
||
|
22
|
22
689-43160-00-00 Tilt Rod Assy |
689-43160-00-00 |
from US $20.18 |
||
|
23
|
23
689-43165-00-00 Plate, Tilt Lock |
689-43165-00-00 |
from US $5.95 |
||
| replacement | |||||
|
23
|
23
6EE-G3165-00-00 Plate, Tilt Lock |
6EE-G3165-00-00 |
from US $5.38 |
||
|
24
|
24
91690-30008-00 Pin, Spring |
91690-30008-00 |
from US $1.56 |
||
|
25
|
25
90502-10M07-00 Spring, Conical |
90502-10M07-00 |
from US $1.66 |
||
|
26
|
26
689-43311-03-4D Bracket, Swivel 1 |
689-43311-03-4D |
US $251.45 |
||
|
27
|
27
93700-06M03-00 Nipple, Grease |
93700-06M03-00 |
from US $2.66 |
||
|
28
|
28
663-45119-00-00 Cap, Grease Nipple |
663-45119-00-00 |
US $3.68 |
||
|
29
|
29
648-42528-00-00 Plate, Friction |
648-42528-00-00 |
US $10.77 |
||
|
30
|
30
689-43373-01-00 Seal, Damper |
689-43373-01-00 |
US $4.53 |
||
|
31
|
31
90105-06M18-00 Bolt, Flange |
90105-06M18-00 |
from US $2.74 |
||
|
32
|
32
689-43631-00-00 Lever, Tilt |
689-43631-00-00 |
US $14.03 |
||
| replacement | |||||
|
32
|
32
689-43631-10-00 lever, tilt |
689-43631-10-00 |
from US $14.03 |
||
|
33
|
33
689-43633-00-00 Cover, Tilt Lever |
689-43633-00-00 |
US $4.11 |
||
|
34
|
34
689-43643-00-00 Spring |
689-43643-00-00 |
from US $3.98 |
||
|
35
|
35
689-43616-00-00 Rod, Tilt Lock |
689-43616-00-00 |
from US $6.80 |
||
|
36
|
36
648-43642-00-00 Lever, Tilt 1 |
648-43642-00-00 |
from US $6.94 |
||
|
37
|
37
90249-06M22-00 Pin |
90249-06M22-00 |
from US $2.41 |
||
|
38
|
38
648-43617-00-00 Rod, Tilt Lock |
648-43617-00-00 |
from US $4.30 |
||
|
39
|
39
99080-05600-00 Circlip |
99080-05600-00 |
from US $1.56 |
||
|
40
|
40
689-43614-00-00 Etrier, Verrouillage Marche Ar |
689-43614-00-00 |
US $28.76 |
||
| replacement | |||||
|
40
|
40
689-43614-01-00 Plate, Tilt Lock |
689-43614-01-00 |
from US $28.76 |
||
|
41
|
41
648-43615-00-00 Plate, Tilt Lock |
648-43615-00-00 |
from US $19.27 |
||
|
42
|
42
90240-05046-00 Boulon, A Goupille |
90240-05046-00 |
US $14.78 |
||
|
43
|
43
91490-16010-00 Pin. Cotter |
91490-16010-00 |
from US $1.34 |
||
|
44
|
44
90506-30M27-00 Spring, Tension |
90506-30M27-00 |
from US $8.94 |
||
|
45
|
45
689-42521-00-94 Shaft, Steering Pivot |
689-42521-00-94 |
from US $71.42 |
||
|
46
|
46
90209-47016-00 Washer |
90209-47016-00 |
from US $4.68 |
||
|
47
|
47
90386-47M22-00 Bush |
90386-47M22-00 |
from US $9.78 |
||
|
48
|
48
90386-38022-00 Bush |
90386-38022-00 |
from US $4.53 |
||
|
49
|
49
93210-37M67-00 O-Ring (6G8) |
93210-37M67-00 |
from US $2.55 |
||
|
50
|
50
90386-38090-00 Bush |
90386-38090-00 |
from US $9.78 |
||
|
51
|
51
689-42511-01-4D Cadre, Direction |
689-42511-01-4D |
US $147.73 |
||
| replacement | |||||
|
51
|
51
689-42511-02-8D
BRACKET, STEERING
|
689-42511-02-8D |
— | ||
|
52
|
52
93608-12063-00 Pin, Dowel |
93608-12063-00 |
from US $1.66 |
||
|
53
|
53
90105-06M07-00 Bolt, Flange |
90105-06M07-00 |
from US $2.16 |
||
|
54
|
54
90480-29045-00 Grommet |
90480-29045-00 |
from US $2.98 |
||
|
55
|
55
648-44518-01-94 Bracket Comp |
648-44518-01-94 |
US $128.49 |
||
| replacement | |||||
|
55
|
55
648-44518-01-CA Bracket Comp |
648-44518-01-CA |
from US $71.42 |
||
|
56
|
56
90381-12M01-00 Bush, Solid |
90381-12M01-00 |
from US $3.83 |
||
|
57
|
57
90387-10M39-00 Collar |
90387-10M39-00 |
from US $9.07 |
||
|
58
|
58
689-42716-00-00
Rubber, Seal 1
|
689-42716-00-00 |
— | ||
|
59
|
59
93700-06M03-00 Nipple, Grease |
93700-06M03-00 |
from US $2.66 |
||
|
60
|
60
663-45119-00-00 Cap, Grease Nipple |
663-45119-00-00 |
US $3.68 |
||
|
61
|
61
90105-06M08-00 Bolt, Flange |
90105-06M08-00 |
from US $2.16 |
||
|
62
|
62
689-42718-00-00 Rubber, Seal 3 |
689-42718-00-00 |
US $8.22 |
||
|
63
|
63
648-44519-00-94 Bracket |
648-44519-00-94 |
US $26.49 |
||
| replacement | |||||
|
63
|
63
648-44519-00-00 Bracket |
648-44519-00-00 |
from US $26.49 |
||
|
64
|
64
936-06120-19-00 Pin, Dowel |
936-06120-19-00 |
from US $2.69 |
||
|
65
|
65
97080-06018-00 Bolt (Fj0) |
97080-06018-00 |
from US $4.11 |
||
|
66
|
66
929-90066-00-00 Washer, Plain (646) |
929-90066-00-00 |
from US $1.07 |
||
|
67
|
67
689-44516-00-00 Mount Damper, Upper Front |
689-44516-00-00 |
from US $51.92 |
||
|
68
|
68
97095-06020-00 Bolt |
97095-06020-00 |
US $1.56 |
||
| replacement | |||||
|
68
|
68
970-80060-20-00 Bolt |
970-80060-20-00 |
from US $1.56 |
||
|
69
|
69
929-90066-00-00 Washer, Plain (646) |
929-90066-00-00 |
from US $1.07 |
||
|
70
|
70
95380-10600-00 Ecrou |
95380-10600-00 |
from US $2 |
||
|
71
|
71
92990-10200-00 Washer, Plain |
92990-10200-00 |
from US $1.07 |
||
|
72
|
72
648-44591-A0-00 Gasket |
648-44591-A0-00 |
from US $4.39 |
||
|
73
|
73
664-44514-00-94 Mount Damper, Upper Side |
664-44514-00-94 |
US $54.71 |
||
| replacement | |||||
|
73
|
73
664-44514-00-00 Mount Damper, Upper Side |
664-44514-00-00 |
from US $54.71 |
||
|
74
|
74
648-44591-A0-00 Gasket |
648-44591-A0-00 |
from US $4.39 |
||
|
75
|
75
92990-10200-00 Washer, Plain |
92990-10200-00 |
from US $1.07 |
||
|
76
|
76
95380-10600-00 Ecrou |
95380-10600-00 |
from US $2 |
||
|
77
|
77
95380-10800-00 Nut |
95380-10800-00 |
from US $3.12 |
||
|
78
|
78
664-44591-A0-00 Gasket |
664-44591-A0-00 |
from US $4.39 |
||
|
79
|
79
689-44557-00-00 Mount Damper, Lower Front |
689-44557-00-00 |
from US $15.16 |
||
|
80
|
80
689-44553-00-94 Cover, Lower Mount |
689-44553-00-94 |
US $58.58 |
||
| replacement | |||||
|
80
|
80
689-44553-00-00 Cover, Lower Mount |
689-44553-00-00 |
from US $42.93 |
||
|
81
|
81
97095-08025-00 Bolt |
97095-08025-00 |
from US $2.98 |
||
| replacement | |||||
|
81
|
81
98980-08025-00 Screw, Bind (98902-08025-00) |
98980-08025-00 |
from US $5.24 |
||
|
82
|
82
92990-08600-00 Washer, Plate |
92990-08600-00 |
from US $1.34 |
||
|
83
|
83
689-44555-00-00 Mount Damper, Lower Side |
689-44555-00-00 |
from US $16.51 |
||
|
84
|
84
689-44551-01-4D Housing, Lower Mount Rubber 1 |
689-44551-01-4D |
US $63.97 |
||
| replacement | |||||
|
84
|
84
689-44551-01-8D Housing, Lower Mount |
689-44551-01-8D |
from US $52.15 |
||
|
85
|
85
689-44552-01-4D Housing, Lower Mount Rubber 2 |
689-44552-01-4D |
US $63.97 |
||
| replacement | |||||
|
85
|
85
689-44552-01-8D Housing, Lower Mount |
689-44552-01-8D |
from US $63.97 |
||
|
86
|
86
97095-08065-00
Bolt
|
97095-08065-00 |
— | ||
| replacement | |||||
|
86
|
86
970-80080-65-00 Bolt |
970-80080-65-00 |
from US $13.80 |
||
|
87
|
87
92990-08600-00 Washer, Plate |
92990-08600-00 |
from US $1.34 |
||
|
88
|
88
90119-08M03-00 Bolt, With Washer |
90119-08M03-00 |
from US $6.23 |
||
|
89
|
89
953-80086-00-00
Nut, Hex
|
953-80086-00-00 |
— | ||
| replacements | |||||
|
89
|
89
997-80086-00-00 Nut, Hex |
997-80086-00-00 |
from US $1.59 |
||
|
89
|
89
988-80081-00-00 Ybs55-8 Nut (644) |
988-80081-00-00 |
from US $1.57 |
||