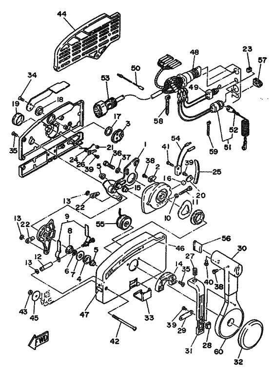
Remote control assy 2 Diagram Yamaha 20 MHS/L
- Year
- 1986
- Model
- 20C
- Model code
- 6A9
- Year
- 1986
- Stroke (2-stroke or 4-stroke)
- 2 stroke
- Power
- 20
- Sales region
- Europe (999)
- Colour
- Metallic Marine Blue (MMB; 00EJ)
Difficulties in parts search?
Difficulties in parts search?
| Description | OEM Part # | Price | |||
|---|---|---|---|---|---|
|
1
|
1
703-48320-10-00
Cable, Remote Control
|
703-48320-10-00 |
— | ||
|
1
|
1
703-48220-10-00 Remote Control AssyRemote control assy (for twin lever) |
703-48220-10-00 |
US $842.16 |
||
| replacement | |||||
|
1
|
1
703-48220-17-00 Remote Control Assy (7P) |
703-48220-17-00 |
US $842.16 |
||
|
1
|
1
703-48261-00-00 Arm, Throttle |
703-48261-00-00 |
US $79.58 |
||
| replacement | |||||
|
1
|
1
703-48261-01-00 Arm, Throttle |
703-48261-01-00 |
from US $79.58 |
||
|
2
|
2
703-82554-00-00
Stay, Neutral Switch
|
703-82554-00-00 |
— | ||
| replacement | |||||
|
2
|
2
999-99999-99-00
Not Available
|
999-99999-99-00 |
— | ||
|
3
|
3
703-48153-00-00 Shaft, Free Accel |
703-48153-00-00 |
from US $21.54 |
||
|
4
|
4
702-48235-00-00 Bushing |
702-48235-00-00 |
US $3.54 |
||
| replacement | |||||
|
4
|
4
703-48235-00-00 Bushing |
703-48235-00-00 |
from US $3.54 |
||
|
5
|
5
703-48273-00-00
Bushing
|
703-48273-00-00 |
— | ||
|
6
|
6
703-48197-00-00
Washer, Wave
|
703-48197-00-00 |
— | ||
| replacement | |||||
|
6
|
6
999-99999-99-00
Not Available
|
999-99999-99-00 |
— | ||
|
7
|
7
703-48268-00-00 Spacer |
703-48268-00-00 |
from US $1.56 |
||
|
8
|
8
703-48263-00-00 Bushing |
703-48263-00-00 |
US $1.32 |
||
|
9
|
9
703-48264-00-00 Friction, Throttle |
703-48264-00-00 |
from US $11.76 |
||
|
10
|
10
95380-05600-00 Nut |
95380-05600-00 |
from US $1.42 |
||
|
11
|
11
97380-05025-00 Bolt |
97380-05025-00 |
US $4.11 |
||
| replacements | |||||
|
11
|
11
970-95050-25-00
Bolt, Hexagon
|
970-95050-25-00 |
— | ||
|
11
|
11
970-80050-25-00
Bolt, Hexagon
|
970-80050-25-00 |
— | ||
|
12
|
12
703-48265-00-00 Shaft, Friction |
703-48265-00-00 |
from US $3.74 |
||
|
13
|
13
94320-06024-00
Band, Rim
|
94320-06024-00 |
— | ||
|
14
|
14
703-48245-00-00 Plate, Lock |
703-48245-00-00 |
from US $6.80 |
||
|
15
|
15
703-48252-00-00 Roller, Cam |
703-48252-00-00 |
from US $6.94 |
||
|
16
|
16
701-48248-00-00 Roller, Free Accel |
701-48248-00-00 |
from US $1.98 |
||
|
17
|
17
703-48198-00-00 Washer, Wave |
703-48198-00-00 |
from US $1.56 |
||
|
18
|
18
703-48243-00-00 Bushing |
703-48243-00-00 |
from US $1.70 |
||
|
19
|
19
703-48236-00-00 Bushing 1 |
703-48236-00-00 |
from US $1.34 |
||
|
20
|
20
703-48189-00-00 Retainer |
703-48189-00-00 |
from US $2.13 |
||
|
21
|
21
703-48234-00-00 Roller, Detent |
703-48234-00-00 |
from US $2.55 |
||
|
22
|
22
703-48345-00-00 Cable End,remote Control 2 |
703-48345-00-00 |
US $4.39 |
||
| replacement | |||||
|
22
|
22
703-48345-01-00 Cable End, Remote Control 2 |
703-48345-01-00 |
from US $4.39 |
||
|
23
|
23
703-48358-00-00 Anchor, Cable |
703-48358-00-00 |
US $3.26 |
||
|
24
|
24
703-48244-00-00 Spring, Free Accel |
703-48244-00-00 |
from US $2.41 |
||
|
25
|
25
703-48238-00-00 Spring, Detent |
703-48238-00-00 |
from US $1.56 |
||
|
26
|
26
703-48246-00-00 Spacer |
703-48246-00-00 |
from US $2.98 |
||
|
27
|
27
703-48227-00-00 Spring, Neutral Lock |
703-48227-00-00 |
from US $2.13 |
||
|
28
|
28
703-82594-00-00 Clamp |
703-82594-00-00 |
from US $2.13 |
||
|
29
|
29
703-48226-00-00 Plate, Stopper |
703-48226-00-00 |
from US $1.70 |
||
|
30
|
30
703-48222-00-00 Grip, Control LeverU.R. |
703-48222-00-00 |
from US $14.59 |
||
|
30
|
30
703-48222-10-00 Grip, Control LeverU.R. |
703-48222-10-00 |
from US $16.15 |
||
|
31
|
31
703-48223-00-00 Lock, Neutral |
703-48223-00-00 |
from US $14.59 |
||
|
32
|
32
703-48225-00-00 Cover |
703-48225-00-00 |
from US $3.68 |
||
|
33
|
33
703-48219-00-00 Cover, Lead |
703-48219-00-00 |
from US $4.68 |
||
|
34
|
34
98780-05012-00 Screw, Flat Head |
98780-05012-00 |
from US $2.69 |
||
|
35
|
35
98780-05016-00 Screw, Flat Head |
98780-05016-00 |
from US $2.13 |
||
|
36
|
36
98380-08030-00 Screw, Cylinder Head |
98380-08030-00 |
US $2.69 |
||
| replacement | |||||
|
36
|
36
97080-08030-00 Bolt |
97080-08030-00 |
from US $2.69 |
||
|
37
|
37
92990-08600-00 Washer, Plate |
92990-08600-00 |
from US $1.34 |
||
|
38
|
38
985-80040-10-00 Screw, Pan Head |
985-80040-10-00 |
from US $1.07 |
||
|
39
|
39
98580-04006-00 Screw, Pan Head |
98580-04006-00 |
from US $1.56 |
||
|
40
|
40
985-80050-10-00
Screw, Pan Head
|
985-80050-10-00 |
— | ||
| replacement | |||||
|
40
|
40
97885-05010-00 Screw, Pan Head |
97885-05010-00 |
from US $1.01 |
||
|
41
|
41
98580-03015-00 Screw, Pan Head |
98580-03015-00 |
US $1.98 |
||
| replacement | |||||
|
41
|
41
98580-03014-00 Screw |
98580-03014-00 |
from US $1.98 |
||
|
42
|
42
92680-06090-00 Screw, Oval Head |
92680-06090-00 |
US $11.90 |
||
| replacement | |||||
|
42
|
42
703-44189-10-00 Screw |
703-44189-10-00 |
from US $11.90 |
||
|
43
|
43
95380-06600-00 Nut, Hexagon |
95380-06600-00 |
from US $1.07 |
||
|
44
|
44
703-48293-10-00 Spacer, Remote ControlU.R. |
703-48293-10-00 |
US $32.44 |
||
|
44
|
44
703-48293-00-00 Spacer, Remote ControlU.R. |
703-48293-00-00 |
from US $8.36 |
||
|
45
|
45
701-48287-00-00 Washer |
701-48287-00-00 |
from US $4.53 |
||
|
46
|
46
703-48215-00-00 Graphic |
703-48215-00-00 |
from US $18.28 |
||
|
47
|
47
702-48217-00-00
Mark 1
|
702-48217-00-00 |
— | ||
| replacement | |||||
|
47
|
47
999-99999-99-00
Not Available
|
999-99999-99-00 |
— | ||
|
48
|
48
703-82510-01-00
Main Switch Assy
|
703-82510-01-00 |
— | ||
| replacements | |||||
|
48
|
48
703-82510-13-00 Main Switch Assy |
703-82510-13-00 |
US $122.13 |
||
|
48
|
48
703-82510-18-00 Main Switch |
703-82510-18-00 |
US $103.84 |
||
|
48
|
48
703-82510-17-00 Main Switch Assy |
703-82510-17-00 |
US $213.95 |
||
|
48
|
48
703-82510-14-00 Main Switch Assy |
703-82510-14-00 |
from US $122.13 |
||
|
49
|
49
688-82574-00-00 Switch, Choke |
688-82574-00-00 |
US $51.40 |
||
| replacement | |||||
|
49
|
49
6K1-82574-00-00 Switch, Choke |
6K1-82574-00-00 |
from US $51.40 |
||
|
50
|
50
703-82531-00-00 Wire, Lead (L70) |
703-82531-00-00 |
from US $10.69 |
||
|
51
|
51
688-82575-01-00 Engine Stop Switch Assy |
688-82575-01-00 |
US $56.78 |
||
| replacement | |||||
|
51
|
51
688-82575-02-00 Engine Stop Switch Assy |
688-82575-02-00 |
from US $46.58 |
||
|
52
|
52
682-82556-00-00 Lanyard, Stop Switch |
682-82556-00-00 |
from US $10.13 |
||
|
53
|
53
688-82586-21-00 Extension, Wire Harness (49M |
688-82586-21-00 |
from US $136.08 |
||
|
54
|
54
703-82540-00-00 Neutral Switch Assy |
703-82540-00-00 |
from US $16.86 |
||
|
55
|
55
703-83383-00-00 Buzzer |
703-83383-00-00 |
US $36.34 |
||
| replacement | |||||
|
55
|
55
703-83383-11-00 Buzzer |
703-83383-11-00 |
from US $36.34 |
||
|
56
|
56
703-48224-00-00 Cover, Control Lever |
703-48224-00-00 |
from US $6.80 |
||
|
57
|
57
703-48284-00-00 Grommet |
703-48284-00-00 |
US $1.70 |
||
|
58
|
58
703-82591-00-00
Band
|
703-82591-00-00 |
— | ||
| replacement | |||||
|
58
|
58
1UA-82591-00-00 Band |
1UA-82591-00-00 |
from US $1.28 |
||
|
59
|
59
703-82592-00-00
Band
|
703-82592-00-00 |
— | ||
| replacement | |||||
|
59
|
59
80L-26397-00-00 Band |
80L-26397-00-00 |
from US $1.21 |
||
|
60
|
60
703-48221-00-00 Lever, Control |
703-48221-00-00 |
from US $61.76 |
||