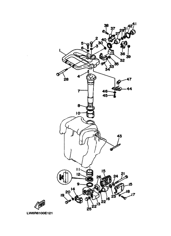
Alternate 4 Diagram Yamaha 40 M(W/E)HS/L

Year
1998
Model
40Q
Model code
6R6
Year
1998
Stroke (2-stroke or 4-stroke)
2 stroke
Power
40
Sales region
Europe (140)
Colour
Dark Bluish Gray Metallic 2 (DBNM2; 004D)

Difficulties in parts search?

Parts list
Alternate 4

Difficulties in parts search?

Alternate 4

Nothing

Alternate 4 Diagram Yamaha 40 M(W/E)HS/L Dark Bluish Gray Metallic 2 (DBNM2; 004D) Europe (140) 12815141-753680