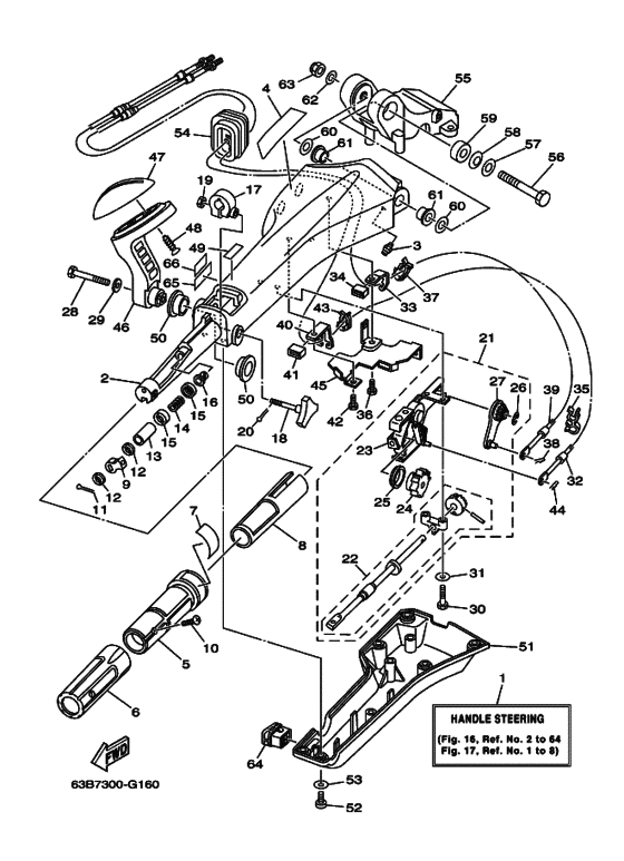
Steering 1 Diagram Yamaha 40 M(H/E/T)OS/L

Year
2008
Model
40V
Model code
63C
Year
2008
Stroke (2-stroke or 4-stroke)
2 stroke
Power
40
Sales region
Europe (170)
Colour
Dark Bluish Gray Metallic 2 (DBNM2; 004D)

Difficulties in parts search?

Parts list
Steering 1

Difficulties in parts search?

Steering 1

Nothing

Steering 1 Diagram Yamaha 40 M(H/E/T)OS/L Dark Bluish Gray Metallic 2 (DBNM2; 004D) Europe (170) 12816994-753735