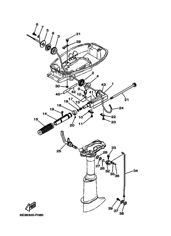
Control Diagram Yamaha 5 MHS/L
- Year
- 2008
- Model
- 5C
- Model code
- 6E3
- Year
- 2008
- Stroke (2-stroke or 4-stroke)
- 2 stroke
- Power
- 5
- Sales region
- Europe (040 / 100 / 120)
- Colour
- Dark Bluish Gray Metallic 2 (DBNM2; 004D)
Difficulties in parts search?
Difficulties in parts search?
| Description | OEM Part # | Price | |||
|---|---|---|---|---|---|
|
1
|
1
6E0-42111-02-4D
Handle, Steering
|
6E0-42111-02-4D |
— | ||
| replacement | |||||
|
1
|
1
6E0-42111-02-8D Handle, Steering |
6E0-42111-02-8D |
US $84.24 |
||
|
2
|
2
6E0-42129-02-00 Bushing, Rubber |
6E0-42129-02-00 |
US $6.94 |
||
| replacement | |||||
|
2
|
2
6E0-42129-03-00 Bushing, Rubber |
6E0-42129-03-00 |
US $14.99 |
||
|
3
|
3
6E4-42129-00-00 Bushing, Rubber |
6E4-42129-00-00 |
from US $7.93 |
||
|
4
|
4
90386-26M30-00 Bush |
90386-26M30-00 |
from US $6.94 |
||
|
5
|
5
6E0-42131-02-94 Cover, Handle Steering |
6E0-42131-02-94 |
from US $17.43 |
||
|
6
|
6
97013-05020-00 Bolt |
97013-05020-00 |
from US $3.26 |
||
|
7
|
7
929-03056-00-00
Washer, Plate
|
929-03056-00-00 |
— | ||
| replacement | |||||
|
7
|
7
92990-05600-00 Washer, Plate |
92990-05600-00 |
from US $1.07 |
||
|
8
|
8
90386-26M33-00 Bush |
90386-26M33-00 |
from US $6.66 |
||
|
9
|
9
6E0-42125-00-00 Bolt, Friction Adjusting |
6E0-42125-00-00 |
from US $7.23 |
||
|
10
|
10
6E0-42134-02-00 Cover, Throttle Lever |
6E0-42134-02-00 |
from US $5.67 |
||
|
11
|
11
978-85050-12-00 Screw, Pan Head |
978-85050-12-00 |
from US $1.70 |
||
| replacement | |||||
|
11
|
11
98580-05012-00 Screw, Pan Head |
98580-05012-00 |
from US $1.34 |
||
|
12
|
12
91490-12010-00 Pin. Cotter |
91490-12010-00 |
US $1.98 |
||
| replacement | |||||
|
12
|
12
91490-12012-00 Pin. Cotter |
91490-12012-00 |
from US $1.98 |
||
|
13
|
13
90202-07M22-00 Washer, Plate |
90202-07M22-00 |
from US $2.55 |
||
|
14
|
14
6E0-42119-00-00 Grip, Steering Handle |
6E0-42119-00-00 |
from US $17.71 |
||
|
15
|
15
6E0-42177-00-00 Rubber, Handle |
6E0-42177-00-00 |
US $15.16 |
||
| replacement | |||||
|
15
|
15
6E0-42177-01-00 Rubber, Handle |
6E0-42177-01-00 |
from US $15.16 |
||
|
16
|
16
6E0-42137-10-00 Indicator, Throttle |
6E0-42137-10-00 |
from US $7.93 |
||
|
17
|
17
90501-23215-00 Spring, Compression |
90501-23215-00 |
from US $3.40 |
||
|
18
|
18
90201-10119-00 Washer, Plate |
90201-10119-00 |
from US $1.42 |
||
|
19
|
19
901-4905M-13-00
Screw
|
901-4905M-13-00 |
— | ||
| replacement | |||||
|
19
|
19
901-52050-11-00 Screw, Countersunk |
901-52050-11-00 |
from US $1.34 |
||
|
20
|
20
90269-02M09-00 Rivet |
90269-02M09-00 |
from US $1.98 |
||
|
21
|
21
6E0-42138-01-00 Lever, Throttle |
6E0-42138-01-00 |
from US $7.94 |
||
|
22
|
22
6E0-42159-02-00 Stay |
6E0-42159-02-00 |
from US $6.38 |
||
|
23
|
23
978-85050-12-00 Screw, Pan Head |
978-85050-12-00 |
from US $1.70 |
||
| replacement | |||||
|
23
|
23
98580-05012-00 Screw, Pan Head |
98580-05012-00 |
from US $1.34 |
||
|
24
|
24
6E0-26301-01-00 Throttle Cable Assy |
6E0-26301-01-00 |
from US $13.18 |
||
|
25
|
25
6E4-44111-72-4D Handle, Gear Shift |
6E4-44111-72-4D |
US $41.72 |
||
| replacement | |||||
|
25
|
25
6GP-44111-00-8D HANDLE, GEAR SHIFT |
6GP-44111-00-8D |
from US $41.72 |
||
|
26
|
26
93210-12327-00 O-Ring |
93210-12327-00 |
from US $1.70 |
||
| replacement | |||||
|
26
|
26
93210-12790-00 O-Ring |
93210-12790-00 |
from US $1.34 |
||
|
27
|
27
90206-16M06-00 Washer, Wave |
90206-16M06-00 |
US $3.97 |
||
|
28
|
28
90202-16061-00 Washer, Plate |
90202-16061-00 |
from US $2.69 |
||
|
29
|
29
6E0-44116-00-00 Spring |
6E0-44116-00-00 |
from US $4.68 |
||
|
30
|
30
953-80067-00-00 Nut |
953-80067-00-00 |
from US $1.34 |
||
| replacement | |||||
|
30
|
30
9538R-06700-00 Nut |
9538R-06700-00 |
from US $1.42 |
||
|
31
|
31
95895-06012-00 Bolt, Flange |
95895-06012-00 |
from US $1.28 |
||
|
32
|
32
6E0-44121-00-00 Lever, Shift Rod |
6E0-44121-00-00 |
from US $9.78 |
||
|
33
|
33
95895-06025-00 Bolt, Flange |
95895-06025-00 |
US $1.42 |
||
| replacement | |||||
|
33
|
33
95D95-06025-00 Bolt, Flange Deep Re |
95D95-06025-00 |
from US $1.07 |
||
|
34
|
34
6E0-44143-00-00 Rod, ShiftS(17.5") |
6E0-44143-00-00 |
from US $16.09 |
||
|
34
|
34
6E0-44143-10-00 Rod, ShiftL(22.5") |
6E0-44143-10-00 |
from US $20.97 |
||
|
35
|
35
92990-05600-00 Washer, Plate |
92990-05600-00 |
from US $1.07 |
||
|
36
|
36
91490-16010-00 Pin. Cotter |
91490-16010-00 |
from US $1.34 |
||
|
37
|
37
6E0-44145-00-00 Connector, Shift Rod 1 |
6E0-44145-00-00 |
from US $12.61 |
||
|
38
|
38
6E0-44146-00-00 Connector, Shift Rod 2 |
6E0-44146-00-00 |
from US $12.61 |
||
|
39
|
39
95895-06020-00 Bolt, Flange |
95895-06020-00 |
US $1.42 |
||
| replacements | |||||
|
39
|
39
95880-06020-00 Bolt, Flange(Jk3) |
95880-06020-00 |
from US $1.56 |
||
|
39
|
39
95D95-06020-00 Bolt, Flange Deep Re |
95D95-06020-00 |
from US $1.07 |
||
|
39
|
39
95D95-06020-00 Bolt, Flange Deep Re |
95D95-06020-00 |
from US $1.07 |
||
|
40
|
40
6A1-2415A-41-00 Label, Caution |
6A1-2415A-41-00 |
from US $6.38 |
||
|
41
|
41
6A1-2415A-51-00 Label, Caution |
6A1-2415A-51-00 |
US $3.52 |
||
|
42
|
42
6E0-83627-41-00 Label, Caution 7 |
6E0-83627-41-00 |
from US $6.66 |
||
|
43
|
43
6E0-83627-51-00 Label, Caution 7 |
6E0-83627-51-00 |
US $3.67 |
||