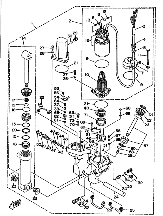
Power trim & tilt assy 2 Diagram Yamaha 70 ET(D/M)OL
- Year
- 1991
- Model
- 70B
- Model code
- 6H3
- Year
- 1991
- Stroke (2-stroke or 4-stroke)
- 2 stroke
- Power
- 70
- Sales region
- Europe (General) (999)
- Colour
- Metallic Marine Blue (MMB; 00EJ)
Difficulties in parts search?
Difficulties in parts search?
| Description | OEM Part # | Price | |||
|---|---|---|---|---|---|
|
01
|
01
6H1-43800-12-EJ
Power T/t Assembly
|
6H1-43800-12-EJ |
— | ||
| replacement | |||||
|
01
|
01
6H1-43800-19-EJ
Power Trim & Tilt Assy
|
6H1-43800-19-EJ |
— | ||
|
02
|
02
6H1-43880-00-00
Motor Assembly
|
6H1-43880-00-00 |
— | ||
|
03
|
03
6H1-43807-50-00
Wire Sub Assy
|
6H1-43807-50-00 |
— | ||
|
04
|
04
6H1-43866-50-00
O-Ring
|
6H1-43866-50-00 |
— | ||
|
05
|
05
6H1-43885-50-00
Grommet
|
6H1-43885-50-00 |
— | ||
|
06
|
06
6H1-43893-50-00
Washer
|
6H1-43893-50-00 |
— | ||
|
07
|
07
6H1-43881-50-00
Frame, End
|
6H1-43881-50-00 |
— | ||
|
08
|
08
6H1-43891-50-00
Brush 1
|
6H1-43891-50-00 |
— | ||
|
09
|
09
6H1-4389H-50-00
O-Ring
|
6H1-4389H-50-00 |
— | ||
|
10
|
10
6H1-43884-50-00
Frame, Commutator End
|
6H1-43884-50-00 |
— | ||
|
11
|
11
6H1-43887-50-00
Bolt, Through
|
6H1-43887-50-00 |
— | ||
|
12
|
12
6H1-43804-50-00
Stator Assy
|
6H1-43804-50-00 |
— | ||
|
13
|
13
6H1-4386K-50-00
Spring, Brush
|
6H1-4386K-50-00 |
— | ||
|
14
|
14
6H1-43840-11-00
Power Tilt Assy
|
6H1-43840-11-00 |
— | ||
| replacement | |||||
|
14
|
14
6H1-43840-12-00 Power Tilt Assy |
6H1-43840-12-00 |
from US $663.96 |
||
|
15
|
15
6H1-43861-10-00 O-Ring |
6H1-43861-10-00 |
from US $3.54 |
||
|
16
|
16
6H1-43814-11-00 Piston, Free |
6H1-43814-11-00 |
from US $44.35 |
||
|
17
|
17
6H1-43872-10-00 Ring, Back Up |
6H1-43872-10-00 |
from US $4.96 |
||
|
18
|
18
6H1-43861-00-00 O-Ring |
6H1-43861-00-00 |
US $4.68 |
||
| replacement | |||||
|
18
|
18
63P-43861-20-00 O-Ring |
63P-43861-20-00 |
from US $3.47 |
||
|
19
|
19
93210-18397-00 O-Ring |
93210-18397-00 |
from US $1.70 |
||
| replacement | |||||
|
19
|
19
932-10183-22-00 O-Ring |
932-10183-22-00 |
from US $1.70 |
||
|
20
|
20
6H1-43871-10-00
Ring, Back Up
|
6H1-43871-10-00 |
— | ||
| replacement | |||||
|
20
|
20
65W-43871-00-00 Ring, Back Up |
65W-43871-00-00 |
from US $10.92 |
||
|
21
|
21
6H1-43869-10-00
O-Ring
|
6H1-43869-10-00 |
— | ||
|
22
|
22
6H1-43835-10-00 Pipe |
6H1-43835-10-00 |
from US $51.26 |
||
|
23
|
23
90386-18M14-00 Bush |
90386-18M14-00 |
from US $2.32 |
||
|
24
|
24
6E5-43818-00-00 Pin, Lower Shock Mount |
6E5-43818-00-00 |
from US $44.05 |
||
|
25
|
25
6H1-43833-10-00 Pipe |
6H1-43833-10-00 |
from US $42.69 |
||
|
26
|
26
6H1-43834-00-00 Pipe |
6H1-43834-00-00 |
from US $42.69 |
||
|
27
|
27
97395-06020-00 Bolt, Hexagon |
97395-06020-00 |
US $1.56 |
||
| replacement | |||||
|
27
|
27
970-80060-20-00 Bolt |
970-80060-20-00 |
from US $1.56 |
||
|
28
|
28
929-90061-00-00
Washer, Spring
|
929-90061-00-00 |
— | ||
| replacement | |||||
|
28
|
28
929-95061-00-00 Washer, Spring |
929-95061-00-00 |
from US $0.99 |
||
|
29
|
29
6H1-43829-00-00 Plug, Reservoir |
6H1-43829-00-00 |
from US $10.48 |
||
|
30
|
30
93210-09350-00 O-Ring |
93210-09350-00 |
from US $1.35 |
||
| replacement | |||||
|
30
|
30
93210-09811-00 O-Ring |
93210-09811-00 |
from US $1.28 |
||
|
31
|
31
93210-06519-00 O-Ring |
93210-06519-00 |
from US $2.13 |
||
|
32
|
32
6T4-43802-00-00 Valve Sub Assembly |
6T4-43802-00-00 |
US $86.21 |
||
| replacement | |||||
|
32
|
32
6T4-43802-03-00 Valve Sub Assy |
6T4-43802-03-00 |
from US $86.21 |
||
|
33
|
33
6H1-43867-00-00 O-Ring |
6H1-43867-00-00 |
US $2.98 |
||
| replacement | |||||
|
33
|
33
93210-12N52-00 O-Ring |
93210-12N52-00 |
from US $1.84 |
||
|
34
|
34
6H1-43867-00-00 O-Ring |
6H1-43867-00-00 |
US $2.98 |
||
| replacement | |||||
|
34
|
34
93210-12N52-00 O-Ring |
93210-12N52-00 |
from US $1.84 |
||
|
35
|
35
6H1-43841-10-00
Piston, Shuttle
|
6H1-43841-10-00 |
— | ||
| replacement | |||||
|
35
|
35
999-99030-31-00 Piston, Shuttle |
999-99030-31-00 |
from US $110.25 |
||
|
36
|
36
6H1-43856-10-00 Spring, Down Relief |
6H1-43856-10-00 |
from US $1.98 |
||
|
37
|
37
6H1-43844-10-00 Pin, Valve Support |
6H1-43844-10-00 |
from US $13.74 |
||
|
38
|
38
6H1-4384G-11-00 Seal, Relief Valve |
6H1-4384G-11-00 |
from US $12.75 |
||
|
39
|
39
6H1-4384F-00-00
Seal, Main Valve
|
6H1-4384F-00-00 |
— | ||
| replacement | |||||
|
39
|
39
6H1-4384F-10-00 Seal, Main Valve |
6H1-4384F-10-00 |
from US $4.82 |
||
|
40
|
40
6H1-43817-01-00 Filter 2 |
6H1-43817-01-00 |
from US $6.94 |
||
|
41
|
41
6H1-43831-00-00 Connector, Shaft |
6H1-43831-00-00 |
from US $19.27 |
||
|
42
|
42
6H1-43830-11-00 Gear Pump Assy |
6H1-43830-11-00 |
from US $360.10 |
||
|
43
|
43
6H1-43847-00-00 Seat, Manual Valve |
6H1-43847-00-00 |
from US $5.81 |
||
|
44
|
44
6H1-43899-00-00 Spring, Manual Release |
6H1-43899-00-00 |
from US $2.98 |
||
|
45
|
45
6H1-4382A-10-00 Adaptor 1 |
6H1-4382A-10-00 |
from US $12.47 |
||
|
46
|
46
6H1-43854-00-00 Spring, Manual Release |
6H1-43854-00-00 |
from US $2.13 |
||
|
47
|
47
93210-10M74-00 O-Ring |
93210-10M74-00 |
US $2.13 |
||
|
48
|
48
6H1-43845-01-00 Screw, Manual Release |
6H1-43845-01-00 |
from US $34.40 |
||
|
49
|
49
93210-18M75-00 O-Ring |
93210-18M75-00 |
from US $2.27 |
||
|
50
|
50
6H1-43875-00-00 Ring, Snap |
6H1-43875-00-00 |
from US $2.98 |
||
|
51
|
51
6H1-43822-10-00 Seal, Trim Dust |
6H1-43822-10-00 |
from US $7.94 |
||
|
52
|
52
6H1-43821-11-00 Screw, Trim Cylinder End |
6H1-43821-11-00 |
from US $51.40 |
||
|
53
|
53
6H1-43861-10-00 O-Ring |
6H1-43861-10-00 |
from US $3.54 |
||
|
54
|
54
6H1-4384E-20-00 Spring, Trim |
6H1-4384E-20-00 |
from US $13.46 |
||
|
55
|
55
98501-05010-00 Screw, Pan Head |
98501-05010-00 |
US $1.21 |
||
| replacement | |||||
|
55
|
55
97885-05010-00 Screw, Pan Head |
97885-05010-00 |
from US $1.01 |
||
|
56
|
56
92990-05200-00 Washer, Plain |
92990-05200-00 |
from US $1.34 |
||
|
57
|
57
6H1-43820-11-00 Trim Piston Sub Assy |
6H1-43820-11-00 |
from US $193.42 |
||
|
58
|
58
6H1-43864-00-00 O-Ring |
6H1-43864-00-00 |
from US $3.32 |
||
|
59
|
59
913-16060-20-00
Bolt
|
913-16060-20-00 |
— | ||
| replacement | |||||
|
59
|
59
91317-06020-00 Bolt |
91317-06020-00 |
from US $1.07 |
||
|
60
|
60
6H1-43874-00-00 Ring, Back Up |
6H1-43874-00-00 |
from US $8.60 |
||
|
61
|
61
6H1-43816-00-00 Filter 1 |
6H1-43816-00-00 |
from US $19.55 |
||
|
62
|
62
6H1-43896-00-00 O-Ring |
6H1-43896-00-00 |
from US $3.54 |
||
| replacement | |||||
|
62
|
62
93210-11368-00 O-Ring (2H7) |
93210-11368-00 |
from US $3.54 |
||
|
63
|
63
6H1-43895-11-00 Seat, Relief Valve |
6H1-43895-11-00 |
US $18.99 |
||
| replacement | |||||
|
63
|
63
6H1-43895-12-00 Seat, Relief Valve |
6H1-43895-12-00 |
from US $18.99 |
||
|
64
|
64
6H1-43855-10-00 Spring Up Relief |
6H1-43855-10-00 |
from US $3.40 |
||
|
65
|
65
6H1-43843-11-00 Screw, Valve Lock |
6H1-43843-11-00 |
from US $24.65 |
||
|
66
|
66
6H1-4388E-11-00 Plug, Taper Screw |
6H1-4388E-11-00 |
from US $3.97 |
||
|
67
|
67
6H1-43868-00-00 O-Ring |
6H1-43868-00-00 |
from US $1.70 |
||
|
68
|
68
98501-04025-00 Screw, Pan Head |
98501-04025-00 |
US $1.21 |
||
| replacement | |||||
|
68
|
68
98517-04025-00 Screw, Pan Head |
98517-04025-00 |
from US $1.21 |
||
|
69
|
69
90201-04100-00
Washer, Plate
|
90201-04100-00 |
— | ||
|
70
|
70
6H1-4387J-00-00 Washer, Special 2 |
6H1-4387J-00-00 |
from US $8.78 |
||
|
71
|
71
6H1-4385H-00-00 Spring, Seal |
6H1-4385H-00-00 |
from US $7.92 |
||
|
72
|
72
93505-32038-00 Ball |
93505-32038-00 |
from US $0.47 |
||