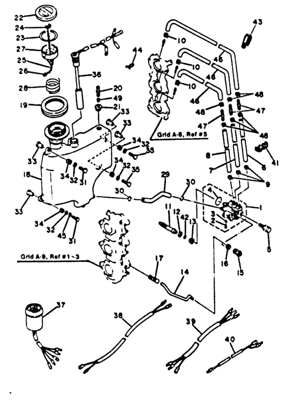
Oil pump Diagram Yamaha 70 (E)TLR
- Year
- 1985
- Model
- 70
- Year
- 1985
- Stroke (2-stroke or 4-stroke)
- 2 stroke
- Power
- 70
- Sales region
- U.S.A.
Difficulties in parts search?
Difficulties in parts search?
| Description | OEM Part # | Price | |||
|---|---|---|---|---|---|
|
1
|
1
6H1-13200-01-00 Oil Pump AssemblyOil pump assy |
6H1-13200-01-00 |
US $435.12 |
||
| replacement | |||||
|
1
|
1
6H1-WS132-00-00 Oil Injection Pump Set |
6H1-WS132-00-00 |
from US $354.08 |
||
|
2
|
2
6E5-13471-01-00
Drain Screw
|
6E5-13471-01-00 |
— | ||
|
3
|
3
6E5-13475-00-00 Gasket |
6E5-13475-00-00 |
US $1.70 |
||
| replacement | |||||
|
3
|
3
6G1-14398-00-00 Washer |
6G1-14398-00-00 |
from US $1.70 |
||
|
4
|
4
6E5-14562-00-00
O-Ring
|
6E5-14562-00-00 |
— | ||
|
5
|
5
90109-06M22-00 Bolt |
90109-06M22-00 |
US $10.67 |
||
|
6
|
6
90445-07M73-00 Hose |
90445-07M73-00 |
US $4.25 |
||
| replacement | |||||
|
6
|
6
904-4507M-90-00 Hose (L390) |
904-4507M-90-00 |
from US $3.98 |
||
|
7
|
7
90445-07M84-00 Hose |
90445-07M84-00 |
US $3.83 |
||
| replacement | |||||
|
7
|
7
90445-07MA3-00 Hose (L200) |
90445-07MA3-00 |
from US $2.32 |
||
|
8
|
8
90445-07M72-00 Hose (L250) |
90445-07M72-00 |
US $4.25 |
||
| replacements | |||||
|
8
|
8
904-4507M-90-00 Hose (L390) |
904-4507M-90-00 |
from US $3.98 |
||
|
8
|
8
999-99999-99-00
Not Available
|
999-99999-99-00 |
— | ||
|
9
|
9
90468-07M02-00 Clip |
90468-07M02-00 |
from US $2.41 |
||
|
10
|
10
90468-07M02-00 Clip |
90468-07M02-00 |
from US $2.41 |
||
|
11
|
11
6H3-11537-01-00 Gear, Driven |
6H3-11537-01-00 |
from US $55.68 |
||
|
12
|
12
90201-08M93-00 Washer, Plate |
90201-08M93-00 |
from US $2.55 |
||
|
13
|
13
6H1-13117-01-00 Collar, Distance |
6H1-13117-01-00 |
from US $18.32 |
||
|
14
|
14
6H3-41241-00-00
Rod 1
|
6H3-41241-00-00 |
— | ||
| replacement | |||||
|
14
|
14
999-99999-99-00
Not Available
|
999-99999-99-00 |
— | ||
|
15
|
15
6H1-41237-00-00 Joint, Link |
6H1-41237-00-00 |
from US $5.95 |
||
|
16
|
16
95303-05600-00 Nut |
95303-05600-00 |
from US $1.42 |
||
| replacement | |||||
|
16
|
16
95380-05600-00 Nut |
95380-05600-00 |
from US $1.42 |
||
|
17
|
17
6R5-41237-00-00 Joint, Link |
6R5-41237-00-00 |
from US $6.30 |
||
|
18
|
18
6H3-21707-01-00
Oil Tank
|
6H3-21707-01-00 |
— | ||
|
19
|
19
6H1-21735-00-00
Seal 2
|
6H1-21735-00-00 |
— | ||
|
20
|
20
6E5-21744-00-00 Breather |
6E5-21744-00-00 |
from US $6.23 |
||
|
21
|
21
904-8011M-36-00
Grommet
|
904-8011M-36-00 |
— | ||
|
22
|
22
6H1-21771-01-00 Body Cap |
6H1-21771-01-00 |
from US $19.84 |
||
|
22
|
22
999-99015-05-00 Cap Body & Gsk |
999-99015-05-00 |
from US $29.61 |
||
|
23
|
23
6H1-21772-01-00 Gasket Cap |
6H1-21772-01-00 |
from US $9.78 |
||
|
23
|
23
999-99015-05-00 Cap Body & Gsk |
999-99015-05-00 |
from US $29.61 |
||
|
24
|
24
6H1-24634-00-00 Hook, Chain Ball |
6H1-24634-00-00 |
from US $4.53 |
||
|
25
|
25
6H1-24633-00-00
Chain, Ball
|
6H1-24633-00-00 |
— | ||
|
26
|
26
6H1-21757-00-00 Washer, Special 1 |
6H1-21757-00-00 |
from US $2.13 |
||
|
27
|
27
6H1-24251-01-00
Strainer 1
|
6H1-24251-01-00 |
— | ||
|
28
|
28
90501-14M45-00
Spring, Compression
|
90501-14M45-00 |
— | ||
| replacement | |||||
|
28
|
28
999-99999-99-00
Not Available
|
999-99999-99-00 |
— | ||
|
29
|
29
6H1-21766-01-00 Pipe, Oil |
6H1-21766-01-00 |
from US $6.23 |
||
|
30
|
30
90467-08004-00 Clip |
90467-08004-00 |
from US $1.70 |
||
|
31
|
31
97313-06025-00 Bolt |
97313-06025-00 |
US $1.35 |
||
| replacement | |||||
|
31
|
31
90101-06M27-00 Bolt |
90101-06M27-00 |
from US $1.35 |
||
|
32
|
32
90201-06050-00 Washer, Plate |
90201-06050-00 |
US $1.56 |
||
| replacement | |||||
|
32
|
32
90201-06M08-00 Washer, Plate |
90201-06M08-00 |
from US $1.56 |
||
|
33
|
33
624-42542-00-00 Collar |
624-42542-00-00 |
US $6.23 |
||
| replacement | |||||
|
33
|
33
90387-06119-00 Collar |
90387-06119-00 |
from US $2.32 |
||
|
34
|
34
6A0-82317-00-00 Damper, Ignition Coil |
6A0-82317-00-00 |
from US $4.53 |
||
| replacement | |||||
|
34
|
34
6A0-82317-01-00 DAMPER IGNITION COIL |
6A0-82317-01-00 |
from US $1.34 |
||
|
35
|
35
97313-06030-00 Bolt |
97313-06030-00 |
from US $2.83 |
||
| replacement | |||||
|
35
|
35
97080-06030-00 Bolt |
97080-06030-00 |
from US $2.83 |
||
|
36
|
36
6H3-85720-10-00
Oil Level Gauge Ass''y
|
6H3-85720-10-00 |
— | ||
|
37
|
37
6H1-84301-00-00
Oil Indicator 2"
2" |
6H1-84301-00-00 |
— | ||
|
38
|
38
6H1-81971-00-00
Wire, Lead
|
6H1-81971-00-00 |
— | ||
|
39
|
39
6H1-84348-00-00
Wire, Lead 1
|
6H1-84348-00-00 |
— | ||
|
40
|
40
6H3-81315-00-00
Lead Wire Assembly
|
6H3-81315-00-00 |
— | ||
|
41
|
41
90464-07M05-00 Clamp |
90464-07M05-00 |
from US $5.09 |
||
|
42
|
42
93210-13595-00 O-Ring (25H) |
93210-13595-00 |
from US $3.12 |
||
| replacement | |||||
|
42
|
42
93210-13M04-00 O-Ring |
93210-13M04-00 |
from US $3.02 |
||
|
43
|
43
90465-08M23-00 Clamp |
90465-08M23-00 |
from US $3.54 |
||
|
44
|
44
904-65181-47-00 Clamp |
904-65181-47-00 |
from US $1.70 |
||
|
45
|
45
929-90066-00-00 Washer, Plain (646) |
929-90066-00-00 |
from US $1.07 |
||
|
46
|
46
904-4507M-87-00
Hose (L450)
|
904-4507M-87-00 |
— | ||
| replacement | |||||
|
46
|
46
90446-07M48-00 Hose (L450) |
90446-07M48-00 |
from US $2.66 |
||
|
47
|
47
6E5-13132-00-00 Joint |
6E5-13132-00-00 |
from US $3.40 |
||
|
48
|
48
90468-07M02-00 Clip |
90468-07M02-00 |
from US $2.41 |
||
|
49
|
49
904-8004M-37-00
Grommet
|
904-8004M-37-00 |
— | ||