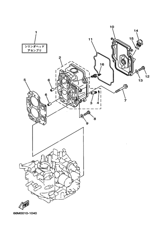
シリンダ. クランクケース 2 Diagram Yamaha F15 M(E/W)HS/L
- Year
- 2001
- Model
- F15A
- Model code
- 66M
- Year
- 2001
- Stroke (2-stroke or 4-stroke)
- 4 stroke
- Power
- 15
- Sales region
- Japan (180)
- Colour
- Dark Bluish Gray Metallic 2 (DBNM2; 004D)
Difficulties in parts search?
Difficulties in parts search?
| Description | OEM Part # | Price | |||
|---|---|---|---|---|---|
|
1
|
1
66M-W009A-01-1S
Cylinder Head Complete
シリンダヘツドアセンブリ; 参照; *1 |
66M-W009A-01-1S |
— | ||
| replacement | |||||
|
1
|
1
66M-W009A-13-1S
Cylinder Head Complete
シリンダヘツドアセンブリ; 参照; *1 |
66M-W009A-13-1S |
— | ||
|
2
|
2
66M-11111-01-1S Head, Cylinder 1 |
66M-11111-01-1S |
from US $722.04 |
||
|
3
|
3
66M-11133-10-00
Guide, Valve 1
.ガイド,インテークバルブ; |
66M-11133-10-00 |
— | ||
| replacement | |||||
|
3
|
3
66M-11133-29-00
Guide, Valve 1
.ガイド,インテークバルブ; |
66M-11133-29-00 |
— | ||
|
4
|
4
93450-09M01-00 Circlip.サークリツプ; |
93450-09M01-00 |
from US $1.49 |
||
|
5
|
5
66M-11181-00-00 Gasket, Cylinder Head 1 |
66M-11181-00-00 |
US $73.09 |
||
| replacement | |||||
|
5
|
5
66M-11181-10-00 Gasket, Cylinder Head 1 |
66M-11181-10-00 |
from US $51.58 |
||
|
6
|
6
995-10101-14-00
Pin, Dowel
ピン,ダウエル; |
995-10101-14-00 |
— | ||
| replacement | |||||
|
6
|
6
99530-10114-00 Pin, Dowelピン,ダウエル; |
99530-10114-00 |
from US $1.66 |
||
|
7
|
7
90105-08M78-00 Bolt, Flangeボルト,ワツシヤベースドヘツド; |
90105-08M78-00 |
from US $4.11 |
||
|
8
|
8
97013-06025-00 Boltボルト; |
97013-06025-00 |
from US $1.48 |
||
|
9
|
9
929-03066-00-00
Washer, Plate
ワツシヤ,プレート; |
929-03066-00-00 |
— | ||
| replacement | |||||
|
9
|
9
929-90066-00-00 Washer, Plain (646)ワツシヤ,プレート; |
929-90066-00-00 |
from US $1.07 |
||
|
10
|
10
66M-11191-00-1S Cover, Cylinder Head 1カバー,シリンダヘツド 1; |
66M-11191-00-1S |
from US $62.54 |
||
|
11
|
11
66M-11356-00-00 Seal, Cylinder 2シール,シリンダ 2; |
66M-11356-00-00 |
from US $9.78 |
||
|
12
|
12
97095-06020-00 Boltボルト; |
97095-06020-00 |
US $1.56 |
||
| replacement | |||||
|
12
|
12
970-80060-20-00 Boltボルト; |
970-80060-20-00 |
from US $1.56 |
||
|
13
|
13
929-95066-00-00
Washer, Plate
|
929-95066-00-00 |
— | ||
| replacement | |||||
|
13
|
13
929-90066-00-00 Washer, Plain (646) |
929-90066-00-00 |
from US $1.07 |
||
|
14
|
14
6G8-15363-00-00 Plug, Oilプラグ,オイル; |
6G8-15363-00-00 |
from US $4.64 |
||
|
15
|
15
932-1024M-79-00
O-Ring
O−リング; |
932-1024M-79-00 |
— | ||
| replacements | |||||
|
15
|
15
932-10242-35-00 O-RingO−リング; |
932-10242-35-00 |
from US $2.32 |
||
|
15
|
15
93210-24800-00 O-RingO−リング; |
93210-24800-00 |
from US $1.28 |
||
|
16
|
16
94703-00375-00 Plug, Spark (Ngk Dpr6Ea-9)プラグ,スパーク ; NGK DPR6EA−9 |
94703-00375-00 |
US $6.38 |
||