Generator Diagram Yamaha F15 M(E/W)HS/L
- Year
- 1998
- Model
- F15A
- Model code
- 66M
- Year
- 1998
- Stroke (2-stroke or 4-stroke)
- 4 stroke
- Power
- 15
- Sales region
- Europe (General) (999)
- Colour
- Dark Bluish Gray Metallic 2 (DBNM2; 004D)
Difficulties in parts search?
Difficulties in parts search?
| Description | OEM Part # | Price | |||
|---|---|---|---|---|---|
|
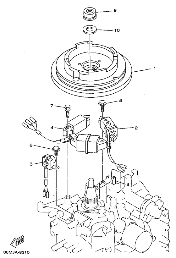
01
|
01
66M-85550-10-00 Rotor Assy (With Ring Gear)With ring gear |
66M-85550-10-00 |
from US $507.41 |
||
|
02
|
02
66M-85520-00-00 Coil, Charge |
66M-85520-00-00 |
US $112.19 |
||
|
03
|
03
66M-85580-00-00 Coil, Pulser |
66M-85580-00-00 |
from US $85.11 |
||
|
04
|
04
66M-85533-00-00
Coil, Lighting
6a |
66M-85533-00-00 |
— | ||
|
04
|
04
66M-85533-10-00
Coil, Lighting
10a |
66M-85533-10-00 |
— | ||
|
05
|
05
97595-06625-00 Bolt, With Washer |
97595-06625-00 |
US $1.07 |
||
|
06
|
06
97595-06516-00 Bolt, With Washer |
97595-06516-00 |
US $2.55 |
||
| replacement | |||||
|
06
|
06
90119-06M41-00 Bolt, With Washer |
90119-06M41-00 |
from US $2.74 |
||
|
07
|
07
97595-06530-00 Bolt, With Washer |
97595-06530-00 |
US $0.79 |
||
| replacement | |||||
|
07
|
07
97E95-06530-00 Bolt, Hexagon W/w De |
97E95-06530-00 |
from US $0.79 |
||
|
08
|
08
902-80050-13-00
Key, Woodruff
|
902-80050-13-00 |
— | ||
| replacement | |||||
|
08
|
08
90280-05001-00 Key, Woodruff |
90280-05001-00 |
from US $9.35 |
||
|
09
|
09
90179-16M05-00 Nut |
90179-16M05-00 |
from US $10.20 |
||
|
10
|
10
90201-16M44-00 Washer, Plate |
90201-16M44-00 |
from US $4.39 |
||