Cylinder. crankcase 2 Diagram Yamaha F15 M(E/W)HS/L

Year
1998
Model
F15A
Model code
66M
Year
1998
Stroke (2-stroke or 4-stroke)
4 stroke
Power
15
Sales region
Europe (General) (999)
Colour
Dark Bluish Gray Metallic 2 (DBNM2; 004D)

Difficulties in parts search?

Parts list
Cylinder. crankcase 2

Difficulties in parts search?

Cylinder. crankcase 2
Description OEM Part # Price
01
01
66M-W009A-00-4D
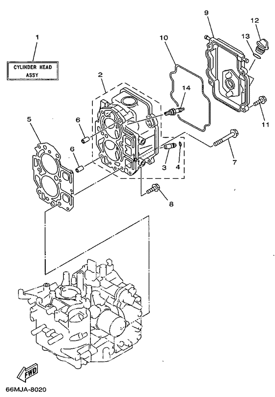
Cylinder Head Complete

Fig7, ref.1-6,10, 15-18)))

66M-W009A-00-4D

replacement
01
01
66M-W009A-13-1S
Cylinder Head Complete

Fig7, ref.1-6,10, 15-18)))

66M-W009A-13-1S

02
02
66M-11111-00-94
Head, Cylinder 1

66M-11111-00-94

replacements
02
02

66M-11111-08-1S

Head, Cylinder 1

66M-11111-08-1S

US $1,045.38

02
02
66M-11111-09-1S
Head, Cylinder 1

66M-11111-09-1S

03
03
66M-11133-10-00
Guide, Valve 1

66M-11133-10-00

replacement
03
03
66M-11133-29-00
Guide, Valve 1

66M-11133-29-00

04
04

93450-09M01-00

Circlip

93450-09M01-00

from US $1.49

05
05

66M-11181-00-00

Gasket, Cylinder Head 1

66M-11181-00-00

US $73.09

replacement
05
05

66M-11181-10-00

Gasket, Cylinder Head 1

66M-11181-10-00

from US $51.58

06
06
995-10101-14-00
Pin, Dowel

995-10101-14-00

replacement
06
06

99530-10114-00

Pin, Dowel

99530-10114-00

from US $1.66

07
07

90105-08M78-00

Bolt, Flange

90105-08M78-00

from US $4.11

08
08

97513-06525-00

Bolt, With Washer

97513-06525-00

from US $1.84

09
09

66M-11191-00-94

Cover, Cylinder Head 1

66M-11191-00-94

US $62.54

replacement
09
09

66M-11191-00-1S

Cover, Cylinder Head 1

66M-11191-00-1S

from US $62.54

10
10

66M-11356-00-00

Seal, Cylinder 2

66M-11356-00-00

from US $9.78

11
11

97513-06520-00

Bolt, With Washer

97513-06520-00

from US $1.78

replacement
11
11

970-24060-20-00

Bolt(3Dm)

970-24060-20-00

from US $0.93

12
12

6G8-15363-00-00

Plug, Oil

6G8-15363-00-00

from US $4.64

13
13
932-1024M-79-00
O-Ring

932-1024M-79-00

replacements
13
13

932-10242-35-00

O-Ring

932-10242-35-00

from US $2.32

13
13

93210-24800-00

O-Ring

93210-24800-00

from US $1.28

14
14

94701-00375-00

Plug, Spark (Ngk Dpr6Ea-9)

94701-00375-00

US $7.94

replacement
14
14

DPR-6EA90-00-00

Plug, Spark (Ngk Dpr6Eb)

DPR-6EA90-00-00

US $68.90

Cylinder. crankcase 2 Diagram Yamaha F15 M(E/W)HS/L Dark Bluish Gray Metallic 2 (DBNM2; 004D) Europe (General) (999) 13527257-781552