Electrical Diagram Yamaha F15 ES/LH
- Year
- 1999
- Model
- F15
- Year
- 1999
- Stroke (2-stroke or 4-stroke)
- 4 stroke
- Power
- 15
- Sales region
- U.S.A.
Difficulties in parts search?
Difficulties in parts search?
| Description | OEM Part # | Price | |||
|---|---|---|---|---|---|
|
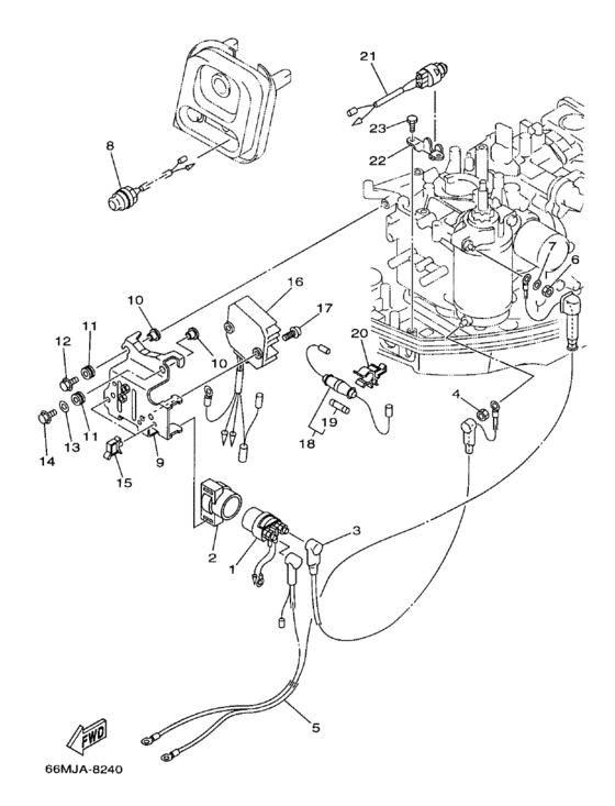
1
|
1
6G1-81941-10-00 Starter Relay Assy |
6G1-81941-10-00 |
from US $54.56 |
||
|
2
|
2
6G1-81952-00-00 Holder, Relay |
6G1-81952-00-00 |
US $7.93 |
||
|
3
|
3
66M-82117-00-00 Wire, Lead |
66M-82117-00-00 |
from US $19.84 |
||
|
4
|
4
65W-8182B-00-00 Nut, Special |
65W-8182B-00-00 |
from US $3.54 |
||
|
5
|
5
66M-82105-00-00 Battery Cable |
66M-82105-00-00 |
US $161.65 |
||
| replacements | |||||
|
5
|
5
66T-82105-J1-00 Battery Cable |
66T-82105-J1-00 |
US $161.65 |
||
|
5
|
5
66T-82105-J2-00 Battery Cable |
66T-82105-J2-00 |
US $183.56 |
||
|
6
|
6
95380-08700-00 Nut |
95380-08700-00 |
from US $1.42 |
||
|
7
|
7
92990-08600-00 Washer, Plate |
92990-08600-00 |
from US $1.34 |
||
|
8
|
8
65W-81870-00-00 Starting Switch Assy |
65W-81870-00-00 |
from US $35.24 |
||
|
9
|
9
66M-85542-10-00 Bracket |
66M-85542-10-00 |
from US $67.54 |
||
|
10
|
10
90387-06M05-00 Collar |
90387-06M05-00 |
from US $5.38 |
||
|
11
|
11
90480-13M24-00 Grommet |
90480-13M24-00 |
from US $4.82 |
||
|
12
|
12
95895-06020-00 Bolt, Flange |
95895-06020-00 |
US $1.42 |
||
| replacements | |||||
|
12
|
12
95880-06020-00 Bolt, Flange(Jk3) |
95880-06020-00 |
from US $1.56 |
||
|
12
|
12
95D95-06020-00 Bolt, Flange Deep Re |
95D95-06020-00 |
from US $1.07 |
||
|
12
|
12
95D95-06020-00 Bolt, Flange Deep Re |
95D95-06020-00 |
from US $1.07 |
||
|
13
|
13
90201-06M05-00 Washer, Plate |
90201-06M05-00 |
US $1.56 |
||
| replacement | |||||
|
13
|
13
90201-06M08-00 Washer, Plate |
90201-06M08-00 |
from US $1.56 |
||
|
14
|
14
97595-06525-00 Bolt |
97595-06525-00 |
US $1.21 |
||
| replacements | |||||
|
14
|
14
90101-06M27-00 Bolt |
90101-06M27-00 |
from US $1.35 |
||
|
14
|
14
97E95-06525-00 Bolt, Hexagon W/w Deep Recess |
97E95-06525-00 |
from US $1.07 |
||
|
15
|
15
904-6409M-13-00
Clamp
|
904-6409M-13-00 |
— | ||
| replacement | |||||
|
15
|
15
90464-15M08-00 Clamp |
90464-15M08-00 |
from US $1.84 |
||
|
16
|
16
6G8-81960-A1-00 Rectifier Assy |
6G8-81960-A1-00 |
from US $180.02 |
||
|
17
|
17
97595-06516-00 Bolt, With Washer |
97595-06516-00 |
US $2.55 |
||
| replacement | |||||
|
17
|
17
90119-06M41-00 Bolt, With Washer |
90119-06M41-00 |
from US $2.74 |
||
|
18
|
18
6G8-82150-00-00 Fuse Holder Assy |
6G8-82150-00-00 |
US $20.83 |
||
|
19
|
19
663-82151-00-00 Fuse (12V-20A)12V-20A |
663-82151-00-00 |
US $1.84 |
||
| replacements | |||||
|
19
|
19
682-82151-01-00 Fuse (20A)12V-20A |
682-82151-01-00 |
US $1.84 |
||
|
19
|
19
682-82151-02-00 FUSE12V-20A |
682-82151-02-00 |
from US $1.84 |
||
|
20
|
20
6G5-82152-00-00 Holder, Fuse |
6G5-82152-00-00 |
from US $2 |
||
|
21
|
21
6H3-82540-00-00 Neutral Switch Assy |
6H3-82540-00-00 |
US $39.24 |
||
| replacement | |||||
|
21
|
21
688-82540-12-00 Neutral Switch Assy |
688-82540-12-00 |
from US $39.24 |
||
|
22
|
22
6J8-82554-00-00 Stay, Neutral Switch |
6J8-82554-00-00 |
from US $12.18 |
||
|
23
|
23
90109-06M86-00 Bolt |
90109-06M86-00 |
from US $2.52 |
||