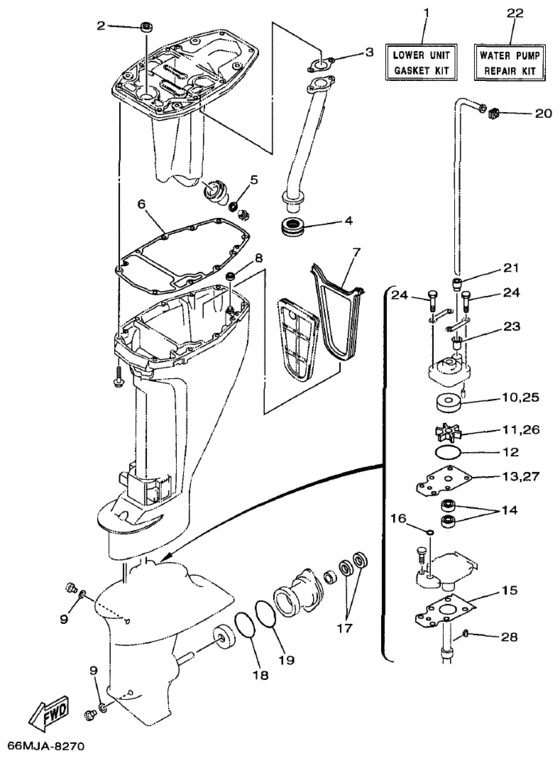
Repair kit Diagram Yamaha F15 MS/LH
- Year
- 1998
- Model
- F15
- Year
- 1998
- Stroke (2-stroke or 4-stroke)
- 4 stroke
- Power
- 15
- Sales region
- U.S.A.
Difficulties in parts search?
Difficulties in parts search?
| Description | OEM Part # | Price | |||
|---|---|---|---|---|---|
|
1
|
1
66M-W0001-20-00 Lower Unit Gasket Kit |
66M-W0001-20-00 |
from US $206.69 |
||
|
2
|
2
931-0113M-27-00 OIL SEAL. |
931-0113M-27-00 |
from US $10.20 |
||
|
3
|
3
66M-41133-00-00 Gasket, Exhaust Manifold 1 |
66M-41133-00-00 |
US $9.63 |
||
| replacement | |||||
|
3
|
3
66M-41133-01-00 Gasket, Exhaust Manifold 1 |
66M-41133-01-00 |
from US $5.58 |
||
|
4
|
4
66M-41138-00-00 Seal, Ext. 1 |
66M-41138-00-00 |
from US $22.88 |
||
|
5
|
5
904-3014M-09-00 Gasket |
904-3014M-09-00 |
from US $1.42 |
||
| replacement | |||||
|
5
|
5
90430-14228-00 Gasket(N261) |
90430-14228-00 |
from US $4.68 |
||
|
6
|
6
66M-45113-00-00 Gasket, Upper Casing |
66M-45113-00-00 |
from US $18.83 |
||
|
7
|
7
66M-45115-00-00 Gasket, Upper Casing |
66M-45115-00-00 |
from US $25 |
||
|
8
|
8
66M-45128-00-00 Seal 2 |
66M-45128-00-00 |
from US $3.40 |
||
|
9
|
9
904-30080-20-00 Gasket |
904-30080-20-00 |
from US $1.28 |
||
| replacement | |||||
|
9
|
9
90430-08003-00 Gasket |
90430-08003-00 |
from US $1.28 |
||
|
10
|
10
63V-44322-00-00 Insert, Cartridge |
63V-44322-00-00 |
from US $11.92 |
||
|
11
|
11
63V-44352-00-00 Impeller |
63V-44352-00-00 |
US $23.52 |
||
| replacement | |||||
|
11
|
11
63V-44352-01-00 Impeller |
63V-44352-01-00 |
from US $23.52 |
||
|
12
|
12
932-10443-98-00
O-Ring
|
932-10443-98-00 |
— | ||
| replacement | |||||
|
12
|
12
93210-44704-00 O-Ring |
93210-44704-00 |
from US $1.42 |
||
|
13
|
13
63V-44323-00-00 Outer Plate, Cartridge |
63V-44323-00-00 |
from US $9.92 |
||
|
14
|
14
93101-20048-00 Oil Seal |
93101-20048-00 |
from US $5.96 |
||
| replacement | |||||
|
14
|
14
93102-20484-00 Oil Seal |
93102-20484-00 |
from US $3.64 |
||
|
15
|
15
63V-45315-A0-00 Packing, Lower Casing |
63V-45315-A0-00 |
from US $4.53 |
||
|
16
|
16
93210-06ME6-00 O-Ring |
93210-06ME6-00 |
from US $2 |
||
|
17
|
17
931-01170-54-00 Oil Seal |
931-01170-54-00 |
from US $8.28 |
||
|
18
|
18
932-1057M-09-00 O-Ring |
932-1057M-09-00 |
from US $2.66 |
||
|
19
|
19
93210-56M80-00 O-Ring |
93210-56M80-00 |
from US $3.54 |
||
|
20
|
20
63V-44365-10-00 Damper, Water Seal 1 |
63V-44365-10-00 |
US $3.68 |
||
|
21
|
21
63V-44368-00-00 Rubber, Water Seal 4 |
63V-44368-00-00 |
US $3.68 |
||
|
22
|
22
63V-W0078-00-00
Water Pump Repair Kit
|
63V-W0078-00-00 |
— | ||
| replacements | |||||
|
22
|
22
63V-W0078-01-00
Water Pump Repair Kit
|
63V-W0078-01-00 |
— | ||
|
22
|
22
63V-W0078-02-00 WATER PUMP REPAIR KIT |
63V-W0078-02-00 |
US $63.55 |
||
|
22
|
22
63V-W0078-03-00 WATER PUMP REPAIR KIT |
63V-W0078-03-00 |
US $63.55 |
||
|
22
|
22
63V-W0078-04-00 WATER PUMP REPAIR KIT |
63V-W0078-04-00 |
from US $29.05 |
||
|
22
|
22
63V-W0078-04-00 WATER PUMP REPAIR KIT |
63V-W0078-04-00 |
from US $29.05 |
||
|
23
|
23
647-44366-00-00
Damper, Water Seal 2
|
647-44366-00-00 |
— | ||
| replacement | |||||
|
23
|
23
647-44366-01-00 DAMPER WATER SEAL 2 |
647-44366-01-00 |
from US $1.66 |
||
|
24
|
24
97080-08045-00 Bolt, Hexagon |
97080-08045-00 |
from US $4.25 |
||
|
25
|
25
63V-44322-00-00 Insert, Cartridge |
63V-44322-00-00 |
from US $11.92 |
||
|
26
|
26
63V-44352-00-00 Impeller |
63V-44352-00-00 |
US $23.52 |
||
| replacement | |||||
|
26
|
26
63V-44352-01-00 Impeller |
63V-44352-01-00 |
from US $23.52 |
||
|
27
|
27
63V-44323-00-00 Outer Plate, Cartridge |
63V-44323-00-00 |
from US $9.92 |
||
|
28
|
28
664-44338-00-00 Key, Woodruff |
664-44338-00-00 |
from US $6.23 |
||