Yamaha F15 PS/LR Outboard Parts
- Year
- 2001
- Model
- F15
- Year
- 2001
- Stroke (2-stroke or 4-stroke)
- 4 stroke
- Power
- 15
- Sales region
- U.S.A.
Difficulties in parts search?
-
Bottom cowling
-
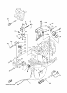
Bracket
-
Bracket
-
Carburetor
-
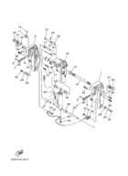
Control
-
Crankshaft & Piston
-
Cylinder crankcase
-
Cylinder crankcase
-
Electrical
-
Electrical
-
Fuel
-
Fuel
-
Generator
-
Intake
-
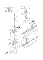
Lower casing drive
-
Lower casing drive
-
Oil pan
-
Oil pump
-
Power tilt assy
-
Repair kit
-
Repair kit
-
Repair kit
-
Starter
-
Starting motor
-
Steering guide
-
Top cowling
-
Upper casing
-
Valve
-
Models in this catalog