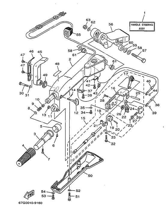
Steering 1 Diagram Yamaha F80 ETL/X
- Year
- 1999
- Model
- F80A
- Model code
- 67G
- Year
- 1999
- Stroke (2-stroke or 4-stroke)
- 4 stroke
- Power
- 80
- Sales region
- Europe (General) (999)
- Colour
- Dark Bluish Gray Metallic 2 (DBNM2; 004D)
Difficulties in parts search?
Difficulties in parts search?
| Description | OEM Part # | Price | |||
|---|---|---|---|---|---|
|
01
|
01
67G-W0084-00-4D
Handle Steering Assembly
(ref.2-63, fg.17 ref.24) |
67G-W0084-00-4D |
— | ||
| replacements | |||||
|
01
|
01
67G-W0084-09-4D
Steering Handle
(ref.2-63, fg.17 ref.24) |
67G-W0084-09-4D |
— | ||
|
01
|
01
67G-W0084-19-4D
Handle Steering Assy
(ref.2-63, fg.17 ref.24) |
67G-W0084-19-4D |
— | ||
|
01
|
01
67G-W0084-10-4D
Handle Steering Assy
(ref.2-63, fg.17 ref.24) |
67G-W0084-10-4D |
— | ||
|
02
|
02
67G-42111-00-4D Handle, Steering |
67G-42111-00-4D |
US $207.24 |
||
| replacement | |||||
|
02
|
02
999-99039-24-00 Steering Handle |
999-99039-24-00 |
from US $115.31 |
||
|
03
|
03
664-42119-00-00 Grip, Steering Handle |
664-42119-00-00 |
from US $20.18 |
||
|
04
|
04
6G1-42177-00-00
Rubber, Handle
|
6G1-42177-00-00 |
— | ||
| replacement | |||||
|
04
|
04
6G1-42177-01-00 RUBBER, HANDLE |
6G1-42177-01-00 |
from US $11.76 |
||
|
05
|
05
6H2-42137-00-00 Indicator, Throttle |
6H2-42137-00-00 |
from US $10.06 |
||
| replacement | |||||
|
05
|
05
6H2-42137-10-00 Indicator, Throttle |
6H2-42137-10-00 |
US $4.82 |
||
|
06
|
06
90269-02M09-00 Rivet |
90269-02M09-00 |
from US $1.98 |
||
|
07
|
07
901-4905M-13-00
Screw
|
901-4905M-13-00 |
— | ||
| replacement | |||||
|
07
|
07
901-52050-11-00 Screw, Countersunk |
901-52050-11-00 |
from US $1.34 |
||
|
08
|
08
92903-10600-00 Washer, Plate |
92903-10600-00 |
US $1.07 |
||
| replacement | |||||
|
08
|
08
929-90106-00-00 Washer, Plate |
929-90106-00-00 |
from US $1.07 |
||
|
09
|
09
90501-23215-00 Spring, Compression |
90501-23215-00 |
from US $3.40 |
||
|
10
|
10
90386-08032-00 Bush |
90386-08032-00 |
from US $2.13 |
||
|
11
|
11
63D-42126-00-00 Friction, Steering Handle Grip |
63D-42126-00-00 |
from US $10.77 |
||
|
12
|
12
63D-48154-00-00
Knob, Throttle
|
63D-48154-00-00 |
— | ||
|
13
|
13
95380-06600-00 Nut, Hexagon |
95380-06600-00 |
from US $1.07 |
||
|
14
|
14
91490-20010-00 Pin. Cotter |
91490-20010-00 |
from US $1.98 |
||
|
15
|
15
67G-44100-00-00 Shift Link Assembly |
67G-44100-00-00 |
US $233.78 |
||
|
16
|
16
67G-44104-00-00
Plate Comp
|
67G-44104-00-00 |
— | ||
|
17
|
17
67G-48261-00-00
Arm, Throttle
|
67G-48261-00-00 |
— | ||
|
18
|
18
67G-42116-00-00 Shaft, Steering Handle 2 |
67G-42116-00-00 |
US $159.17 |
||
|
19
|
19
650-42152-00-94 Gear |
650-42152-00-94 |
from US $9.26 |
||
|
20
|
20
91690-30025-00 Pin, Spring |
91690-30025-00 |
from US $2.32 |
||
|
21
|
21
67G-42159-00-00 Stay |
67G-42159-00-00 |
US $9.85 |
||
|
22
|
22
67G-44113-00-00 Cam Plate, Handle |
67G-44113-00-00 |
US $75.59 |
||
|
23
|
23
63D-48236-00-00 Roller, Detent |
63D-48236-00-00 |
from US $5.67 |
||
|
24
|
24
63D-48119-00-00 Cover |
63D-48119-00-00 |
from US $30.74 |
||
|
25
|
25
67G-42153-00-00
Shaft, Throttle Control
|
67G-42153-00-00 |
— | ||
|
26
|
26
67G-44132-00-00 Bushing |
67G-44132-00-00 |
from US $8.64 |
||
|
27
|
27
63D-48237-00-00 Adapter |
63D-48237-00-00 |
from US $8.08 |
||
|
28
|
28
98785-05014-00 Screw, Flat Head |
98785-05014-00 |
US $2.13 |
||
| replacement | |||||
|
28
|
28
6X6-81147-00-00 Screw 3 |
6X6-81147-00-00 |
from US $1.70 |
||
|
29
|
29
63D-48238-00-00 Spring, Detent |
63D-48238-00-00 |
from US $3.26 |
||
|
30
|
30
97095-08040-00 Bolt |
97095-08040-00 |
from US $5.24 |
||
|
31
|
31
929-95086-00-00
Washer, Plate
|
929-95086-00-00 |
— | ||
| replacement | |||||
|
31
|
31
92990-08600-00 Washer, Plate |
92990-08600-00 |
from US $1.34 |
||
|
32
|
32
970-95060-30-00
Bolt
|
970-95060-30-00 |
— | ||
| replacement | |||||
|
32
|
32
97080-06030-00 Bolt |
97080-06030-00 |
from US $2.83 |
||
|
33
|
33
929-95066-00-00
Washer, Plate
|
929-95066-00-00 |
— | ||
| replacement | |||||
|
33
|
33
929-90066-00-00 Washer, Plain (646) |
929-90066-00-00 |
from US $1.07 |
||
|
34
|
34
97095-06014-00 Bolt |
97095-06014-00 |
US $1.56 |
||
| replacement | |||||
|
34
|
34
97D95-06014-00 Bolt, Hexagon Deep R |
97D95-06014-00 |
from US $1.07 |
||
|
35
|
35
929-95066-00-00
Washer, Plate
|
929-95066-00-00 |
— | ||
| replacement | |||||
|
35
|
35
929-90066-00-00 Washer, Plain (646) |
929-90066-00-00 |
from US $1.07 |
||
|
36
|
36
67G-48321-00-00
Cable
|
67G-48321-00-00 |
— | ||
|
37
|
37
67G-48531-00-00 Bracekt, Remote Control 1 |
67G-48531-00-00 |
US $4.71 |
||
|
38
|
38
97095-06014-00 Bolt |
97095-06014-00 |
US $1.56 |
||
| replacement | |||||
|
38
|
38
97D95-06014-00 Bolt, Hexagon Deep R |
97D95-06014-00 |
from US $1.07 |
||
|
39
|
39
90468-10005-00 Clip |
90468-10005-00 |
from US $3.40 |
||
|
40
|
40
67G-26301-00-00
Throttle Cable Assy
|
67G-26301-00-00 |
— | ||
|
41
|
41
66R-48538-00-00 Clamp, Cable 1 |
66R-48538-00-00 |
from US $4.82 |
||
|
42
|
42
97095-06014-00 Bolt |
97095-06014-00 |
US $1.56 |
||
| replacement | |||||
|
42
|
42
97D95-06014-00 Bolt, Hexagon Deep R |
97D95-06014-00 |
from US $1.07 |
||
|
43
|
43
63D-48538-00-00 Clamp, Cable 1 |
63D-48538-00-00 |
from US $4.25 |
||
|
44
|
44
90468-10005-00 Clip |
90468-10005-00 |
from US $3.40 |
||
|
45
|
45
67G-44159-00-4D Handle, Gear Shift |
67G-44159-00-4D |
US $39.87 |
||
| replacement | |||||
|
45
|
45
67G-44159-00-8D HANDLE, GEAR SHIFT |
67G-44159-00-8D |
from US $39.87 |
||
|
46
|
46
67G-44173-00-00
Lever, Shift Control
|
67G-44173-00-00 |
— | ||
|
47
|
47
90159-06M18-00 Screw, With Washer |
90159-06M18-00 |
from US $2.55 |
||
|
48
|
48
6G8-44191-00-00 Indicator, Shift |
6G8-44191-00-00 |
from US $7.93 |
||
|
49
|
49
90386-26MA3-00 Bush |
90386-26MA3-00 |
from US $7.51 |
||
|
50
|
50
67G-42131-00-00 Cover, Handle Steering |
67G-42131-00-00 |
US $30.74 |
||
|
51
|
51
97885-06040-00 Screw, Pan Head(6H4) |
97885-06040-00 |
from US $2.27 |
||
| replacement | |||||
|
51
|
51
98580-06040-00 Screw, Pan Head (90501-06040-00 |
98580-06040-00 |
from US $1.21 |
||
|
52
|
52
929-95066-00-00
Washer, Plate
|
929-95066-00-00 |
— | ||
| replacement | |||||
|
52
|
52
929-90066-00-00 Washer, Plain (646) |
929-90066-00-00 |
from US $1.07 |
||
|
53
|
53
97885-06016-00 Screw, Pan Head |
97885-06016-00 |
from US $1.34 |
||
| replacements | |||||
|
53
|
53
98580-06016-00 Screw Pan Head |
98580-06016-00 |
from US $2.55 |
||
|
53
|
53
901-57060-09-00 Screw, Pan Head |
901-57060-09-00 |
US $2.55 |
||
|
54
|
54
929-95066-00-00
Washer, Plate
|
929-95066-00-00 |
— | ||
| replacement | |||||
|
54
|
54
929-90066-00-00 Washer, Plain (646) |
929-90066-00-00 |
from US $1.07 |
||
|
55
|
55
63D-42725-00-00 Grommet |
63D-42725-00-00 |
US $13.02 |
||
|
56
|
56
67G-42121-00-4D
Bracket
|
67G-42121-00-4D |
— | ||
|
57
|
57
90101-12M09-00 Bolt |
90101-12M09-00 |
US $19.98 |
||
| replacement | |||||
|
57
|
57
90101-12014-00 Bolt |
90101-12014-00 |
from US $19.98 |
||
|
58
|
58
929-90122-00-00 Washer, Plain |
929-90122-00-00 |
from US $1.34 |
||
|
59
|
59
90206-12M22-00 Washer, Wave |
90206-12M22-00 |
from US $7.51 |
||
|
60
|
60
90387-12M02-00 Collar |
90387-12M02-00 |
from US $16.01 |
||
|
61
|
61
90386-12M93-00 Bush |
90386-12M93-00 |
from US $2.66 |
||
|
62
|
62
92990-12600-00 Washer, Plate |
92990-12600-00 |
from US $1.42 |
||
|
63
|
63
90185-12M12-00 Nut, Self-Locking |
90185-12M12-00 |
from US $12.24 |
||