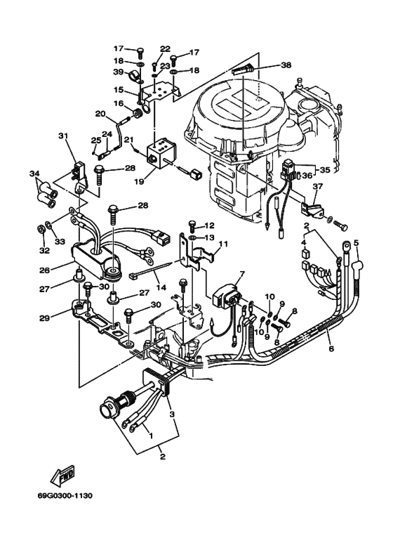
Electrical 2 Diagram Yamaha FT8 M(E)H(P)S/L/XL

Year
2001
Model
FT8D
Model code
69G
Year
2001
Stroke (2-stroke or 4-stroke)
4 stroke
Power
8
Sales region
Europe (090)
Colour
Dark Bluish Gray Metallic 2 (DBNM2; 004D)

Difficulties in parts search?

Parts list
Electrical 2

Difficulties in parts search?

Electrical 2

Nothing

Electrical 2 Diagram Yamaha FT8 M(E)H(P)S/L/XL Dark Bluish Gray Metallic 2 (DBNM2; 004D) Europe (090) 12903371-756394