Optional parts Diagram Yamaha FT8 M(E)H(P)S/L/XL
- Year
- 2004
- Model
- FT8D
- Model code
- 69G
- Year
- 2004
- Stroke (2-stroke or 4-stroke)
- 4 stroke
- Power
- 8
- Sales region
- Europe (090)
- Colour
- Dark Bluish Gray Metallic 2 (DBNM2; 004D)
Difficulties in parts search?
Difficulties in parts search?
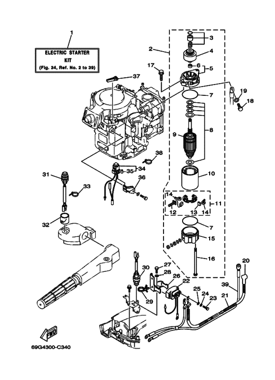
| Description | OEM Part # | Price | |||
|---|---|---|---|---|---|
|
1
|
1
68R-W8180-00-00 Electric Starter KitAP |
68R-W8180-00-00 |
US $1,729.20 |
||
| replacement | |||||
|
1
|
1
6DR-W8180-00-00 Electric Starter KitAP |
6DR-W8180-00-00 |
US $1,729.20 |
||
|
2
|
2
68T-81800-00-00 Starting Motor Assy |
68T-81800-00-00 |
US $645.48 |
||
|
3
|
3
68T-81857-00-00 Pinion Stopper Set |
68T-81857-00-00 |
from US $16.29 |
||
|
4
|
4
689-81807-12-00 Gear Assy, Starting Motor |
689-81807-12-00 |
from US $139.25 |
||
|
5
|
5
6F5-81830-10-00 Front Bracket Assy |
6F5-81830-10-00 |
US $234.87 |
||
| replacement | |||||
|
5
|
5
6F5-81830-11-00 Front Bracket Assy |
6F5-81830-11-00 |
from US $234.87 |
||
|
6
|
6
689-81831-00-00 Metal, Front |
689-81831-00-00 |
from US $27.49 |
||
|
7
|
7
689-81847-11-00 O-Ring |
689-81847-11-00 |
from US $9.21 |
||
|
8
|
8
689-81809-11-00 Washer Kit |
689-81809-11-00 |
from US $12.89 |
||
|
9
|
9
689-81850-11-00 Armature Assy |
689-81850-11-00 |
US $467.85 |
||
| replacement | |||||
|
9
|
9
689-81850-12-00 Armature Assy |
689-81850-12-00 |
from US $362.77 |
||
|
10
|
10
689-81810-11-00 Stator Assy |
689-81810-11-00 |
from US $187.90 |
||
|
11
|
11
689-81840-11-00 Brush Holder Assy |
689-81840-11-00 |
from US $63.79 |
||
|
12
|
12
689-81811-11-00 Brush 1 |
689-81811-11-00 |
from US $14.56 |
||
|
13
|
13
689-81812-11-00 Brush 2 |
689-81812-11-00 |
from US $19.55 |
||
|
14
|
14
689-81813-10-00 Spring, Brush |
689-81813-10-00 |
from US $7.23 |
||
|
15
|
15
689-81820-11-00 Rear Bracket Assembly |
689-81820-11-00 |
from US $88.01 |
||
|
16
|
16
689-81826-10-00 Bolt |
689-81826-10-00 |
from US $9.35 |
||
|
17
|
17
90119-08M76-00 Bolt, With Washer |
90119-08M76-00 |
from US $4.39 |
||
|
18
|
18
97095-08016-00 Bolt |
97095-08016-00 |
US $1.28 |
||
| replacements | |||||
|
18
|
18
97D95-08016-00 Bolt, Hexagon Deep Recess |
97D95-08016-00 |
from US $1.28 |
||
|
18
|
18
97D95-08016-00 Bolt, Hexagon Deep Recess |
97D95-08016-00 |
from US $1.28 |
||
|
19
|
19
929-95086-00-00
Washer, Plate
|
929-95086-00-00 |
— | ||
| replacement | |||||
|
19
|
19
92990-08600-00 Washer, Plate |
92990-08600-00 |
from US $1.34 |
||
|
20
|
20
6G8-82117-00-00 Wire, Lead |
6G8-82117-00-00 |
US $20.40 |
||
| replacement | |||||
|
20
|
20
6H4-82117-00-00 Wire, Lead |
6H4-82117-00-00 |
US $20.40 |
||
|
21
|
21
90446-10M86-00 Hose (L140) |
90446-10M86-00 |
from US $3.68 |
||
|
22
|
22
68T-81940-00-00 Starter Relay Assy |
68T-81940-00-00 |
from US $85.80 |
||
|
23
|
23
970-95060-10-00
Bolt
|
970-95060-10-00 |
— | ||
| replacement | |||||
|
23
|
23
97085-06010-00 Bolt |
97085-06010-00 |
from US $1.28 |
||
|
24
|
24
929-95061-00-00 Washer, Spring |
929-95061-00-00 |
from US $0.99 |
||
|
25
|
25
929-95066-00-00
Washer, Plate
|
929-95066-00-00 |
— | ||
| replacement | |||||
|
25
|
25
929-90066-00-00 Washer, Plain (646) |
929-90066-00-00 |
from US $1.07 |
||
|
26
|
26
68T-81945-00-00 Plate, Switch Fitting |
68T-81945-00-00 |
US $9.21 |
||
| replacement | |||||
|
26
|
26
68T-81945-01-00 Plate, Switch Fitting |
68T-81945-01-00 |
from US $9.21 |
||
|
27
|
27
97095-06012-00 Bolt |
97095-06012-00 |
from US $1.98 |
||
| replacement | |||||
|
27
|
27
970-80060-12-00 Bolt |
970-80060-12-00 |
from US $1.98 |
||
|
28
|
28
929-95066-00-00
Washer, Plate
|
929-95066-00-00 |
— | ||
| replacement | |||||
|
28
|
28
929-90066-00-00 Washer, Plain (646) |
929-90066-00-00 |
from US $1.07 |
||
|
29
|
29
90465-12M56-00 Clamp |
90465-12M56-00 |
from US $5.24 |
||
|
30
|
30
6F5-82540-00-00 Neutral Switch Assy |
6F5-82540-00-00 |
US $39.24 |
||
| replacement | |||||
|
30
|
30
688-82540-12-00 Neutral Switch Assy |
688-82540-12-00 |
from US $39.24 |
||
|
31
|
31
68T-81870-00-00 Starting Switch Assy |
68T-81870-00-00 |
from US $36.34 |
||
|
32
|
32
68T-81821-00-00 Cover, Switch |
68T-81821-00-00 |
from US $5.24 |
||
|
33
|
33
904-6511M-10-00
Clamp
|
904-6511M-10-00 |
— | ||
| replacements | |||||
|
33
|
33
80L-26397-00-00 Band |
80L-26397-00-00 |
from US $1.21 |
||
|
33
|
33
904-65100-98-00 Clamp |
904-65100-98-00 |
from US $1.34 |
||
|
34
|
34
68T-82150-00-00 Fuse Holder Assy |
68T-82150-00-00 |
from US $16.72 |
||
|
35
|
35
66V-82151-00-00 Fuse (10A)10A-BL |
66V-82151-00-00 |
from US $2.83 |
||
| replacement | |||||
|
35
|
35
67F-82151-40-00 Fuse (10A)10A-BL |
67F-82151-40-00 |
from US $1.98 |
||
|
36
|
36
68T-82171-00-00 Stay, Fuse Box |
68T-82171-00-00 |
US $62.59 |
||
| replacement | |||||
|
36
|
36
68T-82171-01-00 Stay, Fuse Box |
68T-82171-01-00 |
from US $62.59 |
||
|
37
|
37
67F-2812A-00-00 Puller, Fuse |
67F-2812A-00-00 |
from US $3.12 |
||
|
38
|
38
904-6511M-10-00
Clamp
|
904-6511M-10-00 |
— | ||
| replacements | |||||
|
38
|
38
80L-26397-00-00 Band |
80L-26397-00-00 |
from US $1.21 |
||
|
38
|
38
904-65100-98-00 Clamp |
904-65100-98-00 |
from US $1.34 |
||
|
39
|
39
68T-82105-00-00 Battery Cable (L: 2.1M) |
68T-82105-00-00 |
US $135.81 |
||
| replacements | |||||
|
39
|
39
69G-82105-01-00 Battery Cable (L: 30M) |
69G-82105-01-00 |
US $135.81 |
||
|
39
|
39
69G-82105-02-00 Battery Cable (L: |
69G-82105-02-00 |
US $172.42 |
||