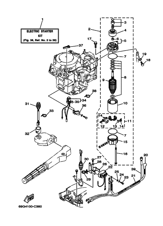
Optional parts 1 Diagram Yamaha FT8 (E/P)MS/L/XH(R)

Year
2004
Model
T8
Model code
69G
Year
2004
Stroke (2-stroke or 4-stroke)
4 stroke
Power
8
Sales region
Europe (180)
Colour
Dark Bluish Gray Metallic 2 (DBNM2; 004D)

Difficulties in parts search?

Parts list
Optional parts 1

Difficulties in parts search?

Optional parts 1

Nothing

Optional parts 1 Diagram Yamaha FT8 (E/P)MS/L/XH(R) Dark Bluish Gray Metallic 2 (DBNM2; 004D) Europe (180) 13121712-761940