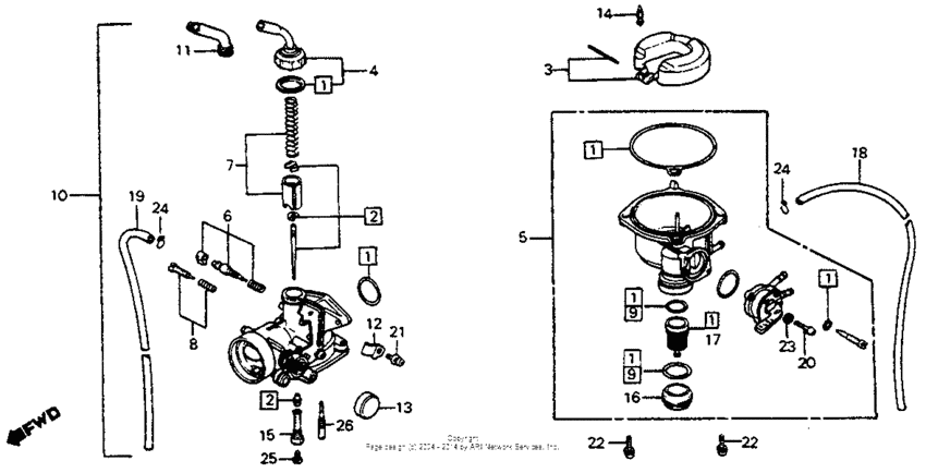
Carburetor Diagram Honda C70 CUB
- Year
- 1982
- Model code
- C70 A
- Sales region
- USA
- Frame
- JH2DA010*CS200006 - JH2DA010*CS213668
- Engine Capacity
- 70
Difficulties in parts search?
Difficulties in parts search?
| Description | OEM Part # | Price | |||
|---|---|---|---|---|---|
|
1
|
1
16010-141-305 Gasket set |
16010-141-305 |
from US $23.53 |
||
|
2
|
2
16012-GB5-671
Needle set, jet
|
16012-GB5-671 |
— | ||
|
3
|
3
16013-883-005 Float set |
16013-883-005 |
from US $19.31 |
||
|
4
|
4
16014-GJ8-004 Top set |
16014-GJ8-004 |
US $22.58 |
||
|
5
|
5
16015-GT0-013 Chamber set, float |
16015-GT0-013 |
US $70.04 |
||
| replacement | |||||
|
5
|
5
16015-GAC-010 Chamber set,float |
16015-GAC-010 |
US $77.52 |
||
|
6
|
6
16016-GB5-305
Screw set, a
|
16016-GB5-305 |
— | ||
|
7
|
7
16022-GB5-671
Valve set throt
|
16022-GB5-671 |
— | ||
|
8
|
8
16028-GC8-004 Screw set b |
16028-GC8-004 |
from US $10.95 |
||
|
9
|
9
16040-GB0-911 Gasket b set |
16040-GB0-911 |
US $10.66 |
||
|
10
|
10
16100-GB5-671
Carburetor assy.
|
16100-GB5-671 |
— | ||
|
11
|
11
16118-GB4-003 Cap, cable sealing |
16118-GB4-003 |
from US $7.55 |
||
|
12
|
12
16133-GB4-003
Stay,choke wire
|
16133-GB4-003 |
— | ||
|
13
|
13
16148-141-881 Cap, choke dust |
16148-141-881 |
from US $3.48 |
||
|
14
|
14
16155-883-005 Valve comp., float |
16155-883-005 |
from US $17.57 |
||
|
15
|
15
16165-GB5-003
Holder,needle jet
|
16165-GB5-003 |
— | ||
|
16
|
16
16175-GB0-911 Cup, fuel strainer |
16175-GB0-911 |
US $19.45 |
||
|
17
|
17
16176-GB0-911 Cup, filter |
16176-GB0-911 |
from US $11.64 |
||
|
18
|
18
16199-943-003
Tube, air vent
|
16199-943-003 |
— | ||
|
19
|
19
16199-KG4-405 Tube |
16199-KG4-405 |
from US $6.51 |
||
|
20
|
20
93500-030120H Screw, pan, 3x12 |
93500-030120H |
from US $0.37 |
||
|
21
|
21
93892-040-080-8 Screw-washer4X8 |
93892-040-080-8 |
from US $0.49 |
||
|
22
|
22
93892-040-140-8 Screw-washer4X14 |
93892-040-140-8 |
from US $0.44 |
||
|
23
|
23
94111-03000 WasherSPRING, 3MM |
94111-03000 |
from US $0.38 |
||
|
24
|
24
9500202650 Clip, tube (b6.5) |
9500202650 |
from US $0.44 |
||
|
25
|
25
99101-116-0720 Jet,slow (#72)(Optional). |
99101-116-0720 |
from US $4.59 |
||
|
25
|
25
99101-1160750 Jet, main (#75) |
99101-1160750 |
US $4.59 |
||
|
26
|
26
99103-174-0350 Jet,slow,#35 |
99103-174-0350 |
US $6.51 |
||