Oil filter + oil pump Diagram Honda CB1000 CB1000
- Year
- 1983
- Model code
- CB1000C A
- Sales region
- USA
- Frame
- 1HFSC100*DA000001 - 1HFSC100*DA007620
- Engine Capacity
- 1000
Difficulties in parts search?
Difficulties in parts search?
| Description | OEM Part # | Price | |||
|---|---|---|---|---|---|
|
1
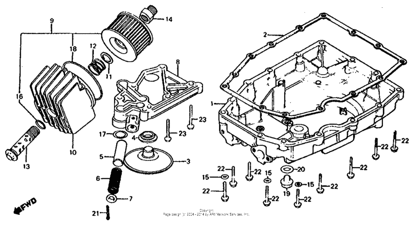
|
1
11210-438-670
Pan, oil
|
11210-438-670 |
— | ||
|
2
|
2
11398-425-306 Gasket, oil pan |
11398-425-306 |
US $21.76 |
||
|
3
|
3
15153-425-000
Strainer, Oil
|
15153-425-000 |
— | ||
|
4
|
4
15154-425-000 Gasket, oil strainer |
15154-425-000 |
from US $4.59 |
||
|
5
|
5
15231-PE0-000 ValveRELIEF |
15231-PE0-000 |
from US $5.93 |
||
|
6
|
6
15232-438-000
Spg.,relief valve
|
15232-438-000 |
— | ||
|
7
|
7
15233-634-000
Seat
|
15233-634-000 |
— | ||
|
8
|
8
15311-438-010
Body,oil path
|
15311-438-010 |
— | ||
|
9
|
9
15410-426-010 Element, oil filter |
15410-426-010 |
from US $11.51 |
||
|
10
|
10
15411-438-670
Case,oil filter
|
15411-438-670 |
— | ||
|
11
|
11
15414-300-000 Seat |
15414-300-000 |
from US $2.44 |
||
|
12
|
12
15415-300-000 Spring |
15415-300-000 |
from US $7.67 |
||
|
13
|
13
15420-300-020 Bolt |
15420-300-020 |
US $56.71 |
||
|
14
|
14
15422-425-010
Boss,oil filter
|
15422-425-010 |
— | ||
|
15
|
15
90441-706-000 Washer, sealing, 6mm |
90441-706-000 |
from US $1.04 |
||
|
16
|
16
91302-377-000 O-ring (15x2.5) |
91302-377-000 |
from US $5.18 |
||
|
17
|
17
91306-634-000 O-ring17X3.5MM |
91306-634-000 |
from US $3.02 |
||
|
17
|
17
91361-752-000 O-ring, 17x3.5 |
91361-752-000 |
US $5.49 |
||
|
18
|
18
91316-425-003 O-ring (89x4.5) |
91316-425-003 |
from US $7.06 |
||
|
19
|
19
92800-14000 BOLT, DRAIN PLUG (14MM)DRAIN PLUG, 14MM |
92800-14000 |
from US $1.48 |
||
|
20
|
20
94109-14000 WASHER, DRAIN PLUG (14MM)DRAIN PLUG WASHER, 14MM |
94109-14000 |
from US $0.38 |
||
|
21
|
21
9420130450 Pin, cotter (3.0x45) |
9420130450 |
from US $0.44 |
||
|
22
|
22
95700-060-280-0 BoltFLANGE, 6X28 |
95700-060-280-0 |
from US $0.59 |
||
| replacement | |||||
|
22
|
22
95701-0602800 Bolt, flange, 6x28 |
95701-0602800 |
from US $0.59 |
||
|
22
|
22
95701-0602800 Bolt, flange, 6x28 |
95701-0602800 |
from US $0.59 |
||
|
23
|
23
95701-0603200 Bolt, flange, 6x32 |
95701-0603200 |
from US $0.59 |
||