Points + advancer 80 Diagram Honda CB125
- Year
- 1980
- Model code
- CB125S A
- Sales region
- USA
- Frame
- JC045100001 - JC045107666
- Engine Capacity
- 125
Difficulties in parts search?
Difficulties in parts search?
| Description | OEM Part # | Price | |||
|---|---|---|---|---|---|
|
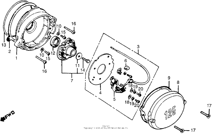
1
|
1
12332-324-000
Base, points
|
12332-324-000 |
— | ||
|
2
|
2
12339-383-306 Gasket, points base |
12339-383-306 |
from US $4 |
||
|
3
|
3
30200-383-871
Points assy.
|
30200-383-871 |
— | ||
|
4
|
4
30201-383-871
Plate, points base
|
30201-383-871 |
— | ||
|
5
|
5
30202-107-154 Breaker,contact |
30202-107-154 |
US $34 |
||
|
6
|
6
30205-300-154 Felt,oil |
30205-300-154 |
US $5.92 |
||
|
7
|
7
30220-383-871
Advancer, spark
|
30220-383-871 |
— | ||
|
8
|
8
30370-383-870
Cover, points
|
30370-383-870 |
— | ||
|
9
|
9
30372-107-307
Gasket, points cover
|
30372-107-307 |
— | ||
|
10
|
10
90482-028-000 Washer, 5mm |
90482-028-000 |
from US $2.15 |
||
|
11
|
11
90486-028-000 Washer, spark advancer setting |
90486-028-000 |
from US $2.65 |
||
|
12
|
12
91203-965-003 Oil seal (15x25x7) |
91203-965-003 |
from US $7.16 |
||
|
13
|
13
91301-107-000 O-ring (75x2.5) |
91301-107-000 |
from US $2.63 |
||
|
14
|
14
92101-06014-0A Bolt, hex., 6x14 |
92101-06014-0A |
from US $0.47 |
||
|
15
|
15
93500-050-120-A ScrewPAN, 5X12 |
93500-050-120-A |
from US $0.37 |
||
|
16
|
16
93500-060-250-A ScrewPAN, 6X25 |
93500-060-250-A |
from US $0.52 |
||
|
17
|
17
93700-050200A Screw, oval (5x20) |
93700-050200A |
from US $0.37 |
||
|
18
|
18
94101-04000 WasherPLAIN, 4MM |
94101-04000 |
from US $0.37 |
||
|
19
|
19
94111-04000 WasherSPRING, 4MM |
94111-04000 |
from US $0.37 |
||
|
20
|
20
93500-040-060-A ScrewPAN, 4X6 |
93500-040-060-A |
from US $0.37 |