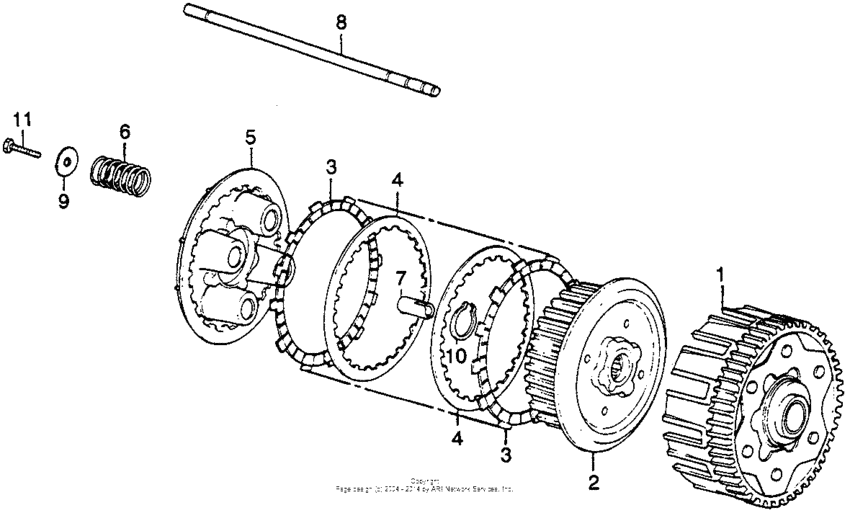
Clutch Diagram Honda CB500 CB500
- Year
- 1976
- Model code
- CB500T A
- Sales region
- USA
- Frame
- CB500T2000001 -
- Engine Capacity
- 500
Difficulties in parts search?
Parts list
Difficulties in parts search?
| Description | OEM Part # | Price | |||
|---|---|---|---|---|---|
|
1
|
1
22100-292-040
Outer comp,clutch
|
22100-292-040 |
— | ||
|
2
|
2
22120-375-000
Center, clutch
|
22120-375-000 |
— | ||
|
3
|
3
22201-MA7-000 Disk, cl friction |
22201-MA7-000 |
from US $14.50 |
||
|
4
|
4
22321-MG8-000 Plate, clutch |
22321-MG8-000 |
from US $6.62 |
||
|
4
|
4
22321-283-000
Plate b, clutch
|
22321-283-000 |
— | ||
| replacement | |||||
|
4
|
4
22321-MG8-000 Plate, clutch |
22321-MG8-000 |
from US $6.62 |
||
|
5
|
5
22351-292-000 Plate,pressure |
22351-292-000 |
US $34.99 |
||
|
6
|
6
22401-375-003
Spring,clutch
|
22401-375-003 |
— | ||
|
7
|
7
22838-292-000
Piece,lifterjoint
|
22838-292-000 |
— | ||
|
8
|
8
22850-323-000
Rod,cluh.lifter
|
22850-323-000 |
— | ||
|
9
|
9
90481-259-000
Washer, 6x19
|
90481-259-000 |
— | ||
|
10
|
10
90602-259-010 Circlip (25mm) |
90602-259-010 |
from US $3.85 |
||
|
11
|
11
92025-06025-0A Bolt,hex.,6x25 |
92025-06025-0A |
from US $0.52 |
||