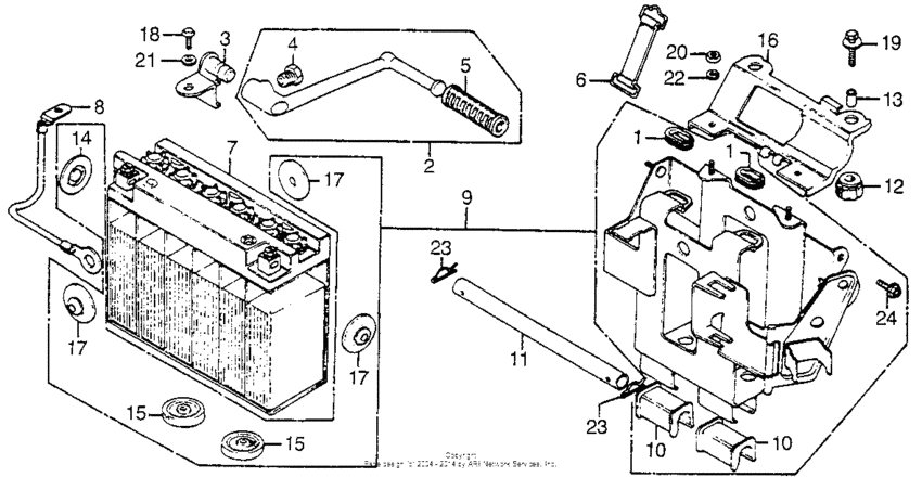
Battery + kick starter arm Diagram Honda CB750
- Year
- 1977
- Model code
- CB750A A
- Sales region
- USA
- Frame
- CB750A7100001 - CB750A7110560
- Engine Capacity
- 750
Difficulties in parts search?
Difficulties in parts search?
| Description | OEM Part # | Price | |||
|---|---|---|---|---|---|
|
1
|
1
17247-240-000 Grommet a, air cleaner case |
17247-240-000 |
from US $4 |
||
|
2
|
2
28240-393-770
Arm,kick starter
|
28240-393-770 |
— | ||
|
3
|
3
28242-393-000
Brkt.,kick start.
|
28242-393-000 |
— | ||
|
4
|
4
28248-371-000
Bolt assy., 10mm
|
28248-371-000 |
— | ||
|
5
|
5
28311-329-000 Rubber,kick |
28311-329-000 |
from US $7.84 |
||
|
6
|
6
28334-393-770
Band,kick armset
|
28334-393-770 |
— | ||
|
7
|
7
31500-463-747AH Battery (y50-n18l-a) |
31500-463-747AH |
US $120.02 |
||
|
8
|
8
32601-393-000
Cable
|
32601-393-000 |
— | ||
|
9
|
9
50320-393-770
Box assy., battery
|
50320-393-770 |
— | ||
|
10
|
10
50321-393-000
Cushion,battery
|
50321-393-000 |
— | ||
|
11
|
11
50322-393-000
Bar
|
50322-393-000 |
— | ||
|
12
|
12
50323-300-010 Rubber a battery |
50323-300-010 |
US $5.77 |
||
|
13
|
13
50324-300-000 Collar battery |
50324-300-000 |
US $3.18 |
||
|
14
|
14
50327-300-000 Rubber b battery |
50327-300-000 |
from US $7.28 |
||
|
15
|
15
50328-371-000
Rubber, battery
|
50328-371-000 |
— | ||
|
16
|
16
50332-393-000
Stay, battery
|
50332-393-000 |
— | ||
|
17
|
17
83618-323-000 Rubber, battery box |
83618-323-000 |
from US $1.40 |
||
|
18
|
18
92101-06012
Bolt, hex. (6x12)
|
92101-06012 |
— | ||
| replacement | |||||
|
18
|
18
92101-06012-0A BoltHEX., 6X12 |
92101-06012-0A |
from US $0.44 |
||
|
18
|
18
92101-06012-0A BoltHEX., 6X12 |
92101-06012-0A |
from US $0.44 |
||
|
19
|
19
93494-060-250-7 Bolt-wash.6x25 |
93494-060-250-7 |
US $0.59 |
||
|
20
|
20
94001-062-000-S NutHEX., 6MM |
94001-062-000-S |
from US $0.44 |
||
|
21
|
21
94101-06800 WasherPLAIN, 6MM |
94101-06800 |
from US $0.37 |
||
|
22
|
22
94111-06000 WasherSPRING, 6MM |
94111-06000 |
from US $0.37 |
||
|
23
|
23
9425114000 Pin, lock (14mm) |
9425114000 |
US $0.81 |
||
|
24
|
24
95701-060-100-0 BoltFLANGE, 6X10 |
95701-060-100-0 |
from US $0.52 |
||