Turn signal Diagram Honda CB750
- Year
- 1978
- Model code
- CB750F A
- Sales region
- USA
- Frame
- CB750F2200001 -
- Engine Capacity
- 750
Difficulties in parts search?
Difficulties in parts search?
| Description | OEM Part # | Price | |||
|---|---|---|---|---|---|
|
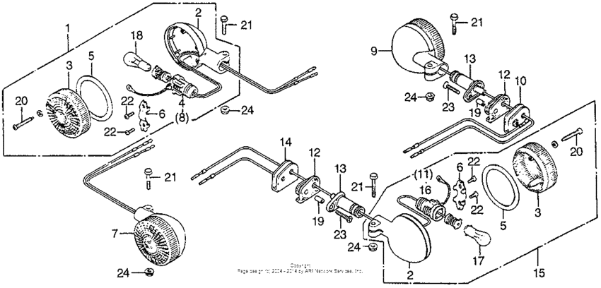
1
|
1
33400-461-679
Winker assy 94ng
|
33400-461-679 |
— | ||
|
2
|
2
33401-377-671
Base,winker
|
33401-377-671 |
— | ||
|
3
|
3
33402-377-671
Lens,winker
|
33402-377-671 |
— | ||
|
4
|
4
33405-377-671
Soket,r.front
|
33405-377-671 |
— | ||
| replacement | |||||
|
4
|
4
33405-461-670
Socket,r.winker
|
33405-461-670 |
— | ||
|
5
|
5
33406-377-671
Packing,wink.lens
|
33406-377-671 |
— | ||
|
6
|
6
33407-377-671
Holder,socket
|
33407-377-671 |
— | ||
|
7
|
7
33400-461-679
Winker assy 94ng
|
33400-461-679 |
— | ||
|
8
|
8
33405-461-670
Socket,r.winker
|
33405-461-670 |
— | ||
|
9
|
9
33600-374-671
Winker,right rear
|
33600-374-671 |
— | ||
|
10
|
10
33604-374-670
Stopper,r.rr.wink
|
33604-374-670 |
— | ||
|
11
|
11
33606-374-670
Rubber,rr.winker
|
33606-374-670 |
— | ||
|
12
|
12
33609-374-670
Stopper,l.rr.wink
|
33609-374-670 |
— | ||
|
13
|
13
33607-374-670
Stay,rear winker
|
33607-374-670 |
— | ||
|
14
|
14
33610-374-671
Socket,r.winker
|
33610-374-671 |
— | ||
|
15
|
15
33650-374-671
Winker,left rear
|
33650-374-671 |
— | ||
|
16
|
16
33660-374-671
Socket,l.winker
|
33660-374-671 |
— | ||
|
17
|
17
34905-268-671 Bulb (12v23w32cp) |
34905-268-671 |
from US $3.26 |
||
|
18
|
18
34901-504-003 Pilot lump bulb |
34901-504-003 |
US $57.50 |
||
|
18
|
18
34906-313-671 Bulb (12v23/8w) |
34906-313-671 |
from US $3.85 |
||
|
19
|
19
80108-061-010 Collar a, rr. fender |
80108-061-010 |
from US $3.40 |
||
|
20
|
20
93500-040-250-A Screw, pan, 4x25 |
93500-040-250-A |
from US $0.37 |
||
|
21
|
21
93101-060-350-B Bolt, hex. (6x35) |
93101-060-350-B |
US $1.94 |
||
|
22
|
22
93500-030080H Screw, pan, 3x8 |
93500-030080H |
from US $0.37 |
||
|
23
|
23
93700-060250B Screw, oval (6x25) |
93700-060250B |
from US $0.74 |
||
|
24
|
24
94050-06000 NutFLANGE, 6MM |
94050-06000 |
from US $0.52 |
||