Fixed mount saddlebag set Diagram Honda CB750
- Year
- 1981
- Model code
- CB750F A
- Sales region
- USA
- Frame
- JH2RC040*BM200001 - JH2RC040*BM207766
- Engine Capacity
- 750
Difficulties in parts search?
Parts list
Difficulties in parts search?
| Description | OEM Part # | Price | |||
|---|---|---|---|---|---|
|
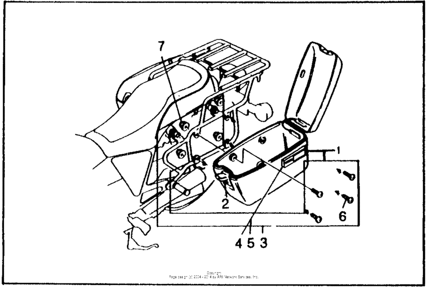
1
|
1
08161-44500
Sdlbg *nh104mu*
|
08161-44500 |
— | ||
|
1
|
1
08161-44501
Saddlebag set *nh1*
|
08161-44501 |
— | ||
|
2
|
2
08102-99905
Latch lock assy.
|
08102-99905 |
— | ||
|
3
|
3
08161-460-003
Saddlebag hdw kit
|
08161-460-003 |
— | ||
|
4
|
4
08161-460-000-4
Reflector, r.
|
08161-460-000-4 |
— | ||
|
5
|
5
0Y161-460-000-5
Bag, l. reflector
|
0Y161-460-000-5 |
— | ||
|
6
|
6
08161-460-000-8
Screw, pan (8x30)
|
08161-460-000-8 |
— | ||
|
7
|
7
0Y161-460-008-0
Nut, lock (8mm)
|
0Y161-460-008-0 |
— |