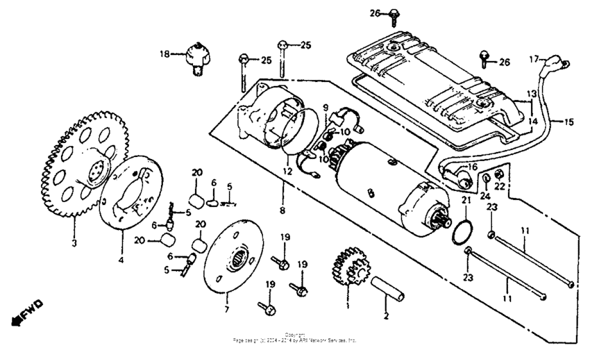
Starter motor Diagram Honda CB750 Nighthawk
- Year
- 1983
- Model code
- CB750SC A
- Sales region
- USA
- Frame
- JH2RC012*DM100001 - JH2RC012*DM102116
- Engine Capacity
- 750
Difficulties in parts search?
Difficulties in parts search?
| Description | OEM Part # | Price | |||
|---|---|---|---|---|---|
|
1
|
1
28101-425-000
Gear,start red
|
28101-425-000 |
— | ||
|
2
|
2
28106-425-000
Shaft,start red g
|
28106-425-000 |
— | ||
|
3
|
3
28110-425-010
Gear,star.clutch
|
28110-425-010 |
— | ||
|
4
|
4
28120-425-000
Outer,start clch
|
28120-425-000 |
— | ||
|
5
|
5
28125-516-030 Spring |
28125-516-030 |
from US $2.59 |
||
|
6
|
6
28126-516-020 Cap,staringclutch |
28126-516-020 |
from US $10.36 |
||
|
7
|
7
28130-425-000
Flange,start driv
|
28130-425-000 |
— | ||
|
8
|
8
31200-438-505
Motor, starter
|
31200-438-505 |
— | ||
|
9
|
9
31201-292-158 Brush.set,motor |
31201-292-158 |
from US $31.88 |
||
|
10
|
10
31204-292-158 Spring, carbon brush |
31204-292-158 |
from US $6.07 |
||
|
11
|
11
31205-413-780
Bolt,start.cover
|
31205-413-780 |
— | ||
|
12
|
12
31206-402-008 O-ring (60x1.4) |
31206-402-008 |
US $11.40 |
||
|
13
|
13
31280-438-670
Cover,start.motor
|
31280-438-670 |
— | ||
|
14
|
14
31282-425-300 Pkg,stat mot cov |
31282-425-300 |
US $11.40 |
||
|
15
|
15
32402-425-000
Cable,start moter
|
32402-425-000 |
— | ||
|
16
|
16
32411-230-000 Cover |
32411-230-000 |
from US $5.33 |
||
|
17
|
17
32416-425-000
Cover b,mag sw
|
32416-425-000 |
— | ||
|
18
|
18
37240-P13-013 Switch assyOIL PRESSURE (DENSO) |
37240-P13-013 |
from US $20.67 |
||
|
19
|
19
90022-425-000 Bolt,flange 8x16 |
90022-425-000 |
from US $3.63 |
||
|
20
|
20
91101-516-000 Roller (15x13) |
91101-516-000 |
from US $4.74 |
||
|
21
|
21
91312-MG7-003 O-ring (24.4x3.1) |
91312-MG7-003 |
from US $7.99 |
||
|
22
|
22
94002-060-000-S NutHEX., 6MM |
94002-060-000-S |
from US $0.44 |
||
|
23
|
23
94111-05000 WasherSPRING, 5MM |
94111-05000 |
from US $0.37 |
||
|
24
|
24
94111-06000 WasherSPRING, 6MM |
94111-06000 |
from US $0.37 |
||
|
25
|
25
95701-0606000 Bolt, flange, 6x60 |
95701-0606000 |
from US $0.49 |
||
|
26
|
26
96001-060-120-7 BoltFLANGE, 6X12 |
96001-060-120-7 |
from US $0.59 |