Alternator Diagram Honda CR250
- Model code
- CR250M1 A
- Sales region
- USA
- Frame
- CR250M2000001 - CR250M2005434
- Engine Capacity
- 250
Difficulties in parts search?
Parts list
Difficulties in parts search?
| Description | OEM Part # | Price | |||
|---|---|---|---|---|---|
|
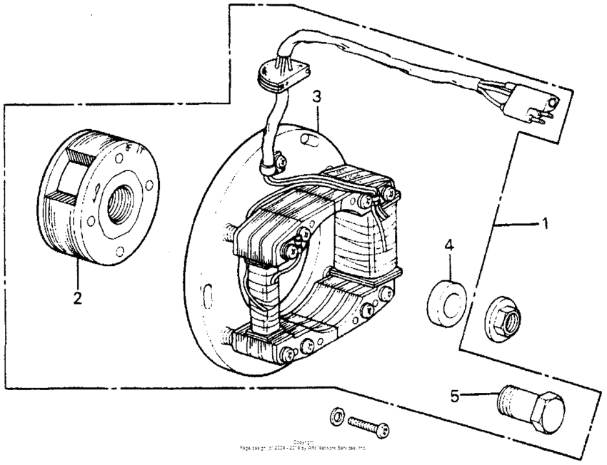
1
|
1
31010-381-810
Alternator set
(Optional). |
31010-381-810 |
— | ||
|
2
|
2
31101-381-811
Rotor
(Optional). |
31101-381-811 |
— | ||
|
3
|
3
31102-381-811
Stator
(Optional). |
31102-381-811 |
— | ||
|
4
|
4
31105-381-810
Spacer, alternator
(Optional). |
31105-381-810 |
— | ||
|
5
|
5
90039-381-810
Bolt, removing
(Optional). |
90039-381-810 |
— |