Left crankcase cover + alternator Diagram Honda CR250
- Model code
- CR250M1 A
- Sales region
- USA
- Frame
- CR250M2000001 - CR250M2005434
- Engine Capacity
- 250
Difficulties in parts search?
Parts list
Difficulties in parts search?
| Description | OEM Part # | Price | |||
|---|---|---|---|---|---|
|
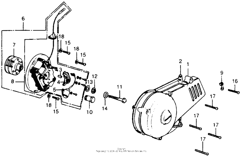
1
|
1
11341-381-000
Cover, l. crankcase
|
11341-381-000 |
— | ||
|
2
|
2
11395-357-306
Gasket, l
|
11395-357-306 |
— | ||
|
3
|
3
30205-357-003
Felt, oil
|
30205-357-003 |
— | ||
|
4
|
4
30210-357-003
Breaker
|
30210-357-003 |
— | ||
|
5
|
5
30280-357-003
Condenser
|
30280-357-003 |
— | ||
|
6
|
6
31100-381-003
Alternator assy.
|
31100-381-003 |
— | ||
|
7
|
7
31101-381-003
Rotor
|
31101-381-003 |
— | ||
|
8
|
8
31102-381-003
Stator
|
31102-381-003 |
— | ||
|
9
|
9
90038-357-000
Cramp,point cord
|
90038-357-000 |
— | ||
|
10
|
10
90039-381-000
Bolt, removing
|
90039-381-000 |
— | ||
|
12
|
12
90201-358-000
Nut, special (12mm)
|
90201-358-000 |
— | ||
|
13
|
13
90427-358-000
Washer
|
90427-358-000 |
— | ||
|
15
|
15
93500-060-200-A ScrewPAN, 6X20 |
93500-060-200-A |
from US $0.44 |
||
|
16
|
16
93500-060280A Screw, pan, 6x28 |
93500-060280A |
from US $0.52 |
||
|
17
|
17
93500-060350A Screw, pan, 6x35 |
93500-060350A |
from US $0.52 |
||
|
18
|
18
94101-06800 WasherPLAIN, 6MM |
94101-06800 |
from US $0.37 |