Frame 97 Diagram Honda CR250
- Year
- 1997
- Model code
- CR250R A
- Sales region
- USA
- Frame
- JH2ME030*VM900001 -
- Engine Capacity
- 250
Difficulties in parts search?
Difficulties in parts search?
| Description | OEM Part # | Price | |||
|---|---|---|---|---|---|
|
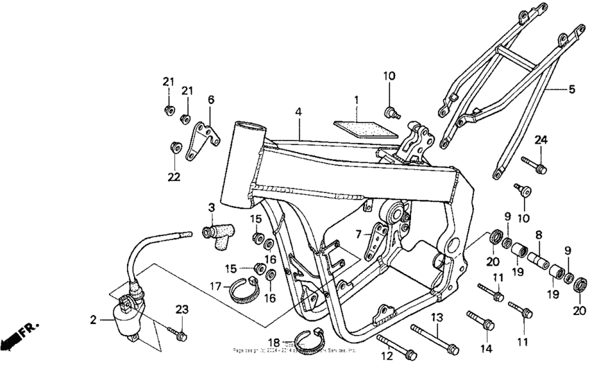
1
|
1
30420-KZ3-B00
Cover
|
30420-KZ3-B00 |
— | ||
|
2
|
2
30500-GY8-901 Coil assy,ign |
30500-GY8-901 |
from US $52.94 |
||
|
3
|
3
30700-KA5-771 Cap assy. |
30700-KA5-771 |
from US $23.13 |
||
|
4
|
4
50100-KZ3-B00 Frame |
50100-KZ3-B00 |
US $1,568.18 |
||
|
5
|
5
50200-KZ3-B00
Frame, rr
|
50200-KZ3-B00 |
— | ||
|
6
|
6
50407-KZ3-B00
Brkt, r. head hanger
|
50407-KZ3-B00 |
— | ||
|
7
|
7
50408-KZ3-B00
Brkt, l. head hanger
|
50408-KZ3-B00 |
— | ||
|
8
|
8
52464-KZ3-B00
Collar b, shock arm
|
52464-KZ3-B00 |
— | ||
|
9
|
9
52475-KZ3-860 Collar |
52475-KZ3-860 |
from US $7.99 |
||
|
10
|
10
90102-KZ3-B00 Bolt, special (8mm) |
90102-KZ3-B00 |
from US $3.85 |
||
|
11
|
11
90103-MM0-620 Bolt, flange (8x53) |
90103-MM0-620 |
from US $2.59 |
||
|
12
|
12
90109-KZ3-B00
Bolt, flg (10x120)
|
90109-KZ3-B00 |
— | ||
|
13
|
13
90111-KZ3-B00
Bolt, flg (10x135)
|
90111-KZ3-B00 |
— | ||
|
14
|
14
90153-MW0-000
Bolt, socket (10x52)
|
90153-MW0-000 |
— | ||
|
15
|
15
90304-GA6-003 Nut, axle, 10mm |
90304-GA6-003 |
from US $2.96 |
||
|
16
|
16
90410-HC4-000 Washer (10mm) |
90410-HC4-000 |
from US $2.74 |
||
|
17
|
17
90651-KV6-003 Band, wire, 165mm (black) |
90651-KV6-003 |
from US $2.96 |
||
|
18
|
18
90652-KT1-771 Band, wire (black) |
90652-KT1-771 |
from US $2.29 |
||
|
19
|
19
91078-KZ3-731 Bearing (22x28x16) |
91078-KZ3-731 |
from US $11.99 |
||
|
20
|
20
91261-KZ3-861 Dust seal (27x34x4) |
91261-KZ3-861 |
from US $5.92 |
||
|
21
|
21
94050-08000 NutFLANGE, 8MM |
94050-08000 |
from US $0.52 |
||
|
22
|
22
94050-10000 NutFLANGE, 10MM |
94050-10000 |
from US $0.74 |
||
|
23
|
23
96001-060-200-0 BoltFLANGE, 6X20 |
96001-060-200-0 |
from US $0.59 |
||
|
24
|
24
96400-0806000 Bolt, flange (8x60) |
96400-0806000 |
US $0.89 |