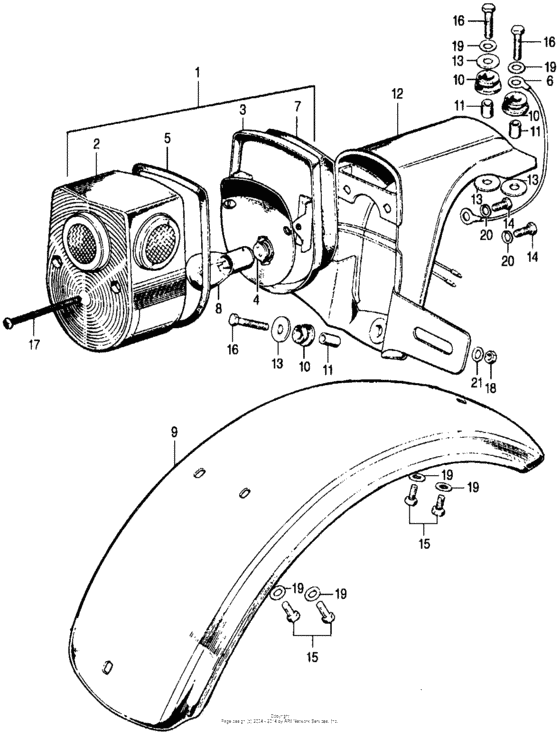
Taillight + rear fender Diagram Honda CT70
- Model code
- CT70 A
- Sales region
- USA
- Frame
- CT70100001 -
- Engine Capacity
- 70
Difficulties in parts search?
Difficulties in parts search?
| Description | OEM Part # | Price | |||
|---|---|---|---|---|---|
|
1
|
1
33700-074-671
Light assy,tail
|
33700-074-671 |
— | ||
|
2
|
2
33702-074-671
Lens tail light
|
33702-074-671 |
— | ||
|
3
|
3
33703-074-671
Base tail light
|
33703-074-671 |
— | ||
|
4
|
4
33708-077-671 Tial-light,cord |
33708-077-671 |
US $9.32 |
||
|
5
|
5
33709-074-671 Packing tail lens |
33709-074-671 |
from US $2.44 |
||
|
6
|
6
33712-098-670
Cord earth,light
|
33712-098-670 |
— | ||
|
7
|
7
33719-074-670 Packing tail base |
33719-074-670 |
US $5.18 |
||
|
8
|
8
34906-202-670 Bulb, tail light |
34906-202-670 |
from US $4.07 |
||
|
9
|
9
80100-098-670ZB Fender,rr*tmfcr2* |
80100-098-670ZB |
from US $131.92 |
||
|
10
|
10
80105-061-000 Rubber a, rr. fender |
80105-061-000 |
from US $3.11 |
||
|
11
|
11
80108-061-010 Collar a, rr. fender |
80108-061-010 |
from US $3.40 |
||
|
12
|
12
84701-098-671XW
Bracket,no.plate
|
84701-098-671XW |
— | ||
|
13
|
13
94103-06800 WasherPLAIN, 6MM |
94103-06800 |
from US $0.37 |
||
|
14
|
14
92101-05012-0G Bolt, hex. (5x12) |
92101-05012-0G |
from US $0.37 |
||
|
15
|
15
92101-06010-0A Bolt, hex., 6x10 |
92101-06010-0A |
from US $0.44 |
||
|
16
|
16
92101-06016-0A BoltHEX., 6X16 |
92101-06016-0A |
from US $0.44 |
||
|
17
|
17
93500-040-500-B Screw cross 4x50 |
93500-040-500-B |
from US $0.59 |
||
|
18
|
18
94001-062-000-S NutHEX., 6MM |
94001-062-000-S |
from US $0.44 |
||
|
19
|
19
94101-06800 WasherPLAIN, 6MM |
94101-06800 |
from US $0.37 |
||
|
20
|
20
94111-05000 WasherSPRING, 5MM |
94111-05000 |
from US $0.37 |
||
|
21
|
21
94111-06000 WasherSPRING, 6MM |
94111-06000 |
from US $0.37 |