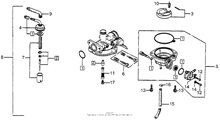
Carburetor 80-81 Diagram Honda CT70
- Year
- 1981
- Model code
- CT70 A
- Sales region
- USA
- Frame
- JH2DD010*BS200002 - JH2DD010*BS206091
- Engine Capacity
- 70
Difficulties in parts search?
Difficulties in parts search?
| Description | OEM Part # | Price | |||
|---|---|---|---|---|---|
|
1
|
1
16010-957-305 Gasket set |
16010-957-305 |
from US $23.66 |
||
|
2
|
2
16012-126-671
Needle set, jet
|
16012-126-671 |
— | ||
|
3
|
3
16013-883-005 Float set |
16013-883-005 |
from US $19.31 |
||
|
4
|
4
16014-086-305
Top set
|
16014-086-305 |
— | ||
|
5
|
5
16015-126-671
Chamber set, float
|
16015-126-671 |
— | ||
|
6
|
6
16016-126-671
Screw set
|
16016-126-671 |
— | ||
|
7
|
7
16022-098-770
Valve set, throttle
|
16022-098-770 |
— | ||
|
8
|
8
16100-126-672
Carburetor assy.
|
16100-126-672 |
— | ||
|
9
|
9
16118-121-014
Cap, cable sealing
|
16118-121-014 |
— | ||
|
10
|
10
16155-883-005 Valve comp., float |
16155-883-005 |
from US $17.57 |
||
|
11
|
11
16165-098-770
Holder,needle jet
|
16165-098-770 |
— | ||
|
12
|
12
93500-030120H Screw, pan, 3x12 |
93500-030120H |
from US $0.37 |
||
|
13
|
13
93892-040-140-8 Screw-washer4X14 |
93892-040-140-8 |
from US $0.44 |
||
|
14
|
14
94111-03800 WasherSPRING, 3MM |
94111-03800 |
from US $0.37 |
||
|
15
|
15
95001-350-0360M Bulk hose (3.5x3000) |
95001-350-0360M |
from US $13.99 |
||
|
16
|
16
95002-02070 ClipTUBE(B7) |
95002-02070 |
from US $0.44 |
||
|
17
|
17
99101-116-0550 Jet,main #55 |
99101-116-0550 |
US $4.59 |
||
|
17
|
17
99101-116-0520 Jet,main,#52(Optional). |
99101-116-0520 |
US $4.44 |