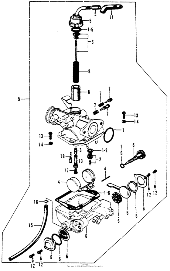
Carburetor set Diagram Honda CT70

Model code
CT70H A
Sales region
USA
Frame
CT70H100001 -
Engine Capacity
70

Difficulties in parts search?

Parts list
Carburetor set

Difficulties in parts search?

Carburetor set
Description OEM Part # Price
1
1

16010-098-305

Gasket set

16010-098-305

from US $26.08

2
2

16011-051-004

Valve set,float

16011-051-004

from US $19.58

3
3
16012-098-670
Needle set, jet

16012-098-670

4
4

16013-116-700

Float set

16013-116-700

from US $27.34

5
5

16014-045-024

Top set

16014-045-024

US $18.22

6
6
16015-045-710
Chamber set,float

16015-045-710

7
7
16016-046-004
Screw set a

16016-046-004

8
8
16022-046-004
Valve set,throt.

16022-046-004

9
9
16100-098-720
Carburetor assy.

Use up to Engine SN 150720

16100-098-720

9
9
16100-098-722
Carburetor assy.

Use from Engine SN 150721

16100-098-722

10
10
16176-098-720
Holder, needle jet

16176-098-720

11
11
16194-045-741
Cap,rubber

16194-045-741

12
12

93500-030-060-B

Screw,cross 3x6

93500-030-060-B

US $0.52

13
13

93500-040-120-A

Screw

PAN, 4X12

93500-040-120-A

from US $0.37

14
14

94111-04000

Washer

SPRING, 4MM

94111-04000

from US $0.37

15
15

95001-350-0360M

Bulk hose (3.5x3000)

95001-350-0360M

from US $13.99

16
16

95002-02070

Clip

TUBE(B7)

95002-02070

from US $0.44

17
17
99114-076-0600
Jet,main #60

99114-076-0600

18
18

99124-217-0351

Jet slow #35

99124-217-0351

US $3.55

Carburetor set Diagram Honda CT70 USA 13630923-787324