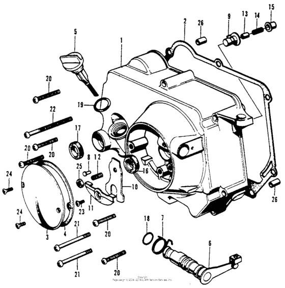
Right crankcase cover Diagram Honda CT70
- Model code
- CT70H A
- Sales region
- USA
- Frame
- CT70H100001 -
- Engine Capacity
- 70
Difficulties in parts search?
Difficulties in parts search?
| Description | OEM Part # | Price | |||
|---|---|---|---|---|---|
|
1
|
1
11330-051-692
Cover, r. crankcase
Use up to Engine SN 149880 |
11330-051-692 |
— | ||
|
1
|
1
11330-118-671 Cover, r. crankcaseUse from Engine SN 149881 |
11330-118-671 |
US $153.48 |
||
|
2
|
2
11394-GW8-681 Gasket, r |
11394-GW8-681 |
US $14.01 |
||
| replacement | |||||
|
2
|
2
11394-GW8-682 Gasket, r |
11394-GW8-682 |
from US $12.58 |
||
|
3
|
3
11651-035-010 Cover, Clutch |
11651-035-010 |
US $8.88 |
||
|
4
|
4
11655-035-306 Gasket, clutch cover |
11655-035-306 |
US $3.11 |
||
|
5
|
5
15650-098-730 Dipstick, oil |
15650-098-730 |
from US $7.84 |
||
|
6
|
6
22810-098-721
Lever comp,clutch
|
22810-098-721 |
— | ||
|
7
|
7
22815-035-010 Spring, lever |
22815-035-010 |
US $2.15 |
||
|
8
|
8
22816-035-000 Pin, clutch lever |
22816-035-000 |
US $1.92 |
||
|
9
|
9
22820-118-670 Rod,clutch pushUse up to Engine SN 157011 |
22820-118-670 |
US $6.81 |
||
|
10
|
10
22835-035-000 Plate, lifter |
22835-035-000 |
US $3.70 |
||
|
11
|
11
22839-035-000 Plate, lifter |
22839-035-000 |
US $2.15 |
||
|
12
|
12
22846-035-000 Bolt, adjusting |
22846-035-000 |
US $2.15 |
||
|
13
|
13
25551-918-007 Through, oilUse up to Engine SN 143000 |
25551-918-007 |
US $8.14 |
||
| replacement | |||||
|
13
|
13
25551-GEL-A80 Through, oilUse up to Engine SN 143000 |
25551-GEL-A80 |
from US $3.89 |
||
|
14
|
14
25555-065-000 Spring, oil through |
25555-065-000 |
from US $1.92 |
||
|
15
|
15
25557-111-000 Guide,oil throughUse up to Engine SN 143000 |
25557-111-000 |
US $5.33 |
||
|
16
|
16
91201-035-015 Oil seal (12x21x4) |
91201-035-015 |
from US $4.74 |
||
|
17
|
17
91202-KFL-841 Oil seal 13.8x24x5 |
91202-KFL-841 |
from US $4.51 |
||
|
18
|
18
91304-035-000 O-ring (14x1.5) |
91304-035-000 |
from US $2.74 |
||
|
19
|
19
91307-KF0-003 O-ring (18x3) |
91307-KF0-003 |
from US $1.42 |
||
|
19
|
19
91307-035-000 O-ring (18x3) |
91307-035-000 |
from US $4 |
||
|
20
|
20
93500-060400A Screw, pan (6x40) |
93500-060400A |
from US $0.52 |
||
|
21
|
21
93500-060550A Screw, pan, 6x55 |
93500-060550A |
from US $0.59 |
||
|
22
|
22
93500-060-600-A Screw,pan,6x60 |
93500-060-600-A |
from US $0.59 |
||
|
23
|
23
93600-060-160-A ScrewFLAT, 6X16 |
93600-060-160-A |
from US $0.44 |
||
|
24
|
24
93700-050-120-A Screw, oval (5x12) |
93700-050-120-A |
from US $0.37 |
||
|
25
|
25
94002-060-000-S NutHEX., 6MM |
94002-060-000-S |
from US $0.44 |
||
|
26
|
26
9430108120 Pin a, dowel, 8x12 |
9430108120 |
from US $0.89 |
||