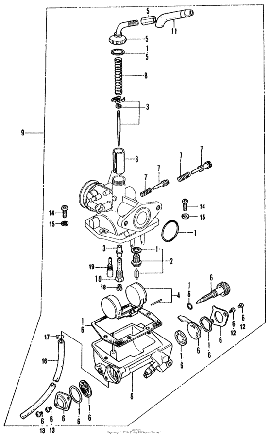
Carburetor Diagram Honda CT70
- Model code
- CT70K2 A
- Sales region
- USA
- Frame
- CT702100001 -
- Engine Capacity
- 70
Difficulties in parts search?
Difficulties in parts search?
| Description | OEM Part # | Price | |||
|---|---|---|---|---|---|
|
1
|
1
16010-102-305 Gasket set |
16010-102-305 |
from US $25.70 |
||
|
2
|
2
16011-051-004 Valve set,float |
16011-051-004 |
from US $19.58 |
||
|
3
|
3
16012-098-014 Needle set,jet |
16012-098-014 |
US $21.86 |
||
|
4
|
4
16013-116-700 Float set |
16013-116-700 |
from US $27.34 |
||
|
5
|
5
16014-918-004
Top set
|
16014-918-004 |
— | ||
|
6
|
6
16015-098-730
Chamber set,float
|
16015-098-730 |
— | ||
|
7
|
7
16016-046-004
Screw set a
|
16016-046-004 |
— | ||
|
8
|
8
16022-098-670
Valve set,throt.
|
16022-098-670 |
— | ||
|
9
|
9
16100-098-731
Carbu,ct70(533a)
|
16100-098-731 |
— | ||
|
10
|
10
16165-098-730
Holder, needle jet
|
16165-098-730 |
— | ||
|
11
|
11
16194-045-741
Cap,rubber
|
16194-045-741 |
— | ||
|
12
|
12
93500-030-050-A Screw, pan, 3x5 |
93500-030-050-A |
from US $0.38 |
||
|
13
|
13
93500-030060A Screw, pan, 3x6 |
93500-030060A |
from US $0.37 |
||
|
14
|
14
93500-040-120-A ScrewPAN, 4X12 |
93500-040-120-A |
from US $0.37 |
||
|
15
|
15
94111-04000 WasherSPRING, 4MM |
94111-04000 |
from US $0.37 |
||
|
16
|
16
95001-350-0360M Bulk hose (3.5x3000) |
95001-350-0360M |
from US $13.99 |
||
|
17
|
17
95002-02070 ClipTUBE(B7) |
95002-02070 |
from US $0.44 |
||
|
18
|
18
99114-076-0580
Jet,main #58
|
99114-076-0580 |
— | ||
|
19
|
19
99124-217-0351 Jet slow #35 |
99124-217-0351 |
US $3.55 |