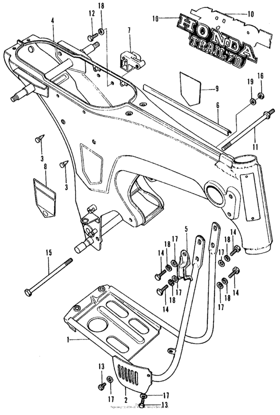
Frame + crankcase protector Diagram Honda CT70
- Model code
- CT70K2 A
- Sales region
- USA
- Frame
- CT702100001 -
- Engine Capacity
- 70
Difficulties in parts search?
Difficulties in parts search?
| Description | OEM Part # | Price | |||
|---|---|---|---|---|---|
|
1
|
1
11911-098-671
Protector, crankcase
|
11911-098-671 |
— | ||
|
2
|
2
11912-098-671
Protector, crankcase
|
11912-098-671 |
— | ||
|
3
|
3
50049-046-000 Plug, head pipe |
50049-046-000 |
from US $2.37 |
||
|
4
|
4
50100-098-970DD
Frame *yr1c*
|
50100-098-970DD |
— | ||
|
4
|
4
50100-098-970NL
Frame *pb5cs*
|
50100-098-970NL |
— | ||
|
5
|
5
50191-098-670 Grip,wire,harness |
50191-098-670 |
from US $4.59 |
||
|
6
|
6
50305-098-000 Molding,body,frame |
50305-098-000 |
from US $15.64 |
||
|
7
|
7
50710-086-007 Holder assy., helmet |
50710-086-007 |
from US $24.77 |
||
|
8
|
8
87122-098-950
Emblem,frame r
|
87122-098-950 |
— | ||
|
9
|
9
87123-098-950
Emblem,frame l.
|
87123-098-950 |
— | ||
|
10
|
10
87126-098-950
Emblem,front
|
87126-098-950 |
— | ||
|
11
|
11
90112-003-000 Bolt, eng |
90112-003-000 |
from US $10.21 |
||
|
12
|
12
92101-06008-0A Bolt, hex., 6x8 |
92101-06008-0A |
from US $0.44 |
||
|
13
|
13
92101-06010-0A Bolt, hex., 6x10 |
92101-06010-0A |
from US $0.44 |
||
|
14
|
14
92101-06016-0A BoltHEX., 6X16 |
92101-06016-0A |
from US $0.44 |
||
|
15
|
15
92200-08115-0A
Bolt,hex,8x115
|
92200-08115-0A |
— | ||
| replacement | |||||
|
15
|
15
92201-081-150-A BOLT, HEX (8x115) |
92201-081-150-A |
US $1.33 |
||
|
16
|
16
94030-08000 NutHEX., 8MM |
94030-08000 |
from US $0.44 |
||
|
17
|
17
94101-06800 WasherPLAIN, 6MM |
94101-06800 |
from US $0.37 |
||
|
18
|
18
94111-06000 WasherSPRING, 6MM |
94111-06000 |
from US $0.37 |
||
|
19
|
19
94111-08000 WasherSPRING, 8MM |
94111-08000 |
from US $0.37 |
||