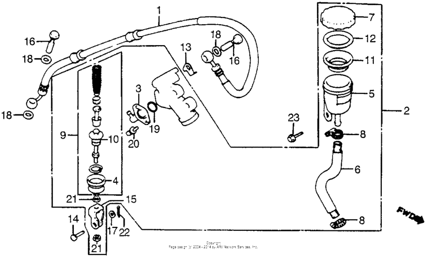
Rear brake master cylinder Diagram Honda CX500
- Year
- 1982
- Model code
- CX500TC A
- Sales region
- USA
- Frame
- JH2PC030*CM000017 -
- Engine Capacity
- 500
Difficulties in parts search?
Difficulties in parts search?
| Description | OEM Part # | Price | |||
|---|---|---|---|---|---|
|
1
|
1
43310-ME7-013
Hose, rr. brake
|
43310-ME7-013 |
— | ||
|
2
|
2
43500-MC7-016
M/c assy,rear.
|
43500-MC7-016 |
— | ||
|
3
|
3
43503-422-006 Conn.,master cyln |
43503-422-006 |
US $12.18 |
||
|
4
|
4
43504-371-013 Boot,mas.cylinder |
43504-371-013 |
from US $7.99 |
||
|
5
|
5
43511-443-761
Cap,mas.cylin.oil
|
43511-443-761 |
— | ||
|
6
|
6
43512-MC7-612
Hose,master cyln.
|
43512-MC7-612 |
— | ||
|
7
|
7
43513-MJ6-006 Cap,oil cup |
43513-MJ6-006 |
US $22.03 |
||
|
8
|
8
43514-445-771 Clamp, master cylinder oil hose |
43514-445-771 |
from US $10.95 |
||
|
9
|
9
43520-461-771 Cylin set,master |
43520-461-771 |
US $52.94 |
||
|
10
|
10
43530-MC7-006
Rod comp.,push
|
43530-MC7-006 |
— | ||
|
11
|
11
45520-300-000 Diaphragm |
45520-300-000 |
from US $7.99 |
||
|
12
|
12
45521-MJ6-006 Plate, diaphragm |
45521-MJ6-006 |
from US $4.22 |
||
|
13
|
13
45535-MC7-000
Stopper,oil bolt
|
45535-MC7-000 |
— | ||
|
14
|
14
46503-371-000 Pin, brake rod |
46503-371-000 |
US $4.07 |
||
|
15
|
15
46504-445-771
Joint, brake rod
|
46504-445-771 |
— | ||
|
16
|
16
90145-300-010 Bolt, oil |
90145-300-010 |
from US $8.58 |
||
|
17
|
17
90501-310-000 Washer (7x12) |
90501-310-000 |
from US $2.07 |
||
|
18
|
18
90545-300-000 Washer |
90545-300-000 |
from US $3.18 |
||
|
19
|
19
91212-422-006 O-ring (14.8x2.4) |
91212-422-006 |
from US $3.11 |
||
|
20
|
20
93893-040-120-8 Screw-washer4X12 |
93893-040-120-8 |
from US $0.58 |
||
|
21
|
21
94002-080-000-S NutHEX., 8MM |
94002-080-000-S |
from US $0.44 |
||
|
22
|
22
9420116250 Pin, cotter (1.6x25) |
9420116250 |
from US $0.44 |
||
|
23
|
23
95701-060-120-0 BoltFLANGE, 6X12 |
95701-060-120-0 |
from US $0.52 |