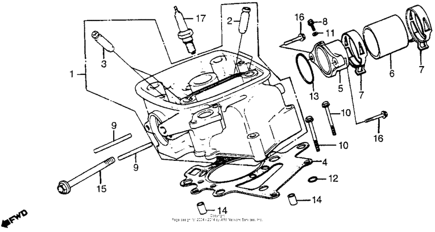
Right cylinder head Diagram Honda CX500
- Year
- 1982
- Model code
- CX500TC A
- Sales region
- USA
- Frame
- JH2PC030*CM000017 -
- Engine Capacity
- 500
Difficulties in parts search?
Difficulties in parts search?
| Description | OEM Part # | Price | |||
|---|---|---|---|---|---|
|
1
|
1
12200-MC7-000
Cylinder head, r.
|
12200-MC7-000 |
— | ||
|
2
|
2
12233-MG8-405
Guide, in valve
|
12233-MG8-405 |
— | ||
|
3
|
3
12233-MG8-405
Guide, in valve
|
12233-MG8-405 |
— | ||
|
4
|
4
12251-MC7-306
Gasket, cyl hd
|
12251-MC7-306 |
— | ||
|
5
|
5
17113-MC7-000
Joint,r.in.
|
17113-MC7-000 |
— | ||
|
6
|
6
17115-MC7-003
Insulator,in.
|
17115-MC7-003 |
— | ||
|
7
|
7
17118-MC7-003
Band,in.manifold
|
17118-MC7-003 |
— | ||
|
8
|
8
90002-MC7-000 Bolt, flange, 5x8 |
90002-MC7-000 |
from US $2 |
||
|
9
|
9
90062-MC7-000
Bolt,stud,8x43
|
90062-MC7-000 |
— | ||
|
10
|
10
90068-MC7-000
Bolt,flange,8x50
|
90068-MC7-000 |
— | ||
|
11
|
11
90452-323-000 Washer, sealing, 5mm |
90452-323-000 |
from US $2.22 |
||
|
12
|
12
91302-044-013 O.ring ,6.9x1.5 |
91302-044-013 |
US $4.59 |
||
|
13
|
13
91325-413-830 O-ring,40x2.5 |
91325-413-830 |
from US $7.46 |
||
|
14
|
14
94301-08140 Dowel pin8X14 |
94301-08140 |
from US $0.89 |
||
|
15
|
15
95701-100-500-0 BoltFLANGE, 10X50 |
95701-100-500-0 |
from US $0.93 |
||
|
16
|
16
96001-0602200 Bolt, flange, 6x22 |
96001-0602200 |
from US $0.74 |
||
|
17
|
17
98069-57912 Plug,spark (ngk) |
98069-57912 |
US $4.08 |
||
|
17
|
17
98069-58912 Plug,spark |
98069-58912 |
from US $2.91 |
||
|
17
|
17
98069-59912 Plug,spark (ngk) |
98069-59912 |
from US $9.03 |