Rear cover Diagram Honda CX650
- Year
- 1983
- Model code
- CX650T A
- Sales region
- USA
- Frame
- JH2RC160*DM000023 - JH2RC160*DM001139
- Engine Capacity
- 650
Difficulties in parts search?
Difficulties in parts search?
| Description | OEM Part # | Price | |||
|---|---|---|---|---|---|
|
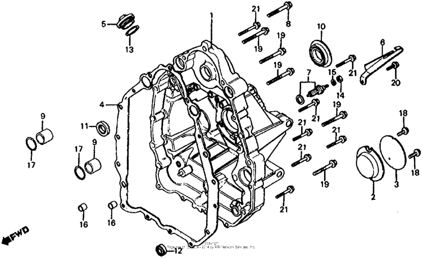
1
|
1
11310-ME7-000
Cover, rr
|
11310-ME7-000 |
— | ||
|
2
|
2
11311-ME7-000
Plate, breather
|
11311-ME7-000 |
— | ||
|
3
|
3
11313-ME7-000
Plate
|
11313-ME7-000 |
— | ||
|
4
|
4
11394-449-306
Gasket, rr. cover
|
11394-449-306 |
— | ||
|
5
|
5
12361-300-000 Cap, valve adj. |
12361-300-000 |
from US $13.04 |
||
|
6
|
6
31140-415-000
Guide,neutralcord
|
31140-415-000 |
— | ||
|
7
|
7
35600-413-023 Switch, neutral |
35600-413-023 |
from US $14.82 |
||
|
8
|
8
90066-MC7-000 Bolt, flange, 8x68 |
90066-MC7-000 |
from US $4.16 |
||
|
9
|
9
90701-415-000
Collar,22.2mm
|
90701-415-000 |
— | ||
|
10
|
10
91202-MC7-000 Oil seal,22x36x7 |
91202-MC7-000 |
US $17 |
||
|
11
|
11
91202-283-013 Oil seal 18x28x6 |
91202-283-013 |
from US $13.32 |
||
|
12
|
12
91204-259-003 Oil seal (16x28x7) |
91204-259-003 |
from US $3.92 |
||
|
13
|
13
91302-001-020 O-ring, 30.8mm |
91302-001-020 |
from US $3.63 |
||
|
14
|
14
94001-040-000-S NutHEX., 4MM |
94001-040-000-S |
from US $0.37 |
||
|
15
|
15
94111-04800 WasherSPRING, 4MM |
94111-04800 |
from US $0.37 |
||
|
16
|
16
94301-10160 Dowel pin10X16 |
94301-10160 |
from US $1.04 |
||
|
17
|
17
9460850000 O-ring, 23x2.8 |
9460850000 |
from US $0.89 |
||
|
18
|
18
95701-060-120-0 BoltFLANGE, 6X12 |
95701-060-120-0 |
from US $0.52 |
||
|
19
|
19
95701-0804000 Bolt, flange, 8x40 |
95701-0804000 |
from US $0.74 |
||
|
20
|
20
96001-060-140-0 BoltFLANGE, 6X14 |
96001-060-140-0 |
from US $0.59 |
||
|
21
|
21
96001-0603200 Bolt, flange, 6x32 |
96001-0603200 |
from US $0.74 |