Gl1200a instruments 84 Diagram Honda GL1200 Gold Wing Aspencade
- Year
- 1984
- Model code
- GL1200A AC
- Sales region
- USA
- Frame
- 1HFSC145*EA010863 - 1HFSC145*EA033837
- Engine Capacity
- 1200
Difficulties in parts search?
Difficulties in parts search?
| Description | OEM Part # | Price | |||
|---|---|---|---|---|---|
|
1
|
1
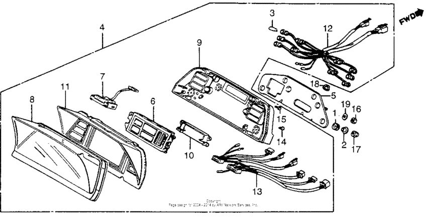
19051-KA4-000 Rubber, radiator mounting |
19051-KA4-000 |
from US $3.40 |
||
|
2
|
2
19052-MB0-000 Collar, radiator mounting |
19052-MB0-000 |
from US $4.44 |
||
|
3
|
3
34908-MB0-003 Bulb, wedge base (12v 3w) |
34908-MB0-003 |
from US $2.22 |
||
| replacement | |||||
|
3
|
3
34275-S2X-003 Bulb 12V 2.3W Wed |
34275-S2X-003 |
from US $2.22 |
||
|
4
|
4
37110-MG9-831
Sub meter,comb
|
37110-MG9-831 |
— | ||
|
5
|
5
37120-MG9-771
Stay, meter setting
|
37120-MG9-771 |
— | ||
|
6
|
6
37130-MG9-831
L.c.d. unit
|
37130-MG9-831 |
— | ||
|
7
|
7
37210-MG9-871
Odometer, total
|
37210-MG9-871 |
— | ||
|
8
|
8
37614-MG9-961
Glass assy., meter
Use from Frame SN EA020950 |
37614-MG9-961 |
— | ||
|
8
|
8
37615-MG9-871
Glass, meter
Use up to Frame SN EA020949 |
37615-MG9-871 |
— | ||
|
9
|
9
37616-MG9-871
Case, instrument
|
37616-MG9-871 |
— | ||
|
10
|
10
37617-MG9-871
Cover, rr
|
37617-MG9-871 |
— | ||
|
11
|
11
37618-MG9-871
Plate, reflecting
Use up to Frame SN EA020953 |
37618-MG9-871 |
— | ||
|
11
|
11
37618-MG9-872
Plate, reflecting
Use from Frame SN EA020954 |
37618-MG9-872 |
— | ||
|
12
|
12
37619-MG9-871
Socket
|
37619-MG9-871 |
— | ||
|
13
|
13
37620-MG9-871
Wire assy.
|
37620-MG9-871 |
— | ||
|
14
|
14
90121-MG9-871
Screw, tapping (3x8)
|
90121-MG9-871 |
— | ||
|
15
|
15
90102-MT8-008 Screw-washer (3x12) |
90102-MT8-008 |
from US $1.93 |
||
|
16
|
16
94001-060-800-S NutHEX., 6MM |
94001-060-800-S |
from US $0.44 |
||
|
17
|
17
9402106020 Nut, cap (6mm) |
9402106020 |
from US $0.74 |
||
|
18
|
18
94050-06080 NutFLANGE, 6MM |
94050-06080 |
from US $0.52 |
||
|
19
|
19
94103-06000 WasherPLAIN, 6MM |
94103-06000 |
from US $0.37 |
||