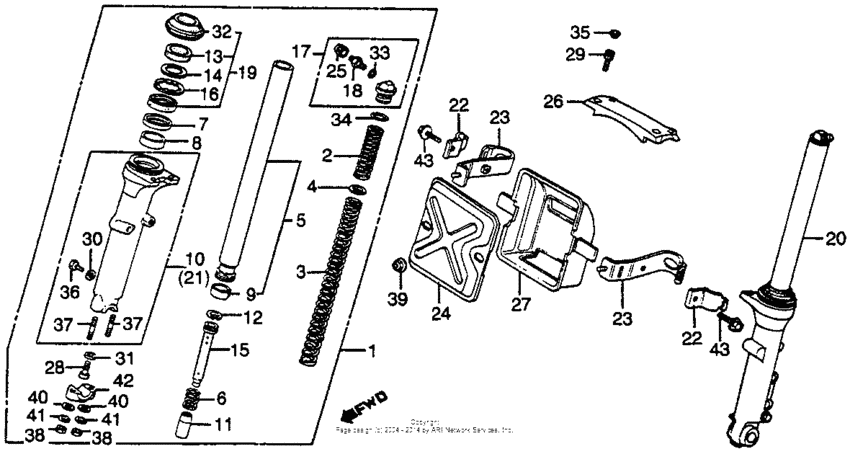
Front shock absorber Diagram Honda GL650 Silver Wing
- Year
- 1983
- Model code
- GL650 A
- Sales region
- USA
- Frame
- JH2RC100*DM000004 -
- Engine Capacity
- 650
Difficulties in parts search?
Difficulties in parts search?
| Description | OEM Part # | Price | |||
|---|---|---|---|---|---|
|
1
|
1
51400-ME2-013
Fork assy.,r.fr.
|
51400-ME2-013 |
— | ||
|
2
|
2
51401-ME2-003
Spg,a,front cush
|
51401-ME2-003 |
— | ||
|
3
|
3
51402-ME2-003
Spg,b,front cush
|
51402-ME2-003 |
— | ||
|
4
|
4
51403-MA0-771 Seat, spring |
51403-MA0-771 |
from US $3.55 |
||
|
5
|
5
51410-MC5-003
Pipe comp.,r.fork
|
51410-MC5-003 |
— | ||
|
6
|
6
51412-ME1-671
Spg,fr.fork rebou
|
51412-ME1-671 |
— | ||
|
7
|
7
51412-461-003 Ring, back-up |
51412-461-003 |
from US $4.28 |
||
|
8
|
8
51414-MN4-003 Bush, guide |
51414-MN4-003 |
from US $7.55 |
||
|
9
|
9
51415-461-003 Bush,slider |
51415-461-003 |
from US $12.49 |
||
|
10
|
10
51421-ME2-003
Case comp,r.bot
|
51421-ME2-003 |
— | ||
|
11
|
11
51432-371-003
Piece, oil lock
|
51432-371-003 |
— | ||
|
12
|
12
51437-MA0-771 Ring,piston |
51437-MA0-771 |
US $7.84 |
||
|
13
|
13
51438-MC5-003
Holder,grease
|
51438-MC5-003 |
— | ||
|
14
|
14
51439-MC5-003
Washer,holder
|
51439-MC5-003 |
— | ||
|
15
|
15
51440-MC5-003
Pipe,r.seat
|
51440-MC5-003 |
— | ||
|
16
|
16
51447-461-003 Circlip (50mm) |
51447-461-003 |
from US $3.78 |
||
|
17
|
17
51450-MC5-003
Bolt assy,fr.fork
|
51450-MC5-003 |
— | ||
|
18
|
18
51456-469-013 Valve, air |
51456-469-013 |
US $41.09 |
||
|
19
|
19
51490-KAZ-003 Seal set, fr. fork |
51490-KAZ-003 |
from US $17.24 |
||
|
20
|
20
51500-ME2-013
Fork assy.,l.fr.
|
51500-ME2-013 |
— | ||
|
21
|
21
51521-ME2-003
Case comp.l.bot
|
51521-ME2-003 |
— | ||
|
25
|
25
52425-381-771 Cap, air valve |
52425-381-771 |
from US $4.59 |
||
|
26
|
26
53240-MB0-000
Brace.,fr.fork
|
53240-MB0-000 |
— | ||
|
28
|
28
90116-383-721 Bolt, socket (8mm) |
90116-383-721 |
from US $3.85 |
||
|
29
|
29
90153-MB0-000
Bolt, socket (8x17)
|
90153-MB0-000 |
— | ||
| replacement | |||||
|
29
|
29
90153-MB0-405
Bolt, socket (8x17)
|
90153-MB0-405 |
— | ||
|
29
|
29
90153-MB0-405
Bolt, socket (8x17)
|
90153-MB0-405 |
— | ||
|
30
|
30
90543-273-000 Gasket, fr. |
90543-273-000 |
from US $2.15 |
||
|
31
|
31
90544-283-000 Washer (8mm) |
90544-283-000 |
from US $2.52 |
||
|
32
|
32
91254-KAZ-003 Dust seal |
91254-KAZ-003 |
from US $14.21 |
||
|
33
|
33
91305-323-000 O-ring, 5.8x1.9 |
91305-323-000 |
from US $2.22 |
||
|
33
|
33
91318-ME5-003 O-ring, 5.6x1.9 (arai) |
91318-ME5-003 |
from US $3.18 |
||
|
34
|
34
91344-PC9-004 O-ring29X2.4 (NOK) |
91344-PC9-004 |
from US $2.44 |
||
|
35
|
35
91455-MB0-010 Cap (8mm) |
91455-MB0-010 |
from US $1.48 |
||
|
36
|
36
92101-06008-0A Bolt, hex., 6x8 |
92101-06008-0A |
from US $0.44 |
||
|
37
|
37
92900-08028-3B Bolt, stud (8x50) |
92900-08028-3B |
from US $0.74 |
||
|
38
|
38
94030-08000 NutHEX., 8MM |
94030-08000 |
from US $0.44 |
||
|
40
|
40
94101-08000 WasherPLAIN, 8MM |
94101-08000 |
from US $0.37 |
||
|
41
|
41
94111-08000 WasherSPRING, 8MM |
94111-08000 |
from US $0.37 |
||
|
42
|
42
95014-41000 Holder,axle |
95014-41000 |
from US $7.70 |
||