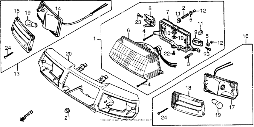
Headlight + handlebar cover + front turn signal Diagram Honda NH80 Aero
- Year
- 1985
- Model code
- NH80 A
- Sales region
- USA
- Frame
- JH2HF010*FK200012 -
- Engine Capacity
- 80
Difficulties in parts search?
Difficulties in parts search?
| Description | OEM Part # | Price | |||
|---|---|---|---|---|---|
|
1
|
1
33100-GN3-671
Light assy.,head
|
33100-GN3-671 |
— | ||
|
2
|
2
33106-GE1-670 Spring,beam adjus |
33106-GE1-670 |
US $2.21 |
||
|
3
|
3
33107-GN3-671
Spring
|
33107-GN3-671 |
— | ||
|
4
|
4
33114-GE1-670 Screw |
33114-GE1-670 |
from US $3.25 |
||
|
5
|
5
33118-438-841 Nut, beam adj. |
33118-438-841 |
from US $2.29 |
||
|
6
|
6
33120-GN3-671
Headlight unit
|
33120-GN3-671 |
— | ||
|
7
|
7
33121-GN3-671
Ring, mounting
|
33121-GN3-671 |
— | ||
|
8
|
8
33122-GN3-671
Stay, r. headlight
|
33122-GN3-671 |
— | ||
|
9
|
9
33123-GN3-671
Stay, l. headlight
|
33123-GN3-671 |
— | ||
|
10
|
10
33128-GE8-671 Nut, unit holder |
33128-GE8-671 |
from US $2.29 |
||
|
11
|
11
33128-471-003 Nut, unit holder |
33128-471-003 |
from US $2.22 |
||
|
12
|
12
33136-426-830 Cover, screw |
33136-426-830 |
from US $1.92 |
||
|
13
|
13
33400-GN3-671
Turn signal, r. fr.
|
33400-GN3-671 |
— | ||
|
14
|
14
33401-GN3-671
Base sub, r. fr.
|
33401-GN3-671 |
— | ||
|
15
|
15
33402-GN3-671 Lens,r fr.winker |
33402-GN3-671 |
US $5.70 |
||
|
16
|
16
33450-GN3-671
Light assy.,l fr
|
33450-GN3-671 |
— | ||
|
17
|
17
33451-GN3-671
Base sub, l. fr.
|
33451-GN3-671 |
— | ||
|
18
|
18
33452-GN3-671
Lens,l fr.winker
|
33452-GN3-671 |
— | ||
|
19
|
19
34905-268-671 Bulb (12v23w32cp) |
34905-268-671 |
from US $3.26 |
||
|
20
|
20
53204-GN3-670ZA
Cover *r110*
|
53204-GN3-670ZA |
— | ||
|
20
|
20
53204-GN3-670ZC
Cover *b106*
|
53204-GN3-670ZC |
— | ||
|
21
|
21
90167-SA0-980 NutFLANGE CAP, 5MM |
90167-SA0-980 |
from US $2.44 |
||
|
22
|
22
93500-050-080-A ScrewPAN, 5X8 |
93500-050-080-A |
from US $0.37 |
||
|
23
|
23
93500-050-100-A ScrewPAN, 5X10 |
93500-050-100-A |
from US $0.37 |
||
|
24
|
24
9390134780 Screw, tap (4x30) |
9390134780 |
from US $0.37 |