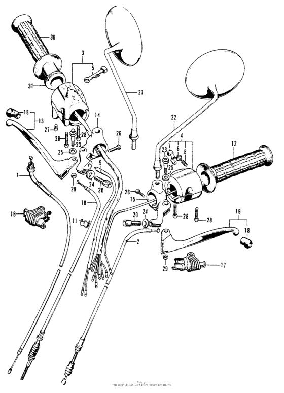
Handle switch + cable k0 Diagram Honda XL100
- Model code
- XL100 A
- Sales region
- USA
- Frame
- XL1001000001 -
- Engine Capacity
- 100
Difficulties in parts search?
Difficulties in parts search?
| Description | OEM Part # | Price | |||
|---|---|---|---|---|---|
|
1
|
1
17910-110-010
Cable,throttle
|
17910-110-010 |
— | ||
|
2
|
2
22870-KBG-A00
Cable, clutch
|
22870-KBG-A00 |
— | ||
|
3
|
3
35250-110-791
Lighting & switch
|
35250-110-791 |
— | ||
|
4
|
4
35250-310-003
Swich,winker horn
|
35250-310-003 |
— | ||
|
5
|
5
35315-235-000
Knob,dimmer sw.
|
35315-235-000 |
— | ||
|
6
|
6
35317-001-310 Buttun, horn |
35317-001-310 |
from US $4.88 |
||
|
7
|
7
35317-310-810
Knob,winker swit
|
35317-310-810 |
— | ||
|
8
|
8
35318-259-000 Spring |
35318-259-000 |
from US $3.11 |
||
|
9
|
9
35340-GAN-620 Switch assy.,fr.s |
35340-GAN-620 |
from US $14.42 |
||
|
10
|
10
45450-440-P00
Cable, fr. brake
Use up to Frame SN 1020001 |
45450-440-P00 |
— | ||
|
10
|
10
45450-364-671
Cable, fr. brake
Use from Frame SN 1020002 |
45450-364-671 |
— | ||
|
11
|
11
45465-270-000 Clip, brake wire |
45465-270-000 |
from US $6.53 |
||
|
12
|
12
95011-15200
Grip e,l.handle
|
95011-15200 |
— | ||
|
13
|
13
53175-KY0-980 Lever, r. handlebar |
53175-KY0-980 |
from US $25.98 |
||
|
14
|
14
53171-312-003 Bracket,r.lever |
53171-312-003 |
from US $47.46 |
||
|
15
|
15
53172-310-010 Brkt, l. handlebar |
53172-310-010 |
from US $38.90 |
||
|
16
|
16
53176-329-000 Cover,r-strg.lev. |
53176-329-000 |
from US $14.22 |
||
|
17
|
17
53179-329-000 Cover,l.strg.lev. |
53179-329-000 |
from US $16.33 |
||
|
18
|
18
95010-16001 Cap.handle.lever |
95010-16001 |
from US $2.07 |
||
|
19
|
19
53178-369-700 Lever,strg.handle |
53178-369-700 |
from US $20.94 |
||
|
20
|
20
53192-268-000 Bolt, cable adj. |
53192-268-000 |
from US $3.85 |
||
|
21
|
21
88110-329-730
Mirror,r-back
|
88110-329-730 |
— | ||
|
22
|
22
88220-329-730
Mirror, l.
|
88220-329-730 |
— | ||
|
23
|
23
90114-329-000 Bolt,handle lev. |
90114-329-000 |
from US $8.58 |
||
|
24
|
24
90321-315-670 Nut, fixing |
90321-315-670 |
from US $5.83 |
||
|
25
|
25
90501-310-000 Washer (7x12) |
90501-310-000 |
from US $2.07 |
||
|
26
|
26
92101-06025-0A Bolt, hex., 6x25 |
92101-06025-0A |
from US $0.52 |
||
|
27
|
27
93500-050-060-A ScrewPAN, 5X6 |
93500-050-060-A |
from US $0.37 |
||
|
28
|
28
93500-050-240-A Screw,cross 5x24 |
93500-050-240-A |
US $0.44 |
||
|
29
|
29
94001-062-000-S NutHEX., 6MM |
94001-062-000-S |
from US $0.44 |
||
|
30
|
30
95011-15100
Grip e,r.handle
|
95011-15100 |
— | ||
|
31
|
31
95014-51100 Pipe a,grip |
95014-51100 |
from US $5.59 |