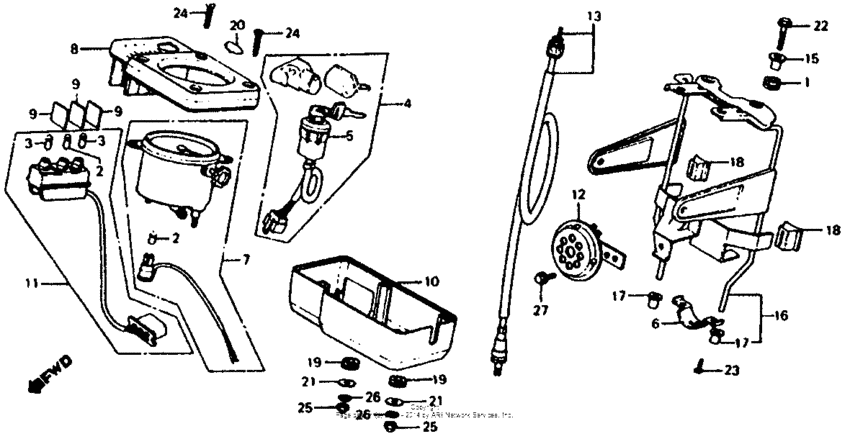
Instruments + horn + key set 79 Diagram Honda XL185
- Year
- 1979
- Model code
- XL185S A
- Sales region
- USA
- Frame
- L185S5001103 - L185S5017934
- Engine Capacity
- 185
Difficulties in parts search?
Difficulties in parts search?
| Description | OEM Part # | Price | |||
|---|---|---|---|---|---|
|
1
|
1
17245-107-010 Rubber |
17245-107-010 |
from US $2.23 |
||
|
2
|
2
34902-202-000 Bulb, dash (6v 3w) |
34902-202-000 |
from US $2.29 |
||
|
3
|
3
34908-230-000 Bulb,speedometer |
34908-230-000 |
from US $2.74 |
||
|
4
|
4
35010-437-030 Key set |
35010-437-030 |
US $148.24 |
||
|
5
|
5
35100-KF9-631 Switch, combination |
35100-KF9-631 |
US $43.79 |
||
|
6
|
6
35114-437-010
Protector,cord
Use up to Frame SN 5008729 |
35114-437-010 |
— | ||
|
7
|
7
37200-427-671
Speedometer assy
|
37200-427-671 |
— | ||
|
8
|
8
37610-437-671
Case,pilot upper
|
37610-437-671 |
— | ||
|
9
|
9
37611-437-671
Plate,sealing
|
37611-437-671 |
— | ||
|
10
|
10
37618-437-671
Case,pilot lower
|
37618-437-671 |
— | ||
|
11
|
11
37619-437-671
Cord comp.,pilot
|
37619-437-671 |
— | ||
|
12
|
12
38110-GS3-013
Horn assy. (high)
|
38110-GS3-013 |
— | ||
|
13
|
13
44830-KB7-000
Cable,speedometer
|
44830-KB7-000 |
— | ||
|
15
|
15
61104-428-000
Collar, fr. fender
|
61104-428-000 |
— | ||
| replacement | |||||
|
15
|
15
61104-428-010 Collar, fr. fender |
61104-428-010 |
from US $4.07 |
||
|
15
|
15
61105-428-000
Collar, rr. fender
|
61105-428-000 |
— | ||
|
16
|
16
61311-437-670ZA
Brkt case *za*
|
61311-437-670ZA |
— | ||
|
17
|
17
61312-358-300 Grommet,lt.case |
61312-358-300 |
from US $3.48 |
||
|
18
|
18
61316-361-000 Rubber,brkt. mt. |
61316-361-000 |
US $6.22 |
||
|
19
|
19
80101-283-000 Rubber, rr. fender cushion |
80101-283-000 |
from US $4.29 |
||
|
20
|
20
87523-413-710
Label
|
87523-413-710 |
— | ||
|
21
|
21
90438-671-000 WasherSPECIAL, 6MM |
90438-671-000 |
US $7.38 |
||
|
22
|
22
92101-06025-0A Bolt, hex., 6x25 |
92101-06025-0A |
from US $0.52 |
||
|
23
|
23
93901-24210 ScrewTAPPING, 4X10 |
93901-24210 |
from US $0.37 |
||
|
24
|
24
93903-24780 Screw,4x30 |
93903-24780 |
US $0.37 |
||
|
25
|
25
94021-060-700-S NutCAP, 6MM |
94021-060-700-S |
from US $0.59 |
||
|
26
|
26
94111-06700 WasherSPRING, 6MM |
94111-06700 |
from US $0.37 |
||
|
27
|
27
95701-060-120-8 BoltFLANGE, 6X12 |
95701-060-120-8 |
from US $0.52 |
||