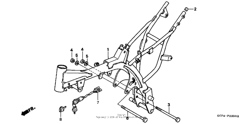
Frame Diagram Honda XR70
- Year
- 1998
- Model code
- XR70R A
- Sales region
- USA
- Frame
- JH2DE020*WK100001 - JH2DE020*WK106234
- Engine Capacity
- 70
Difficulties in parts search?
Parts list
Difficulties in parts search?
| Description | OEM Part # | Price | |||
|---|---|---|---|---|---|
|
1
|
1
50100-GCF-671ZA
Frame *nh138*
|
50100-GCF-671ZA |
— | ||
|
2
|
2
50351-GCF-670 Rubber, pipe end |
50351-GCF-670 |
from US $1.11 |
||
|
3
|
3
90116-001-010 Bolt, rr. engine |
90116-001-010 |
from US $6.81 |
||
|
4
|
4
94030-08000 NutHEX., 8MM |
94030-08000 |
from US $0.44 |
||
|
5
|
5
94111-08000 WasherSPRING, 8MM |
94111-08000 |
from US $0.37 |
||
|
6
|
6
95301-0811500 Bolt, hex. (8x115) |
95301-0811500 |
from US $1.33 |