Cables Diagram Kawasaki KL650 KLR650
- Year
- 2010
- Model code
- KL650EAF
- Sales region
- USA
- Engine Capacity
- 650
Difficulties in parts search?
Parts list
Difficulties in parts search?
| Description | OEM Part # | Price | |||
|---|---|---|---|---|---|
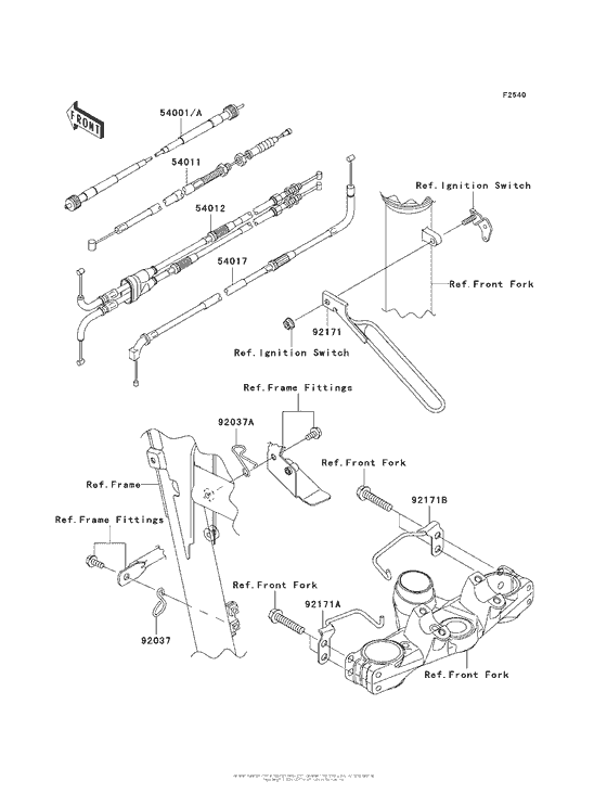
|
54001A
|
54001A
54001-0018 CABLE-SPEEDMETER |
54001-0018 |
from US $26.31 |
||
|
54011
|
54011
54011-0556 Cable, clutch |
54011-0556 |
from US $25.93 |
||
|
54012
|
54012
54012-0184 CABLE-THROTTLE |
54012-0184 |
from US $49.08 |
||
|
54017
|
54017
54017-0042 CABLE-STARTER |
54017-0042 |
from US $23.89 |
||
|
92037
|
92037
92037-1904 CLAMP |
92037-1904 |
from US $4.59 |
||
|
92037A
|
92037A
92037-1937 CLAMP |
92037-1937 |
from US $5.86 |
||
|
92171
|
92171
92171-0941 CLAMP,CABLE |
92171-0941 |
from US $7.62 |
||
|
92171A
|
92171A
92171-0948 CLAMP,UPPER BRACKET,L |
92171-0948 |
from US $7.16 |
||
|
92171B
|
92171B
92171-0950 CLAMP,UPPER BRACKET,R |
92171-0950 |
from US $7.16 |